双脉冲测试(DPT)是一种被广泛接受的评估功率器件动态特性的方法。以IGBT在两电平桥式电路中应用为例,如下图,通过调节直流母线电压和第一个脉冲持续时间,可以在第一个脉冲结束和第二个脉冲开始时捕捉到被测器件在任何所需的电压和电流条件下的开关瞬态行为。DPT结果量化了功率器件的开关性能,并为功率变换器的设计(如开关频率和死区时间的确定、热管理和效率评估)提供了参考依据,那么对于三电平电路,双脉冲测试需要怎么做呢?
图1 两电平典型DPT电路
图2 DPT典型测试波形
1
I-NPC三电平电路的换流方式与双脉冲测试方法
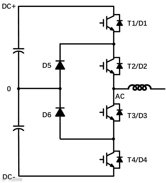
首先我们从三电平桥臂的工作模态看起,以I型NPC(Neutral Point Clamped)三电平电路为例:
图3 I-NPC三电平桥臂
图4 I-NPC三电平桥臂输出电压电流波形
图4所示为I-NPC桥臂在输出功率因数为零时一个工频周期内输出电压及电流的波形,二者相位差为90度,一个周期可分为ABCD段,包含I-NPC电路工作的四种换流方式。
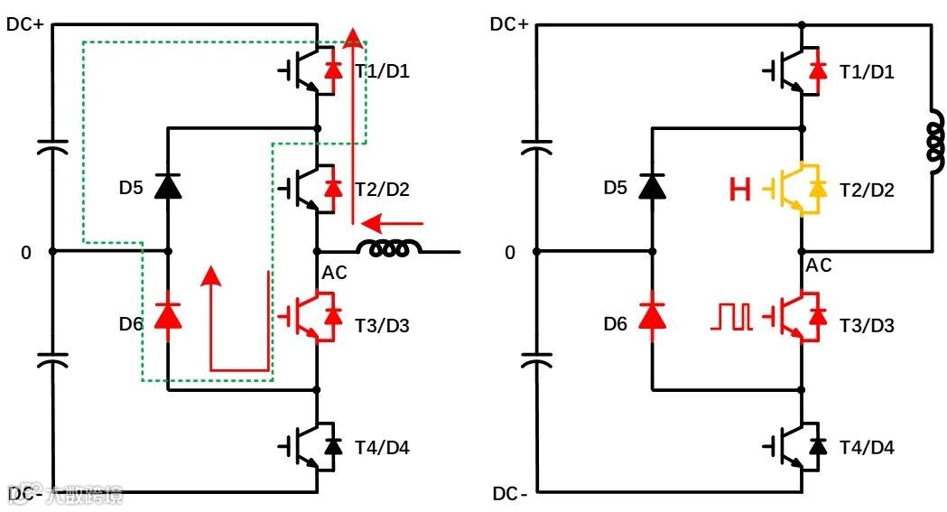
A时段
A时段(V>0,I>0)为逆变工况,电压、电流方向均为正(规定电流流出桥臂为正),NPC桥臂中点输出电平在+Vdc和0以开关频率跳变,T2常通,T1与D5换流,为小换流回路如图5虚线所示。此时段内存在T1,T2,D5的导通损耗以及T1,D5的开关损耗。
对此种工况进行DPT,可将负载电感连接于直流母线中点与交流出线端间,T3、T4保持关断,T2保持导通,T1施加双脉冲,第一个脉冲到来后,电流流经T1、T2、负载电感,电流线性上升,第一个脉冲结束后,T1关断,电感电流通过D5、T2续流,T1第二个脉冲到来后,电流继续流经T1、T2、负载电感,D5被强迫关断,该工况下测试对象为T1与D5。
图5 T1与D5换流及DPT方法
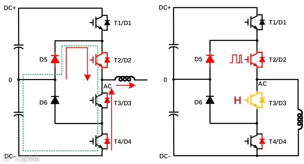
B时段
B时段(V>0,I<0)为整流工况,电流流入桥臂,电压依旧为正方向,T2保持开通,T3与D1换流,也就是所谓的大换流回路如图6虚线所示。此时段内存在T3,D6,D1,D2的导通损耗以及T3,D1的开关损耗。
对此种工况进行DPT,可将负载电感连接于直流母线正端与交流出线端间,T1、T4保持关断,T2保持导通,T3施加双脉冲,第一个脉冲到来后,电流流经负载电感、T3、D6,电流线性上升,第一个脉冲结束后,T3关断,电感电流通过T1、T2的反并联二极管D1、D2续流,T3第二个脉冲到来后,电流继续流经负载电感、T3、D6,T1反并联二极管D1被强迫关断,该工况下测试对象为T3与D1。
图6 T3与D1换流及DPT方法
C时段
C时段(V<0,I<0)与A时段工况对称,为逆变工况,T3保持开通,T4与D6换流,换流回路为小回路,此时段内存在T3,T4,D6的导通损耗以及T4,D6的开关损耗。对此工况的DPT方法与A时段工况方法是对称的,这里不再赘述,负载电感连接于直流母线中点与交流出线端间,测试对象为T4与D6。
图7 T4与D6换流及DPT方法
D时段
D时段(V<0,I>0)与B时段工况对称,为整流工况,T3保持开通,T2与D4换流,换流回路为大回路。此时段内存在D5,T2,D3,D4的导通损耗以及T2,D4的开关损耗。对此工况的DPT方法与B时段工况方法是对称的,负载电感连接于直流母线负端与交流出线端间,测试对象为T2与D4。
图8 T2与D4换流及DPT方法
2
I-NPC三电平电路的双脉冲实测
图13所示为应用英飞凌F3L400R10W3S7 EasyPACK™ 3B三电平模块产品的双脉冲实测波形。可以看到在关断同样电流时,长换流回路中内管关断时的电压尖峰明显更大,因此就需要在设计应用过程中通过DPT评估恶劣工况下内管的电压应力,优化外围直流母线及功率走线杂散电感或是调整外围驱动参数以改善内管的电压应力,避免器件过压失效。
图13 F3L400R10W3S7双脉冲实测波形
同时通过DPT也可量化两种换流回路杂散电感的大小,如图13虚线框所示,可以在DPT中被测器件第二次开通时观测电压平台的跌落与对应电流的变化率以求得,短换流回路杂感约为30nH,长换流回路杂感约为60nH。
对于更大功率的系统,通常采用半桥模块来拼搭三电平电路,在构成I-NPC三电平电路时,主要采用下图所示方案,短换流工况时只涉及一个半桥模块,长换流回路则会涉及所有三个功率模块,因此在功率模组设计中,母排的设计需要格外优化尽可能减小长换流回路的杂散电感以增加功率模组的电流输出能力。图15所示为FF1800R12IE5在I-NPC电路里的双脉冲实测波形,在室温及额定电流条件下,为了降低长换流回路IGBT的关断电压尖峰,使用了更大的门级关断电阻,最终T1与T2的最大关断尖峰电压分别为1010V与1100V。
图14 PrimePACK™ 3+半桥模块构建I-NPC三电平电路示意
图15 FF1800R12IE5双脉冲实测波形
3
I-NPC三电平电路的短路测试
对于I-NPC三电平桥臂的短路测试,通过模拟短路点位置与实际驱动时序(内管先开后关),给出以下几种推荐的测试工况:
AC点与DC+短接,模拟T3开通时短路,短路电流流过T3,D6;
AC点与DC-短接,模拟T2开通时短路,短路电流流过D5,T2;
AC点与直流中点短接,模拟T1或T4开通时短路,短路电流流过T1,T2或T3,T4;
直流中点与上桥钳位点短接,模拟T1开通时短路,短路电流流过T1;
直流中点与下桥钳位点短接,模拟T4开通时短路,短路电流流过T4;
AC点与上桥或下桥钳位点短接,模拟外管开通时短路,短路电流流过T1,T2,D6或D5,T3,T4。
图16 I-NPC三电平桥臂短路测试工况
总结
本篇介绍了I-NPC三电平电路的几种不同换流工况,基于此,通过调整电感位置及功率器件的驱动方式可以模拟实际工况进行对应的双脉冲测试,同时也给出了一些I-NPC电路DPT的实测波形,需要格外注意长换流回路杂散电感的优化设计,最后列出了一些I-NPC电路短路工况供大家在测试中参考。下一期,我们会继续分析T-NPC电路的双脉冲测试与短路测试评估。
参考阅读
三电平电路原理及常见的电路拓扑分析
新品 | 200kW储能用EasyPACK™ 3B三电平模块F3L225R12W3H3_B11
新品 | EasyPACK™ 4B 950V 600A ANPC三电平 IGBT模块
扫描上方二维码
欢迎关注微信公众号
【英飞凌工业半导体】

