新品
160V HB和HS+LS SOI栅极驱动器
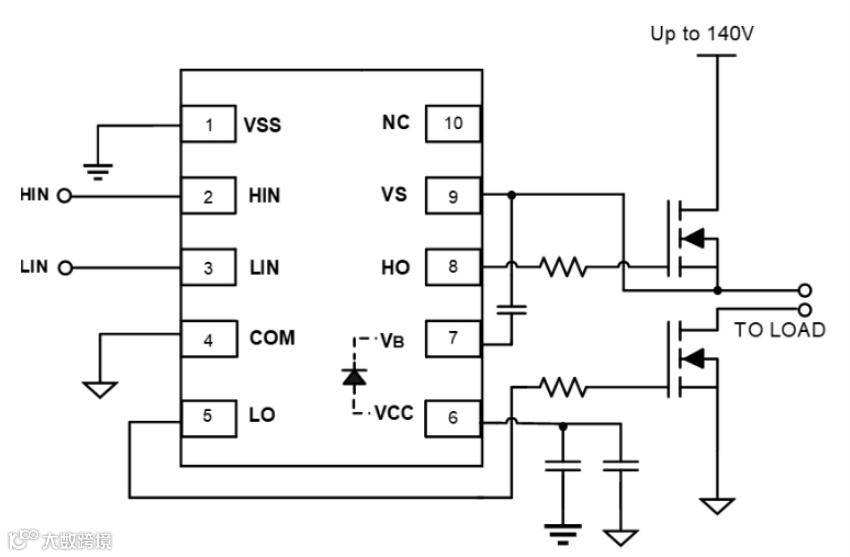
MOTIX™ 160V HB和HS+LS SOI(绝缘体上硅)栅极驱动器集成电路采用VSON10、3x3 mm小尺寸封装,具有2 种不同的源/漏电流,用于驱动N沟道MOSFET。集成自举二极管(典型值为38 Ω)用于为外部高压侧自举电容器供电。保护功能包括Vcc和VB引脚上的欠压锁定 (UVLO),以及半桥产品的直通保护 (STP) 功能。根据JEDEC78/20/22的相关测试,该 MOTIX™ 160V解决方案完全符合工业应用要求。
产品型号:
▪️ 2ED27XXS01G
产品特点
自举电压 (VB) 为+160V
自举电路是浮地
集成自举二极管
上桥臂和下桥臂均带UVLO
短脉冲/噪声输入滤波器
施密特触发器输入
兼容3.3V、5V输入逻辑
应用价值
高功率密度
更小的占板面积
耐用性和可靠性高
出色的热管理
可扩展性
简单易于使用
竞争优势
卓越的NTSOA性能,坚固耐用,减少BOM
可用于高达120V的电池
集成BSD,减少BOM
应用领域
无绳电动工具
电池供电工具
多旋翼飞行器和无人机
微型光伏逆变器解决方案
产品框图
扫描下方二维码,
即可查看产品详细资料~
👇👇
如果您对上文中的产品(推文代码:2023NPI37)感兴趣,需要英飞凌销售团队或代理商联系您,请点击文末“阅读原文”填写表格。
扫描上方二维码
欢迎关注微信公众号
【英飞凌工业半导体】
点击文末“阅读原文”,
即可填写表格联系我们~

