新品
采用IGBT7的CIPOS™ Maxi
10-20A 1200V IPM
高性能CIPOS™ Maxi转模封装IPM IM12BxxxC1系列基于新型1200V TRENCHSTOP™ IGBT7和快速二极管Emcon 7技术。由于采用了最新的微沟槽设计芯片,该产品具有卓越的控制能力和性能,这大大降低了损耗,提高了效率,并增加了功率密度。产品组合包括从10A ,15A和20A三种新产品。
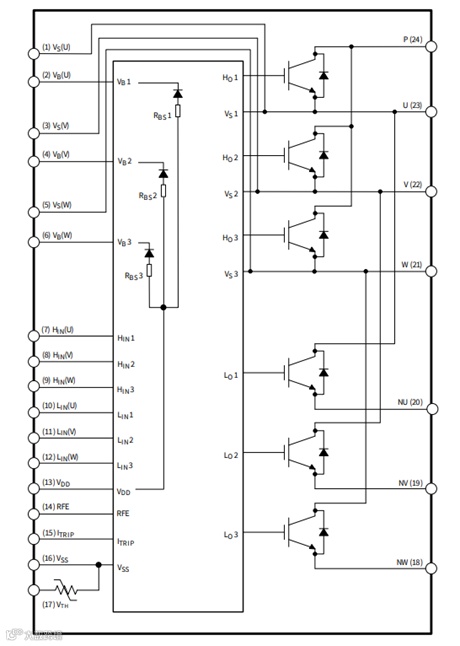
该系列集成了6个TRENCHSTOP™ IGBT7,驱动采用经过优化的1200V,6通道SOI栅极驱动器,提供出色的保护,并优化PCB尺寸和系统成本。
该IPM是1200V等级中最小、最紧凑的封装,额定功率超过4kW,具有出色的功率密度、可靠性和性能。它具有出色的保护功能,例如欠压保护和低压保护,所有通道电压锁定、保护期间所有开关关闭、防止交叉导通、过流保护、温度监控。
产品型号:
■ IM12B10CC1
10A 1200V PG-MDIP-24封装
■ IM12B15CC1
15A 1200V PG-MDIP-24封装
■ IM12B20EC1
20A 1200V PG-MDIP-24封装
产品特点
带DCB的完全隔离双列直插式塑封模块
1200V TRENCHSTOP™ IGBT7
坚固耐用的1200V SOI栅极驱动器技术
集成自举电源功能
过流关机
所有通道的欠压锁定
保护期间关断所有六个开关
防止交叉导通
VBS=15V时,信号传输允许的负VS电位最高可达11V
独立的低压侧发射器引脚
应用价值
1200V IPM级封装尺寸最小,功率密度高,性能卓越
坚固耐用的栅极驱动器技术可提供出色的保护
高效率
高速开关,调制频率可高达20kHz
适用于高速开关应用,功耗更低
简化设计和制造
框图
应用领域
风机
水泵
暖通空调室外风扇
低功率电机驱动器
扫描下方二维码,
即可查看产品详细资料~
👇👇
如果您对上文中的产品(推文代码:2024NPI40)感兴趣,需要英飞凌销售团队或代理商联系您,请识别“产品需求提交”中二维码,填写表单。
点击文末“阅读原文”,即可获取手册~

