非隔离型单相并网逆变器由于其体积小效率高等特点广泛应用于小功率光伏发电系统(2-10kW),但由于并网系统不含变压器且光伏电池板等对地存在多处分布电容,功率器件在高频开关时,在光伏电池板、逆变器、电网间形成共模电流。
非隔离型并网逆变器共模电流回路示意
为了保证人员和设备安全,对地漏电流必须要抑制在一定幅值范围,常见的两种优化策略为:
1
采用相应的调制策略,使得逆变器交流AC端口输出的共模电压(VAN+VBN)/2为恒值。
2
直流侧或交流测解耦,电流在逆变器和电网之间环流时,切断光伏电池与电网的连接以使得逆变器输出共模电压基本保持不变。
对于H桥拓扑,采用双极性PWM调制时,不同开关模态时共模电压稳定在VDC/2。这样就满足上述对策一,可以很好抑制共模电流,但由于T1-T4在一个工频周期内均为高频工作,开关损耗较大,且由于输出PWM电压幅值在-VDC和+VDC之间跳变,相较单极性PWM调制时,所需的滤波电感感值也会更大。
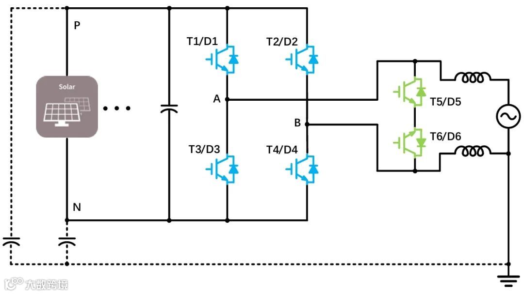
为了兼顾效率与共模电流的抑制,一般采用对策二,几种改进型的单相并网拓扑被提出。H5拓扑只增加一个功率器件(图1),可实现输出共模电压的相对稳定,但效率一般,T5在整个工频周期内高频动作,发热较多。H6电路增加四个功率器件(图2),其中包含两个续流二极管,可抑制共模电流问题,效率不错,但增加器件成本较多。Heribert Schmidt等学者提出了Heric拓扑(图三)。
图1 H5电路拓扑
图2 H6电路拓扑
1
Heric电路原理
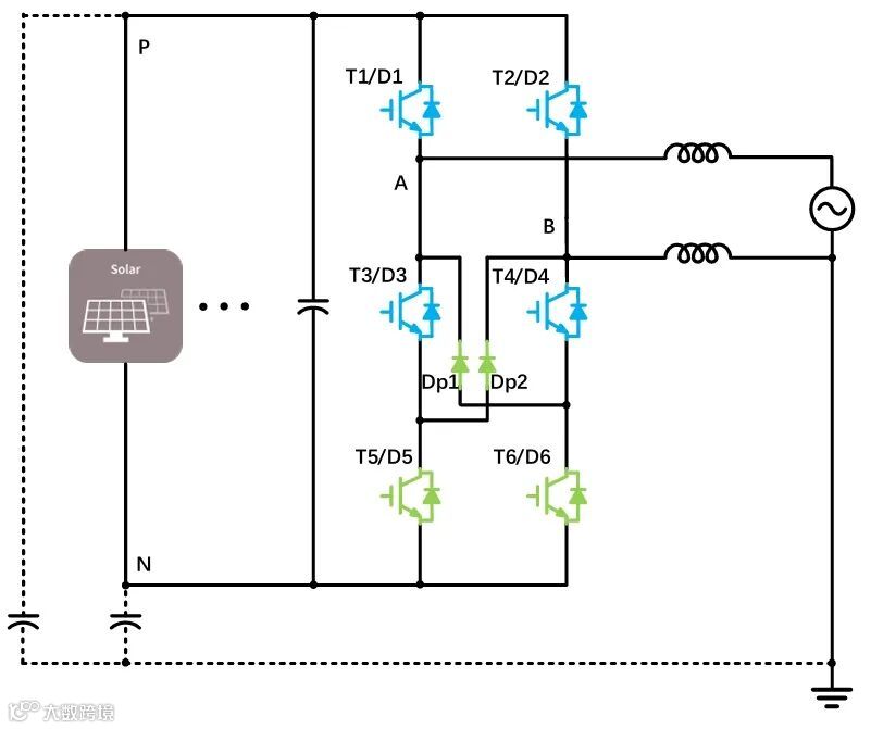
Heric电路只增加两个功率器件T5/D5与T6/D6,滤波电感续流时,T5/D5与T6/D6提供双向电流通路,从交流测断开光伏电池板与电网的连接,可控制输出共模电压相对稳定,且效率相较H5,H6拓扑更高,被广泛应用。对于Heric电路,功率因数为1时,T5与T6以工频开关动作,正半周期,T1与T4高频开关,关断时通过T6与D5续流,负半周期同理,T2,T3与T5,D6换流。整个开关模态,逆变器AC端口共模电压Vcn输出情况如下表,基本稳定在VDC/2。
图3 Heric电路拓扑
当Heric电路需要向电网注入无功电流时,T5,T6也需要在输出电压电流反向区间内分别高频开关,例如在输出滞后无功电流时,V>0,I<0阶段(规定电流流出H桥为正),T1-T4均关断,T5导通,电感电流通过T5,D6续流,T5关断时,电感电流通过D1,D4流通,此时交流端口输出共模电压Vcm=0.5*(VDC+0),V<0,I>0时,工作机理也是类似的,T6,D5与D2,D3换流。
2
器件选型
图4 650V H7产品特性
在单相户用光伏逆变器应用中,小体积低噪音通常是产品卖点之一,这既可降低设备安装要求,也可在运行期间减少对客户的环境干扰,因此较高开关频率是功率半导体器件需求之一,另外更高的效率,更好的可靠性也是此场景中产品所需具备的重要特性,这可为客户带来长期稳定的经济效益,另外单相光伏应用中,电网电压通常为220/230VAC,逆变器的母线电压在350-400VDC左右,综上,高效高速的650V IGBT非常适用于该应用。英飞凌新一代650V TRENCHSTOP™ IGBT7 H7产品采用最新微沟槽栅技术,在图四的条件中,整体损耗相较前代可减少39%,同时配备全电流的新一代发射极控制的EC7续流二极管,反向恢复特性更软,带来更好的EMI表现。
此外,650V TRENCHSTOP™ IGBT7 H7具有出色的防潮性能,可在恶劣环境中可靠运行。该器件通过了JEDEC 47/20/22的相关测试,特别是HV-H3TRB,符合工业应用标准,非常适合户用单相光储逆变器的户外应用。650V H7系列产品电流等级为40A-150A,提供四种不同类型的封装。
图5 650V H7产品目录
针对5kW/8kW/10kW这三个功率等级的Heric单相光伏逆变器进行仿真,条件如下:
对于5kW Heric光伏逆变器,可选用IKWH40N65EH7,DC-AC级转换效率可达98.5%,最高结温不到120℃,实际应用中可尝试进一步提高开关频率以提升功率密度。
5kW Heric电路仿真结果
对于8kW-10kW Heric光伏逆变器,IKWH75N65EH7可覆盖此功率段,DC-AC级转换效率可达98.5%,T5/T6,D5/D6损耗较小,也可考虑选择小一号器件来优化成本。
8kW Heric电路仿真结果
10kW Heric电路仿真结果
另外,对于单相光伏系统,除了主电路功率器件以外,英飞凌还提供一站式的解决方案,包含驱动IC, 如EiceDRIVER™ X3 Compact,2EDi family双通道隔离驱动系列均非常适用于此场景应用,同时英飞凌也提供微控制器产品,XMC™以及PSoC™系列可满足不同应用需求,XENSIV™系列电流传感器以及AIROC™系列蓝牙wifi产品也被广泛应用,大家可扫描下方“二维码”或点击文末“阅读原文”,前往英飞凌官网应用详情页面配置系统,获得个性化周边器件推荐。
图6 单相光伏逆变器产品选型工具
参考阅读
单相光伏并网系统的拓扑结构简介
微型逆变器综述与英飞凌解决方案
MPPT常用拓扑原理与英飞凌实现方法
扫描上方二维码
欢迎关注微信公众号
【英飞凌工业半导体】

