"英飞凌工业半导体"公众号,一份专注于功率半导体应用技术的电子报刊,每当您在阅读时遇到疑问或产生独到见解,欢迎您加入我们的知乎英飞凌官方社区。在那里,我们和业内工程师,共同探讨、解答您的疑惑。
为了激发更多的讨论与启发,我们精选并转载了三个热门问题,同时,在文末,我们还特别列出了阅读量超过万次的20个精彩问题,供您深入探索与交流。
QUESTION 1
IGBT基本工作原理及IGBT的作用是什么?
这是一个很基础的问题,有31个回答,按照默认排序,英飞凌的工程师帖子排第一,英飞凌工程师的帖子以最简单通俗的语言展开话题,吸引了8万不同背景的读者,在众多网友的参与下,问题趋向专业,回答详细,打印出来有61页A4纸。
英飞凌工程师答:
IGBT是一个超级电子开关,它能耐受超高电压。
我们家中插座里的市电交流电电压是220V,而薄如纸张的IGBT芯片能承受的电压最高可达6500V。我们一般家庭里家用电器全部开启最大电流也不会超过30A,而一颗指甲盖大小的IGBT芯片就能流过约200A的电流!
下图是安装在基板上的4个IGBT芯片和4个二极管芯片。
但是,像这样裸露的芯片是不能直接用的。我们需要把芯片再封装到一个外壳里面,外壳中再填充绝缘的材料,把芯片的电极引到外端子上,就形成了能够使用的IGBT产品。
有的外壳里只有一颗IGBT芯片,有的可能会十几颗,二十几颗芯片。于是,就形成了各种各样的IGBT单管和模块。单管封装的IGBT的最大电流在100A左右,IGBT模块的最大额定电流可以达到3600A!
路图中的IGBT我们一般用下图来表示,G表示门极gate,它用来接收指令。C表示集电极collector,E表示发射极emitter,集电极和发射极用来导通电流。平时IGBT是截止的,一旦门极接收到一个开通指令,电流就会源源不断地从集电极到发射极之间流过。
就好比你家里墙上的开关,按一下,开关闭合,电灯亮起;再按一下,电灯熄灭。
当然,操作IGBT,不再是手,而是电子脉冲。
高电平来临时,器件开通;低电平来临时,器件就关断。
手动操作开关,可能一秒钟一两次,而我们的电子开关,一秒钟可以开关上万次,几十万次!这就是我们需要电子开关,也就是功率器件的原因。
QUESTION 2
什么是IGBT的退饱和(desaturation)?
什么情况下IGBT会进入退饱和状态?
这是一个很专业的问题,只有使用IGBT的工程师才会感兴趣,有8个回答,按照默认排序,英飞凌的工程师帖子排第一,专业的回答吸引了4万专业背景的读者。8个回答代表的网友的自己的理解,有些认识不尽正确,但代表的思考问题的思路。
英飞凌工程师答:
如下图,是IGBT产品典型的输出特性曲线,横轴是C,E两端电压,纵轴是归一化的集电极电流。可以看到IGBT工作状态分为三个部分:
1、关断区:CE间电压小于一个门槛电压,即背面PN结的开启电压,IGBT背面PN结截止,无电流流动
2、饱和区:CE间电压大于门槛电压后,电流开始流动,CE间电压随着集电极电流上升而线性上升,这个区域称为饱和区。因为IGBT饱和电压较低,因此我们希望IGBT工作在饱和区域。
3、线性区:随着CE间电压继续上升,电流进一步增大。到一定临界点后,CE电压迅速增大,而集电极电流并不随之增长。这时我们称IGBT退出了饱和区。在这个区间内,IGBT损耗增加,发热严重,是需要避免的工作状态。
图1.IGBT产品典型输出特性曲线
为什么IGBT会发生退饱和现象?
这要从IGBT的平面结构说起。IGBT和MOSFET有类似的器件结构,MOS中的漏极D相当于IGBT的集电极C,而MOS的源极S相当于IGBT的发射极E,二者都会发生退饱和现象。下图所示是一个简化平面型IGBT剖面图,以此来阐述退饱和发生的原因。栅极施加一个大于阈值的正压VGE,则栅极氧化层下方会出现强反型层,形成导电沟道。这时如果给集电极C施加正压VCE,则发射极中的电子便会在电场的作用下源源不断地从发射极E流向集电极C,而集电极中的空穴则会从集电极C流向发射极E,这样电流便形成了。这时电流随CE电压的增长而线性增长,器件工作在饱和区。当CE电压进一步增大,MOS沟道末的电势随着VCE而增长,使得栅极和硅表面的电压差很小,进而不能维持硅表面的强反型,这时沟道出现夹断现象,电流不再随CE电压的增加而成比例增长。我们称器件退出了饱和区。
(a) 正常工作
(b) 退饱和状态
图2.典型IGBT剖面图
IGBT的安全工作区
第一节我们讲到了IGBT需要工作在饱和区,但是,并不是所有的饱和区都适合IGBT工作。事实上,IGBT的安全工作区只占整个输出特性曲线的很小一部分,多数器件标称的安全工作区电流在2~4倍额定电流之间,如下图绿色区域所示。在这个区域器件经过100%的出厂测试,可以进行连续开关操作。当然,在安全工作区里也并不意味着能随心所欲为所欲为,你需要保证连续工作时IGBT结温不超最大限制,你需要保证关断时电压尖峰不超额定电压,你还需要保证选择的门极电阻不能太小,以免引起震荡,也不能太大,以免增加损耗,以及其它等等注意事项。
图3.IGBT工作区定义
如果器件的电流在超过了安全工作区所定义的电流,即使它仍然处于饱和状态,即上图中的红色区域,这时关断器件仍然是有风险的!是器件禁止进入的工作状态。此时,必须使器件电路降回到安全工作区电流,或者使器件退饱和,即进入上图所示黄色区域的短路工作区,在特定的短路时间内,才可以安全关断。
那么如果器件一直工作在饱和区,虽然电流超过了安全工作区,但是仍低于短路电流,比如落在图3中的紫色区域中,这时候能不能安全关断呢?答案依然是否定的。只要器件电流超出了安全工作区,但又没有进入短路安全工作区,就请不要关断!不要关断!不要关断!
在实际应用中,退饱和现象一般发生在器件短路时,但是退饱和区只能有一小部分作为短路安全工作区。这时CE电压上升到母线电压,电流一般是额定电流的4~8倍(见各器件规格书),功率异常增大,结温急剧上升,不及时关断器件就有可能烧毁器件。多数IGBT有一定的短路承受时间,一般在10us之内,具体参见各产品规格书。
从器件输出曲线可以看出,随着门极电压的上升,短路电流也急剧上升,因此规格书承诺的短路能力一般都建立在特定的门极电压基础上,一般是15V。因此图3所示的短路安全工作区门极电压限制在15V以下。
以IKW25N120T2为例,在门极电压VGE=15V,母线电压600V,器件结温小于175℃的情况下,器件有最多10us的短路时间。在10us之内,器件可以被安全的关断。
因此可以通过设计实现驱动电路精确快速的短路保护电路,从而保护IGBT在发生短路后进行可靠关断。
QUESTION 3
IGBT驱动电流过大会怎么样?
这是一个会思考的工程师提出的问题,有9个回答,按照默认排序,英飞凌的工程师帖子排第一,专业的回答吸引了1.5万专业背景的读者。一位网友回答中推荐了一篇关于功率半导体电流测量的英文文献,拓展了话题。
英飞凌工程师解答:
概括来说,驱动电流过大,对IGBT的电容充电速度加快,导致IGBT开通速度加快,使得驱动回路产生较大的di/dt在寄生电感作用下易产生栅极电压振荡,当栅极振荡的电压尖峰超过IGBT本身Vge的spec,易造成IGBT失效。下文我们将详细讲解IGBT驱动电流行为。
IGBT驱动需要电流
IGBT是一种电压驱动的电子开关,正常情况下只要给15V电压就可以饱和导通,实际器件的驱动是给栅极端口电容充放电,还是需要电流的。IGBT驱动电流峰值电流取决于栅极总电阻,电流取决于栅极电荷,但我们一般讲的是峰值电流。
驱动的峰值电流很好理解,按照欧姆定律,由驱动电压和驱动电阻决定:
但在小阻值驱动回路中,实际测得驱动电流一般比上述公式计算值要小,原因是驱动回路中还有杂散电感存在,因此电流峰值一般为计算值的70%。
如果栅极存在振荡,而且是低阻尼振荡的话,驱动电流会大于计算值,这在驱动电路设计中要考虑到。
栅极电感对驱动电流的影响
先看一个实测的例子,结果可能出乎你意料,电感大,开通损耗低。
图中给出了一个实验测量结果。该实验中,比较了6cm和18cm长的双绞驱动线下的IGBT动态特性,长线18cm,驱动电感LG大,但开通损耗Eon降低了约31mJ。
这是为什么呢?当将驱动连接到IGBT栅极时,不可避免地会存在寄生电感,且寄生电感与栅极电阻串联。这个寄生电感包括引线电感(无论这种连接是线缆或是电路板上的走线),栅极电阻自身电感和与模块栅极结构的电感。
栅极引线电感对IGBT开通关断过程的影响如下图所示。引线电感越大,IGBT开通的di/dt和dv/dt越大。然而,关断时开关速度保持不变,但有延迟。
如何解释这一现象呢?电感特性就是阻止电流变化,在电感中电流不能突变,就是说最初时寄生电感阻碍着栅极电容充电,一旦达到最大栅极电流,电感就趋向维持这个电流,释放电感中的能量,就像一个电流源一样为IGBT的栅极电容充电,所以驱动电流是增加的,开通损耗降低。
实验发现只有在正负电源驱动中,如-15V/15V驱动的开通过程中才会出现这种现象,单电源,如0V/15V驱动的开通只会延迟,开关速度没变,开通损耗没有降低。这又是为什么呢?
对于IGBT,当栅极电压达到阀值电压UGE(TO)之前,它是关断的。在栅极电压为0V/15V的驱动器中,如果增加栅极引线电感,一般栅极电压超过UGE(TO)后栅极电流才达到最大值。在这种情况下,离开密勒平台后,才会有储存在寄生电感中的能量去充栅极电容,使得栅极电压最终达到15V,这时有点晚了,只会产生开通延迟,不会对开通速度产生影响。
在-15V/15V的栅极电压下,情况不同,在栅极电压即将达到UGE(TO)时,栅极电流已经达到最大,存储在寄生电感中的能量加快了IGBT开通速度,当然也产生开通延迟。
驱动电流越大越好吗?
这里讲的是实际的驱动电流,不是驱动器输出电流能力。设计驱动电流就是选栅极电阻值,驱动电流大就意味着减小栅极电阻Rg,要使得开关损耗最低,要找到电路不振荡的临界值。
振荡临界值
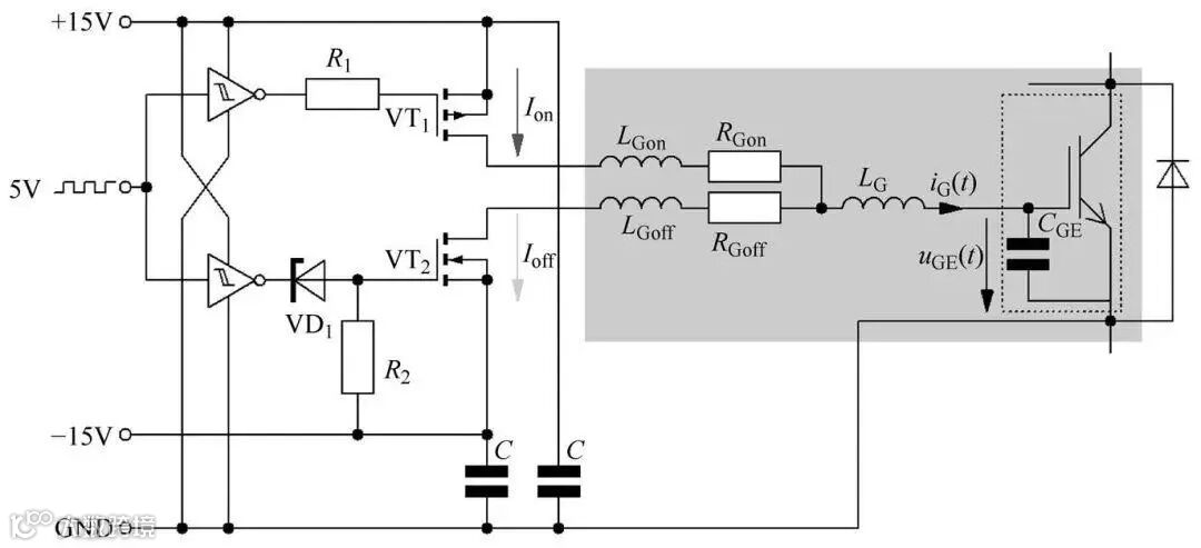
含寄生参数的驱动电路,主要关注驱动线的电感,在这里只研究它对振荡临界值的影响。
在开通和关断时,假设IGBT的内部电容CGE恒定,寄生电感LG和独立的引线电感LGon与LGoff由二阶RLC电路的微分方程推导确定,即:
式中,L为栅极路径中电感的总和(H);RG为外部和内部栅极电阻的总和(Ω),iG(t)为随时间变化的栅极电流(A)。
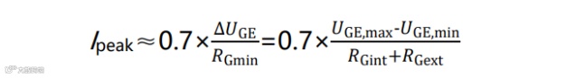
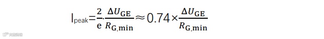
求解上述微分方程得出Ipeak为:
式中,e为自然对数,e=2.71828。
同时可以得到栅极路径中不会引起振荡的最小栅极电阻RG,min为:
式中,∑LG为栅极负载电感总和(LG+LGon或LG+LGoff)(H)。
从公式中可以看出,如果电感LG比较大,相应的栅极电阻RG的值也必须增大,以避免振荡,尤其要注意RGon选值,太小的话,IGBT开通过快,一方面造成二极管的反向恢复损耗增加,甚至会导致续流二极管会发生跳变行为(snap-off),从而引起振荡,还有可能损坏二极管。
上图解读:开通过程中,由于栅极杂散电感太高(Rg电阻没有为此选很大时)导致二极管振荡并超出SOA(1.7kV IGBT模块)
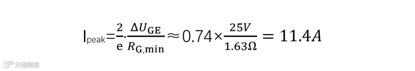
举个数值例子:
如果驱动为+15V,-10V,那么∆UGE=25V,栅极回路电感量为20nH,IGBT的输入电容为30nF,那么:
如果设计中栅极电阻取值小于1.63欧姆,驱动电路就会振荡,如果在这一临界值上电路不振荡,那么驱动电流峰值为:
如果增加栅极电阻,寄生电感参数影响变小,系数0.74会接近1.0。
总结
理解IGBT驱动电流很重要;
IGBT驱动线长,开通损耗可能降低;
驱动设计时需要选取合适的驱动电流,太小驱动能力不足,增加功率器件损耗,太大可能引起开通振荡。
除了上述问答,还有下列精彩内容,
请点击文末“阅读原文”查看哦~
👇👇
上下滑动阅读更多内容
扫描上方二维码
欢迎关注微信公众号
【英飞凌工业半导体】
点击“阅读原文”,
欢迎您加入知乎英飞凌官方社区~

