新品
CIPOS™ Mini IPM 600V 15A 20A
30A TRENCHSTOP™ IGBT 7
CIPOS™ Mini IPM IM06BxxAC1系列在600V等级中提供15A、20A和30A三个型号,额定功率高达3.0kW。它设计的目标应用为三相电机驱动,如低功率工业电机驱动、泵、风机驱动和HVAC。
产品型号:
■ IM06B15AC1
■ IM06B20AC1
■ IM06B30AC1
产品特点
基于TRENCHSTOP™ IGBT 7
600V三相桥逆变器,开放式发射级
额定电流从15A,20A,30A
坚固耐用的600V SOI栅极驱动器技术(6EDM3)
过电流关机
所有通道带欠压锁定
下桥臂引脚可用于所有相电流监测
通过H3TRB
UL认证
应用价值
得益于IGBT 7技术和封装创新,功率损耗极低,热性能极佳
旨在为低开关频率应用和高开关频率应用提供卓越性能
提高可靠性和系统效率
竞争优势
出色的低功率损耗和热性能使其应用范围更广
在紧凑型封装平台中,可出色地缩小系统尺寸,提高功率密度
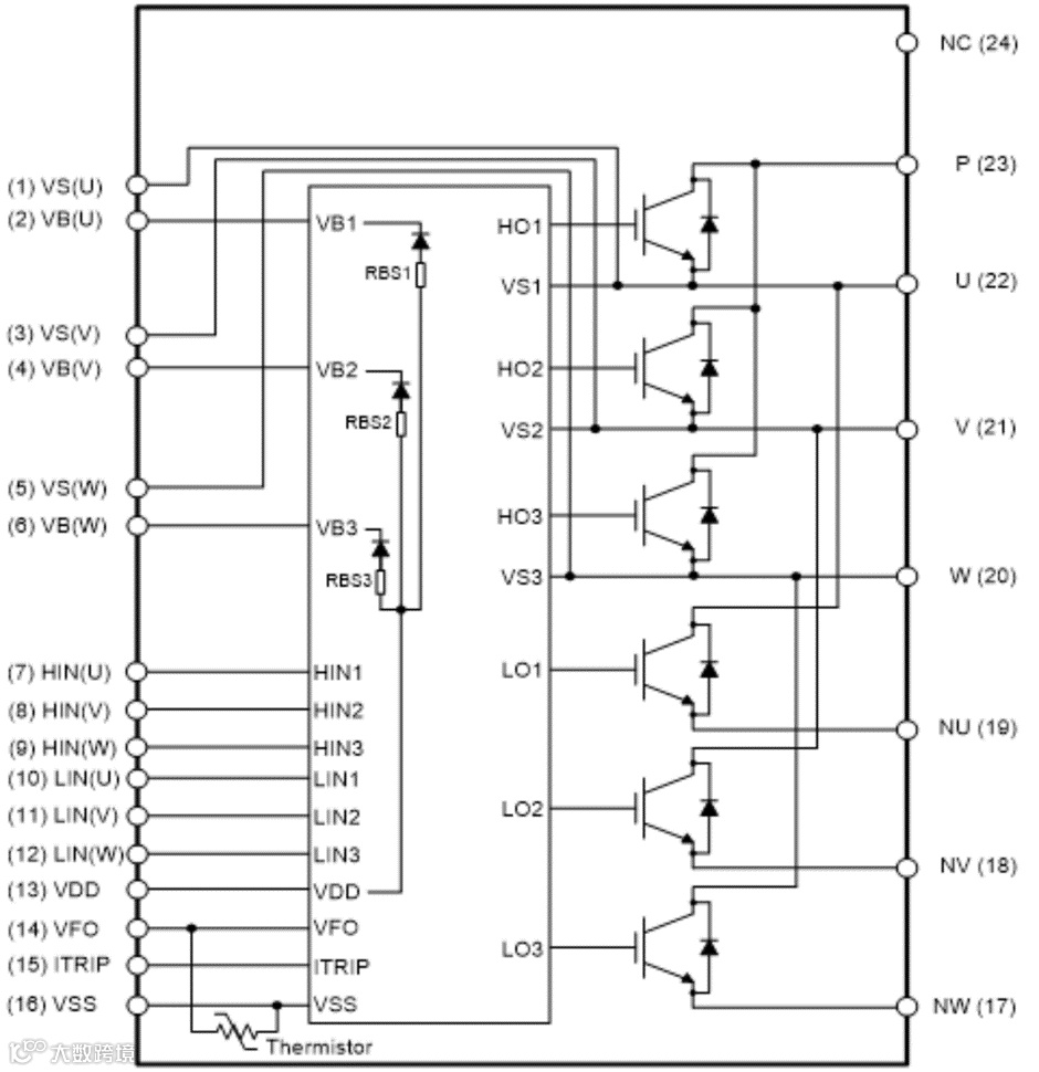
框图
应用领域
家用空调
洗衣机
热泵
工业风机和泵
小功率电机驱动器
👇扫描下方二维码👇
了解更多产品信息!
如果您对上文中的产品(推文代码:2025NPI03)感兴趣,需要英飞凌销售团队或代理商联系您,请识别“产品需求提交”中二维码,填写表单。
欢迎点击卡片
关注电子电力工程师园地
点击文末“阅读原文”,即可获取手册~

