想了解大赛详情,请点击下方图片
👇👇
作者简介
本文是第二届电力电子科普征文大赛的获奖作品,来自上海科技大学刘赜源的投稿。
著名的摩尔定律中指出,集成电路每过一定时间就会性能翻倍,成本减半。那么电力电子当中是否也存在着摩尔定律呢?
1965年,英特尔创始人之一的戈登·摩尔 (Gordon Moore) 在《电子器件会议记录》中提出,集成电路芯片上所能容纳的晶体管数量每隔大约18至24个月会翻倍,同时成本也会相应下降一半,这就是著名的“摩尔定律”。
虽然最初是关于晶体管数量和成本的观察性规律,但随着时间的推移,人们常常将摩尔定律与处理器性能的持续提升联系起来。也就是说,随着晶体管数量的增加,处理器性能也在相应地提升。这种观点被普遍认为是摩尔定律的一种推论,即处理器性能每隔一定时间会翻倍。
那么除了集成电路,在数据中心供电方面,电力电子领域是否也存在着摩尔定律呢?答案显然是肯定的,随着时代的发展和技术的进步,电力电子也在朝着更高的功率和更小的体积发展。
图一:Intel的“摩尔定律”
48V数据中心供电架构
近年来,数据中心供电应用方面,有一项显著的转变是从传统的12V中心总线架构向更先进的48V中心总线架构的过渡。这个变革始于2012年,Google在OCP峰会上推出了第一代48V总线架构。
相较于12V架构,48V中心总线架构拥有一系列显著优势,包括更高的传输效率、更长的传输距离、更可靠和实用,以及更加灵活的配置。然而,随着技术的进步,数据中心中诸如CPU、DDR等组件的电压需求逐渐降低至1.8V以下,这就要求主板提供更大电流以保证足够的输入功率。这种需求与现代电路要在高频率条件下工作的要求形成了挑战,尤其是在追求更高功率密度的情况下。
传统的逆变+整流
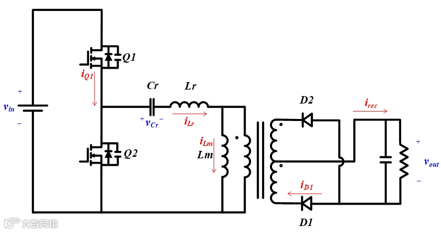
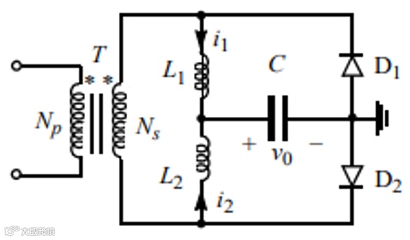
在2000年左右,针对低电压,大电流的应用场景,逆变器连接倍流整流器(current doubler rectifier) 是主流的应用拓扑[1],通过使用变压器连接逆变器与整流器,此时可以同时实现一定比例的降压。此时受到器件工艺的制约,电路的工作频率一般在100-200kHz。
从图二(1)当中可以看到,倍流器需要两个电感与一个变压器共计3个磁性元件。在大电流应用场景下磁性元件的体积会成为制约电路板功率密度大小的主要因素,即使采用磁集成技术,整体电路的功率密度也很难有极大的提升。图二(2)当中,电路板功率密度仅能达到12.16W/inm³。
(1) 电路拓扑
(2) 电路板
图二:倍流整流器[1]
LLC电路的兴起
2002年,LLC电路被证明对比于不对称半桥(AHB)电路具有更高的效率,而AHB + current doubler rectifier就是当时一种主流的逆变器连接整流器拓扑。与此同时,对比于AHB电路,虽然LLC变换器仍然需要2个电感与1个变压器,但是通过实际变压器的等效模型可以观察到,原边的并联电感可以利用变压器的励磁电感替代,而谐振电感可以利用变压器的原边漏感替代。
因此,整个电路可以简化为仅1个变压器的磁性元件,这无疑大大降低了磁性元件的体积,从而大大提升了整体电路的功率密度。因此在2005年之后,LLC变换器开始逐渐运用于低电压,大电流,高频率的应用场景之中。
图三:半桥LLC变换器
图四:LLC电路板 [2]
图四中的LLC电路达到了164 W/inm³,可以看到对比之前的电路,功率密度有了极大的提升。然而通过图四可以看到,即使器件已经尽量紧密的排布,器件的高度,尤其是变压器的磁芯高度,仍然极大制约了功率密度的进一步提升。
参考资料
[1] Jian Sun, K. F. Webb and V. Mehrotra, "Integrated magnetics for current-doubler rectifiers," in IEEE Transactions on Power Electronics, vol. 19, no. 3, pp. 582-590, May 2004.
[2] S. Abe, Y. Ishizuka, T. Ninomiya, S. Yang, M. Shoyama and M. Kaga, "Prototype evaluation of over 10W/cm3 high power density converter for 400V-DC power distribution system in data center," 2013 IEEE 10th International Conference on Power Electronics and Drive Systems (PEDS), Kitakyushu, Japan, 2013, pp. 1280-1284.
更多精彩内容
中国电源学会第三届
电力电子科普作品创作大赛
现已开启征稿,
扫描下方二维码,即可报名!
👇👇
欢迎点击卡片
关注电子电力工程师园地

