想了解大赛详情,请点击下方图片
👇👇
作者简介
本文是第二届电力电子科普征文大赛的获奖作品,来自彭宇维的投稿。
“别有幽愁暗恨生,此时无声胜有声”。
——唐.白居易
一首《琵琶行》,道出“有”和“无”的辩证关系,于人们的日常生活中无处不在,它们共同谱写了生命的乐章。就拿我们都经历过的“体检”来说,人体最基础、最核心的两大指标无疑是心率和血压。心率是指心脏跳动的频率,正常人的心率一般在每分钟60~100次,而心率的快慢则源自人体的内在需求,譬如,在剧烈运动中,人的肌肉、神经都处于激活状态,此时心率随之上升,血液循环加速,就能为人体提供更多的物质与能量支持;在炎症反应下,人体为对抗病毒需耗费更多热量,心率也居高不下。相比之下,血压的形成机制则更加复杂,简而言之,血压的形成首先离不开心脏的泵血能力,其次,由于血管壁具有一定的弹性,当血液流经血管时,便会对血管壁产生侧向压力。相比于更加稳定、触手可知的心率而言,血压更像是一个“幽灵”,看不见也摸不着,在不同的身体部位也存在较大差异,因此需要借助专业的设备才能探知,也往往被人们所忽视。当血压高时,人体会产生头晕、头痛、心悸乃至鼻出血、视物模糊等反应,严重时还会损伤脏器。所以,在对形影不离的“孪生兄弟”之中,“看不见的”血压与“看得见的”心率同样重要。
图1、心率和血压、频率和电压的“异曲同工”之处
无独有偶,电力系统在从一个稚嫩的“孩子”成长为一个肌体强健的“成年人”的过程中,也有一对“身体指标”如同“孪生兄弟”相伴不离,指导着电力系统的健康管理,他们就是“频率”和“电压”。交流电力系统的频率一般有50Hz与60Hz两种,我国主要采用50Hz频率,相当于每隔0.02秒,电力系统的心脏就“跳动”一次,在电力系统中,频率是唯一的,无论是电压等级500kV的“大动脉”,还是电压等级220V的“毛细血管”,系统频率都是50Hz。相较之下,电力系统的电压却显得“各自为政”,例如,从电源侧送出的电压为标准值,到了末端电网,就有可能出现“高血压”的问题,这是因为电力电缆、架空线路本身具有分布式电容,线路轻空载状态下,这些分布式电容就像是隐藏在沿线的“升压器”,不知不觉之间将沿线的电压不断抬高,这种于无声中影响电压的能力,我们将称其为“无功”。举一反三,我们也可以推知,假如线路处于重载状态下,仅仅依靠导线提供的无功不足以支撑末端电网的电压,电力系统也会出现“低血压”的问题。
图2、架空输电线路中的分布式电容示意图
无功不足导致电压崩溃,曾给电力系统的正常运行带来了不小的麻烦。例如1978年法国电网电压崩溃,1987年日本东京电压崩溃事件,都是由于用电负荷急速攀升,电力系统无功不足造成的大停电事故。因此,看不见也摸不着的无功,对电力系统的安全稳定运行至关重要,我们需要通过运用合理的措施,来“补偿”电力系统的无功缺额。为此,电力“医生”针对电网电压问题开出一系列“良方”,从最初的机械投切式电容电抗器,到先进的“特效药”:电力电子无功补偿装置,最终有效地解决了这一顽瘴痼疾。
图3、典型日的风电、光伏发电曲线示意图。
在电力系统无功出现缺额的区域配置机械投切式电容器或电抗器是最经济,最常见的“升压药”和“降压药”,电容器能够有效地平衡感性负荷对电压的拉降作用,电抗器能补偿线路充电功率对电压的抬升作用。然而,机械式投切的无功补偿设备存在两个方面的问题:一是开关设备易“劳损”,若投切操作的速度较慢甚至开关“罢工”,可能造成“病情蔓延”。二是无法实现平滑调节,只有“投”与“不投”两种选择,难以追踪电压的实时变化精准“给药”。在传统的电力系统中,这些问题或许并不凸显。到了新能源快速发展、大规模接入电网的今天,由于风电、光伏出力存在随机性,波动性,风电是个“夜猫子”,光伏更爱“锄禾日当午”,这就给电力系统的安全稳定运行带来了更大挑战。电力电子开关器件具有快速响应能力,能够将设备开断时间缩短至毫秒级,无疑为系统无功电压平衡提供了强大助力。
图4、一种无功补偿装置(STATCOM)的拓扑结构示意图
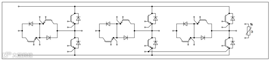
在这个庞大的“家族”中,既有简单的晶闸管投切电容器TSC,可控串联补偿器TCSC、它们以电力电子快速开关替代传统机械开关,实现电容电感的快速投切,也有更为先进的静止型无功补偿器SVC、静止同步补偿器STATCOM,统一潮流控制器UPFC,它们既能提供大量无功,又能使快速响应能力提升一个数量级。上述这些无功补偿器都由最基本的电力电子开关单元构成,譬如,英飞凌公司生产的晶闸管器件与IGBT器件,就是组成上述各类“拼图”的原始“积木”之一。
图5、一种由英飞凌公司生产的IGBT三相桥式封装电路及其拓扑结构(图片源自英飞凌官网)
“拼图”的拓扑结构从简单到复杂,功能也由“低端”迈向“高端”,理所应当的,价格也由低廉变得昂贵。因此,电力电子无功补偿装置要获得长足发展,其产学研用就要放在“刀刃上”,一是要摆在电力系统的关键位置,二是要不断研发新技术提升半导体开关的速断能力与可靠性,三是要加快提升工业化生产能力,实现市场价格稳中有降。
相信在不久的将来,通过一代又一代“电力医生”的努力,电力电子无功补偿装置可以进一步走进人们的日常生活,让我们在享受新能源发电带来便利的同时,以“润物细无声”的姿态点亮千家万户,助力电力系统安全稳定高效运行,以“无功”助“有功”,于“无为”显“有为”。
更多精彩内容
中国电源学会第三届
电力电子科普作品创作大赛
现已开启征稿,
扫描下方二维码,即可报名!
👇👇
欢迎点击卡片
关注电子电力工程师园地

