本文为2024年PCIM论文
更多精彩内容请关注2025PCIM
介绍
最新的光伏太阳能、储能和高功率充电器(1500 VDC)应用要求更高的电压裕量,以确保系统安全运行。CoolSiC™ 2000V SiC MOSFET被设计为在高电压和高开关频率下提供更高的功率密度,而不会损害系统的可靠性。新的TO-247PLUS-4-HCC封装具有加大的爬电距离和电气间隙,使用.XT焊接芯片技术。该封装的评估板有助于快速评估2000V单管产品的性能。62mm CoolSiC™ 2000V SiC MOSFET半桥模块革命性地改变了1500 VDC光伏太阳能和储能系统的设计,可以实现两电平或者NPC2三电平拓扑。
在这篇论文中,比较了EasyPACK™ 3B CoolSiC™ MOSFET模块(2000V,60A)和传统的三电平拓扑Si解决方案的拓扑结构、芯片尺寸、波形和效率。所有这些产品旨在提供更高的系统功率密度、更高的系统效率和更容易的设计。
CoolSiC™ 2000V SiC沟槽栅MOSFET,
封装在TO-247PLUS-4-HCC中
CoolSiC™ 2000V SiC MOSFET的TO-247PLUS-4-HCC封装被设计为在不损害系统可靠性的情况下提供更高的功率密度,即使在高压和高频率的苛刻条件下。如图1所示,新封装具有5.5mm的电气间隙和14mm的爬电距离。这可以防止高电压下的高频放电(见图2)。TO-247PLUS-4-HCC封装的高度和宽度与其他TO-247封装相同。它与标准TO-247-4针脚和Kelvin发射极4针脚封装兼容,由于低杂散电感的门极-发射极环路,可以实现超低开关损耗。
图1. 加大爬电距离和电气间隙的TO-247PLUS-4-HCC封装
图2. 在1.6kV电压尖峰、80kHz开关频率下,TO-247-3封装的高频放电现象
TO-247PLUS-4-HCC封装中的.XT焊接技术:
显著改善了热性能
降低了芯片结到壳体的热阻抗
防止晶片倾斜和焊料溢出,从而实现更好的生产控制
由于工作温度降低,提高了主动和被动热循环能力,以便在热应力下实现更好的性能
与标准焊接相比,.XT焊接技术可以实现最高25%的结到壳体的热阻(Rthjc)降低,如图3所示。CoolSiC™ 2000V SiC沟槽栅MOSFET系列产品的RDS(on)范围从12到100mΩ,同时配套的二极管产品系列的电流范围为10到80A。
图3. 扩散焊(.XT)技术降低Rthjc
EVAL-CoolSiC™-2kVHCC评估板旨在展示CoolSiC™ 2000V 24mΩ在TO-247PLUS-4-HCC封装中的独特特性。它可以用作一个标准的通用测试平台,用于评估任何CoolSiC™ 2000V SiC MOSFET单管器件和EiceDRIVER™ Compact单通道隔离驱动器系列(1ED31xx)通过双脉冲或连续脉宽调制(PWM)操作。该板的灵活设计允许在不同的测试条件下进行各种测试,重点关注半桥拓扑应用,如太阳能和储能系统的解决方案。[1]
图4.EVAL-CoolSiC™-2kVHCC评估板
图5展示了一个几乎完美的测试门极波形,没有超调或欠调。图中看到的振荡是由PCB布板中的寄生电容引起的,而不是由器件本身引起的。测试条件如下:
直流母线电压(DC link voltage)=1200V
门极电压(gate voltage)=18V/-2.5V
温度为常温
图5. 使用EVAL-CoolSiC™-2kVHCC评估板的测试波形:1200V/50A条件下
表1. 2000V CoolSiC™ MOSFET和Diode
产品列表
62mm CoolSiC™ MOSFET 2000V半桥模块
62mm CoolSiC™ MOSFET 2000V半桥模块采用了著名的62mm封装和M1H芯片技术。除了半桥拓扑结构外,同样的62mm封装产品还推出共源拓扑结构。这将不仅仅是实现两电平,还能实现三电平NPC2拓扑结构。目前,NPC1和ANPC拓扑结构在1500 VDC太阳能和储能系统中被广泛使用。随着新2000V产品的推出,两电平和三电平NPC2拓扑结构可以实现。[2] [3]
图6. 使用2000V产品,从NPC1/ANPC拓扑结构到两电平/NPC2拓扑结构
表2. 2000V CoolSiC™ MOSFET 62mm模块
产品列表
EasyPACK™ 3B CoolSiC™ MOSFET 2000V,
60A升压模块
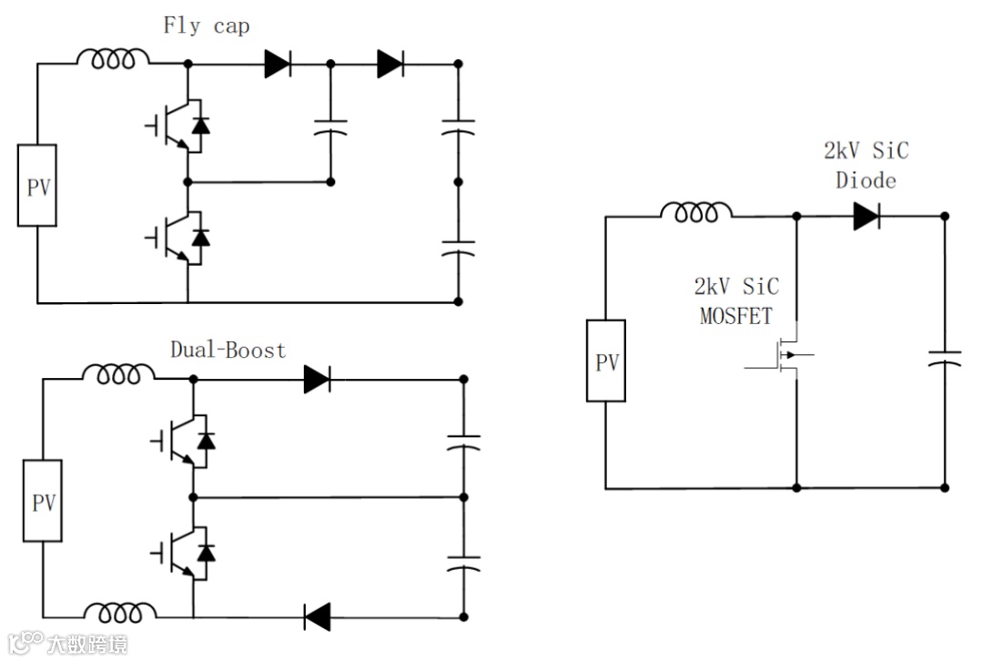
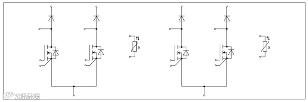
传统的大功率组串太阳能逆变器的升压解决方案通常使用飞跨电容或双升压拓扑结构。然而,2000V的SiC MOSFET在Easy 3B封装中使得可以实现更简单的两电平拓扑结构,如图7所示。这降低了功率器件数量,同时提高了功率密度和降低了整个系统成本,特别适用于1500 VDC应用。DF4-19MR20W3M1HF_B11模块采用Easy 3B封装,具有4路升压通道,使用2000V的SiC MOSFET和二极管,采用对称设计和低杂感结构,如图8所示。它提供了最低的RDS(on)和FIT率,更高的开关频率和更高的功率密度。该模块还可以用于2路升压通道,并联后的电流可以达到120A每路。
图7. 飞跨电容,双升压拓扑和采用2000V SiC产品的两电平拓扑
图8. 两电平拓扑的升压模块线路图
图9显示了双升压模块和两电平全SiC模块的芯片尺寸比较。结果表明,两电平全SiC模块解决方案的芯片尺寸小了70%。两电平全SiC模块的功率密度也更高。图10和图11显示了1200V IGBT/二极管和2000V SiC MOSFET/SiC二极管的不同关断波形。唯一的区别是关断电压平台,2000V器件的电压平台更高。这可以简化整个系统并提高其功率密度。图12显示了在不同负载条件下的升压效率曲线。在轻载条件下,两电平全SiC解决方案的效率提高了1%,在所有工作条件下平均提高了约0.5%。
图9. 双升压模块和两电平全SiC模块的芯片大小比较
图10. IGBT/2000V SiC MOSFET关断比较
图11. 1200V SiC二极管/2000V SiC二极管关断比较
图12. 双升压模块和两电平全SiC模块的效率对比
表3. 2000V CoolSiC™ MOSFET Easy模块
产品列表
结论
本文介绍了新的CoolSiC™ 2000V SiC沟槽栅MOSFET器件,具有加大的爬电距离和电气间隙,使用.XT焊接技术的TO-247PLUS-4-HCC封装;62mm封装的半桥和共源拓扑;以及EasyPACK™ 3B封装的4路升压拓扑。所有这些器件都具有2000V SiC芯片,在1500 VDC系统中提供更高的功率密度,更高的效率和更简单的设计。评估板是一个测试平台,设计师可以尝试并了解这个革命性的2000V器件。
参考文献
[1] EVAL-COOLSIC-2kVHCC Evaluation Board for CoolSiC™ MOSFETs 2000 V in TO-247PLUS-4-HCC package, www.infineon.com
[2] Yiding Wu, Miaoguang Bai, Qing Guo, and Junliang Xu, “Comparative Study on Reliability and Application Features of SiC MOSFET”, 2023 IEEE 2nd International Power Electronics and Application Symposium (PEAS)
[3] Wei Xu, Rui yang Yu, Zhicheng Guo, and Alex Q. Huang, “Design of 1500V/200kW 99.6% Efficien-cy Dual Active Bridge Converters Based on 1700V SiC Power MOSFET Module”, 2020 IEEE Energy Conversion Congress and Exposition (ECCE)
欢迎点击卡片
关注电子电力工程师园地

