图1. 三相三桥臂变换器相电压,电流波形,
电流THD=3.23%
图2. 三相四桥臂变换器相电压,电流波形,
电流THD=4.83%
在导通特性方面,由于IGBT的PNP+NPN结构,在集电极侧产生额外的PN结电压,因此其输出特性会包括来自PN结的转折电压降,而SiC MOSFET的输出特性曲线在到达饱和区之前则类似于正比例直线,这使得在低电流区域,SiC MOSFET的导通损耗显著更小,如图3所示。此外,SiC MOSFET可以反向导通,电流通过沟道从源极流向漏极,其导通电阻非常小。因此,在实际应用中,建议使用这种同步整流模式,尽量减少死区时间可以帮助减小体二极管的导通时间,进一步减少导通损耗。
图3. 同电流规格SiC MOSFET与IGBT损耗对比
在开关特性方面, SiC材料具有比Si材料更高的电子漂移速度,同时由于SiC MOSFET的单极导电特性,相比IGBT,关断时不存在拖尾电流现象,因此关断损耗大大降低。由于SiC二极管非常小的反向恢复能量,SiC MOSFET的开通损耗也远小于Si IGBT。如图3所示, SiC MOSFET在相同电流下表现出显著更低的开关损耗和更低的温度相关性。
通过PLECS仿真定量比较IGBT应用于T-NPC 三相四桥臂变换器和SiC MOSFET应用于两电平三相四桥臂变换器的性能差异,以工商业PCS离网放电工况为例,分别在负载均衡和不平衡情况下进行对比。结果表明,在相同的相电流THD指标下,SiC解决方案在损耗、效率、滤波电感参数减小、系统简化等方面具有优势。
图4. 两电平SiC MOSFET方案
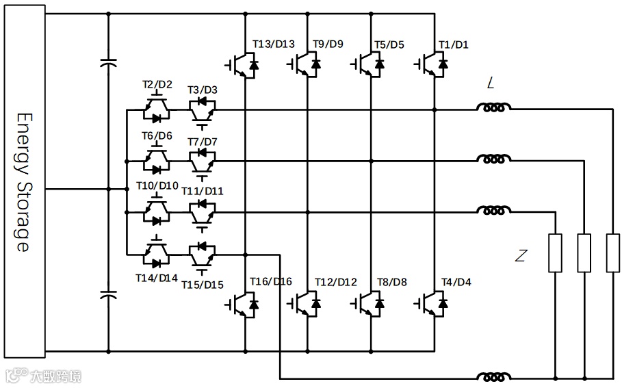
图5. 三电平IGBT方案
以额定功率125kW PCS为例,对于两电平SiC方案,应用IMZA120R030M1H 6并联,对于T-NPC IGBT方案,竖管采用IKY75N120CH7 6并联,横管采用IKZA75N65EH7 6并联,其他仿真条件如下表所列:
(1) 负载平衡,110%长期过载工况下,IGBT受限于开关损耗,开关频率通常小于20kHz。为了实现相同的总谐波失真(THD),以THD=3.15%为例,两电平SiC方案的滤波电感为142uH,而T-NPC方案的滤波电感需要增加到223uH。对于SiC方案,单个SiC MOSFET的损耗约为36.3W,最大结温为132.3℃,PCS效率达到99.03%(仅考虑功率半导体损耗)。对于T-NPC IGBT方案,竖管(如T1)是损耗最高的功率器件,单个IGBT的损耗约为35.5W,由于芯片尺寸更大,最高结温为116.5℃,但整体效率低于前者,为98.58%。因为三相负载平衡,N线电流非常小,第四桥臂功率器件的损耗非常低。
图6. 两电平SiC方案相电压电流波形,电流THD=3.15%
图7. 三电平IGBT方案相电压电流波形,电流THD=3.14%
综上,在三相负载平衡条件下,应用两电平SiC方案可以简化电路拓扑,功率器件数量减少50%,相同相电流THD下,滤波电感感值减少36%,效率提升约0.5%。
(2) 100%负载不平衡工况意味着某一相与第四桥臂共同构成单相输出,其余两相不工作。仿真以110%过载条件下单相全功率输出为例,即单相输出功率为:
对于两电平SiC方案,T1/T2和T7/T8的损耗相当,分别为34.5W和34.3W。但是,它们的最大结温相差6℃,分别为129.8℃和123.8℃,如图8所示。这是因为第四桥臂相当于输出三倍频成分,体现在功率器件上为较小的结温波动。对于三电平IGBT方案,以A相为例,竖管T1/T4的损耗与三相负载平衡条件下相同,为35.3W,最高结温为116.2℃。然而,在100%不平衡条件下,第四桥臂的横管导通时间较长,T14/T15的损耗为19.0W,D14/D15的损耗为19.5W,且导通损耗占较大比例。因此仿真中第四桥臂横管会成为结温最高点,为128.5℃。总体来看,在100%不平衡负载工况下,两种方案的最高结温差异很小。
图8. 两电平SiC方案T1/T2与T7/T8不同的结温波动
总结
参考阅读
欢迎点击卡片
关注电子电力工程师园地

