
电线的准备



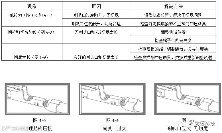
喇叭口和切尾长度



导体刷位置和绝缘外皮末端位置




绝缘外皮压接

*注意:廉价的手动工具不具备绝缘外皮压接调整功能。手动工具是用来压接为数不多的端子。你无法在手动工具上调整绝缘外皮的压接,不过,在许多压接场合,刺穿绝缘外皮的绝缘外皮压接仍可被视为合格的压接。该标准仅适用于手动工具,因为其压接循环速度慢。若绝缘外皮压接刺穿了绝缘外皮,则芯线倾向于朝两边移动,但并未受损。

压接高度

拉力

线规表




浩锐拓科技
电线的准备



喇叭口和切尾长度



导体刷位置和绝缘外皮末端位置




绝缘外皮压接

*注意:廉价的手动工具不具备绝缘外皮压接调整功能。手动工具是用来压接为数不多的端子。你无法在手动工具上调整绝缘外皮的压接,不过,在许多压接场合,刺穿绝缘外皮的绝缘外皮压接仍可被视为合格的压接。该标准仅适用于手动工具,因为其压接循环速度慢。若绝缘外皮压接刺穿了绝缘外皮,则芯线倾向于朝两边移动,但并未受损。

压接高度

拉力

线规表



