搜索
首页
大数快讯
大数活动
服务超市
文章专题
出海平台
流量密码
出海蓝图
产业赛道
物流仓储
跨境支付
选品策略
实操手册
报告
跨企查
百科
导航
知识体系
工具箱
更多
找货源
跨境招聘
DeepSeek
首页
>
【端子】前后位置、送料爪、挡板的安装与调整
>
0
0
【端子】前后位置、送料爪、挡板的安装与调整
浩锐拓科技
2022-05-24
1
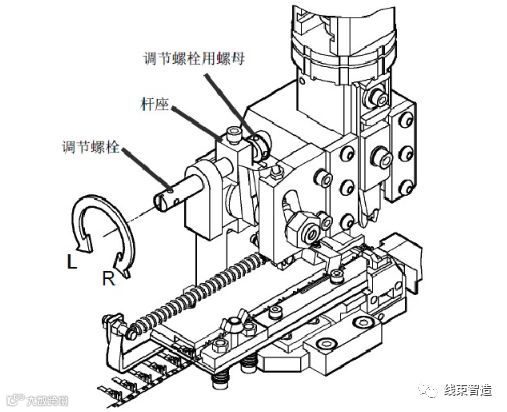
端子位置的调整(直送料)
步骤1
:将调节螺栓用螺母和杆座的M5螺栓拧开。在此若旋转调节螺栓则送料爪为前后移动的状态。
步骤2
:端子进给不足时,将调节螺栓向L侧(逆时针方向)一点一点地旋转而使进给棘爪前进(下图的A侧),并在端子至正确位置时,将步骤1拧开的螺母、螺栓拧紧。
步骤3
:进给超时时,将调节螺栓向R侧(顺时针方向)一点一点地旋转,先将进给棘爪后退(下图的B侧)至进给不足的位置。将分离杆按下、压垫抬高后,用手轻轻地拉回,之后再将压垫降下并按步骤2进行。
步骤4
:确认压接机用手动操作无异常后,打开压接机电源用适当的压接高度进行压接,并确认压接外形。
端子位置的调整(横送料)
用压接机的手动操作缓慢地将导板降下,确认压接上刀与端子的间隙尺寸a、b,并将a、b均等调整。
步骤1
:将调节螺栓用螺母和杆座的M5螺栓拧开。在此若旋转调节螺栓则送料爪为左右移动的状态。
步骤2
:端子若从左侧偏离压接模中心的场合,将调节螺栓向L侧(逆时针方向)一点一点地旋转而使送料爪先右侧(下图的A侧)移动。并在端子至正确位置时,将步骤1拧开的螺母、螺栓拧紧。
步骤3
:端子若从右侧偏离压接模中心的场合,将调节螺栓向R侧(顺时针方向)一点一点地旋转,先将送料爪向左侧移动至端子向左侧(下图的B侧)偏离的位置。
步骤4
:将压板的蝶形螺丝锁紧端子的打开后,用手轻轻地向左侧拉动。将压板的蝶形螺丝向松弛方向旋转,将端子固定之后再按步骤2进行。
步骤5
:确认压接机用手动操作无异常后,打开压接机电源用适当的压接高度进行压接,并确认压接外形。
送料爪行程的调整
送料爪的行程量,将行程调节轴承向上方移动则变大,向下方移动则变小。
端子前后位置的调整
端子前后位置的调整(横送料)
挡板的正确安装方法
挡板位置的调节
END
扫码关注浩锐拓
抖音号
:浩锐拓科技HRT
微博:浩锐拓科技HRT
创造世界上
最好
的检测设备
推动
全球
线束行业品质革命
【声明】内容源于网络
0
0
浩锐拓科技
由国家科技进步奖得主创立,CTO来自中科院智能机械研究所,专注线束行业14年,50+专利与知识产权。产品涵盖压力管理、线序检测、导通测试、剖面检测、拉力测试,以及智能工厂解决方案。关注我们,了解行业最前沿的产品与技术!
内容
539
粉丝
0
关注
在线咨询
浩锐拓科技
由国家科技进步奖得主创立,CTO来自中科院智能机械研究所,专注线束行业14年,50+专利与知识产权。产品涵盖压力管理、线序检测、导通测试、剖面检测、拉力测试,以及智能工厂解决方案。关注我们,了解行业最前沿的产品与技术!
总阅读
229
粉丝
0
内容
539
在线咨询
关注