

当CAN总线遭遇故障或数据传输发生异常时,往往会引发一系列令人困惑的故障表现。这些故障现象包括但不限于仪表板显示错误,车辆启动困难,启动后无法关闭,车辆动力性能降低,以及部分电控系统功能的失效等。
这背后的原因在于,CAN总线承载着大量的数据和信息的传输任务。一旦传输过程出现问题,便会引发一系列的连锁故障,严重时甚至可能导致整个网络系统的崩溃。
在这些故障症状中,仪表板显示异常是最常出现的情况之一,具体表现如附图所示。

在检修过程中,首要步骤是详细观察并了解具体的故障表现。随后,结合网络结构图进行初步分析,推测可能导致故障的原因。接着,利用专业的诊断工具进行深入诊断,根据诊断结果制定出精确、有针对性的检修方案,确保心中有数、目标清晰。
随后,我们需进一步查找故障的具体位置和原因,结合适当的检测方法和实际测量数据,精确定位故障点,从而确保故障得到全面、彻底的解决。
鉴于CAN网络采用多样化的协议,每个控制模块的端口在正常工作状态下都维持着标准的电压值。因此,我们可以利用电压测量法来判断线路是否存在对地或电源短路、相线间短路等潜在问题。
为了确认CAN H或CAN L导线是否受损或信号状态是否正常,我们可以测量其相对于地的电压值(即平均电压)。通常,测量点会选择在OBD诊断接口处,具体的位置可参照附图所示。

诊断接口的6号针脚专门用于连接CAN H导线,而14号针脚则用于连接CAN L导线。若诊断接口上连接了两组CAN总线,那么6号和14号针脚将用于动力CAN总线,而3号和11号针脚则专属于舒适总线。有关诊断接口针脚的具体含义,可参照附图进行了解。

在正常情况下,一旦CAN总线被唤醒,其电压值会呈现特定的状态。具体来说,CAN H导线相对于地的电压应稳定在大约2.656V,而CAN L导线相对于地的电压则约为2.319V。值得注意的是,这两个电压值相加,其总和应为4.975V,这是CAN总线正常工作时的标准电压表现。
正常的CAN H 电压
正常的CAN L 电压
CAN故障的常见原因主要包括CAN线发生短路、与电源发生短路、与地线发生短路,以及线路之间的接反等情形。
当CAN H与CAN L发生短路时,CAN网络会立即关闭,从而阻断所有的通信功能。同时,系统会记录并显示相应的网络故障码,以便进行故障排查。关于CAN H与CAN L短路的总线波形,可参照附图进行了解。

当CAN H与CAN L发生相互短路时,CAN电压将稳定在隐性电压值附近,大约为2.5V。在实际测量中,若发现两条CAN导线的电压始终维持在2.5V左右,且几乎不发生变化,这通常表明存在短路问题,具体波形表现如下所示。

故障排除的步骤如下:首先,通过逐一插拔CAN总线上的控制模块(节点),我们可以判断短路问题是由节点本身引起的,还是由导线连接不良导致的。
在排查过程中,我们需要逐个断开每个节点。如果在断开某个节点后,电压恢复正常,那么就可以确定是这个节点存在问题。然而,如果断开所有节点后,电压仍然保持不变,那么就可以初步判断是线路本身发生了短路。
通过这种方法,我们可以较为准确地定位到故障点,为后续的修复工作提供有力的支持。

在实际测量中,若发现CAN H 的电压值为12V,同时CAN L 的电压被提升至大约11V,这通常意味着CAN H 对电源发生了短路故障。关于CAN H 对电源短路的CAN H 电压表现,可详细参考附图。

当CAN H 发生对电源短路时,CAN L 的电压状态也会受到影响,具体表现如附图所示。通过该图,我们可以清晰地观察到CAN L 电压在CAN H 对电源短路时的变化情况。

故障原因的分析如下:若排除了CAN H 导线对外部电源的短路可能性,那么故障很可能是由于控制模块内部的CAN收发器损坏所致。对于此类故障的查找,我们可以采用与前述相同的方法进行操作。

在实际电压测量中,如果发现CAN H 和CAN L 的电压均接近0V,并且排除了断路的可能性,那么这通常意味着出现了CAN H 对地短路的故障。关于CAN H 对地短路时CAN H 的电压表现,可以详细参考附图以获取直观认识。

CAN H 对地短路的CAN L 电压如下图所示。

对于故障原因的探究,如果排除了CAN H 导线与外部地线短路的可能性,那么故障很可能源自控制模块内部的CAN收发器损坏。此时,故障查找的方法可以参照之前的步骤进行。
当出现CAN L 对地短路这种故障时,虽然CAN总线的容错特性通常会导致整个网络陷入无法通信的状态或触发相关故障码,但某些特定车系,比如海马车系,其CAN L 对地短路的容错能力较强。这意味着即使发生这种故障,车辆仍能够基本保持正常使用,从用户角度可能难以察觉明显的异常。然而,从诊断角度来看,这种故障会对网络传输速度造成一定影响。
在故障发生时,CAN L 的电压会降至接近0V。同时,CAN H 线的隐性电压也会受到影响,降低至0V附近,但其显性电压基本保持不变。因此,总线波形会出现拉长的情况,尽管如此,数据仍然能够传输,这正是CAN L 对地短路时容错特性较好的原因所在。
关于CAN L 对地短路的总线波形具体表现,建议参考附图以获得更为直观的理解。

实际测量CAN导线电压,若CAN L 电压为0V,CAN H 为1V左右,则说明出现此类故障。CAN L 对地短路的CAN L 电压如下图所示。

CAN L 对地短路的CAN H 电压如下图所示。

故障原因:如果不是CAN-L导线对外部地线短路引起的,那么这种故障是控制模块内部的CAN收发器损坏造成的。故障查找方法同上。

实际测量CAN导线的电压,若CAN L 和CAN H 导线电压都约为12V,则说明出现此类故障。CAN L 对电源短路的CAN L 电压如下图所示。

CAN L 对电源短路的CAN H 电压如下图所示。

故障原因:如果不是CAN L 导线对外部电源短路引起的,那么这种故障就有可能是控制模块内部的CAN收发器损坏造成的。故障查找方法同上。

当出现故障的控制模块配备有终端电阻时,我们可以采用电阻测量法来辅助诊断。具体操作是测量诊断接口上CAN H 与CAN L 之间的电阻值,如果发现电阻变为120Ω,那么这通常意味着有一个终端电阻发生了断路。若出现故障的控制模块并不配备终端电阻,那么我们需要检查该控制模块所连接的CAN导线的导通情况。
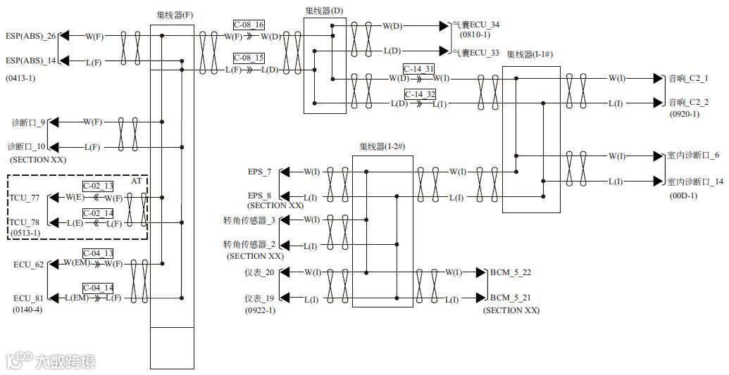
为了快速判断故障是否由特定控制模块本身引起,可以尝试替换涉及故障码的控制模块。此外,为了更准确地定位断点,我们需要结合网络图进行分析,因为网络中会布置相应的总线集线器。断点的位置不同,受影响的部件也会有所差异,同时也会影响诊断仪能够正常诊断的控制模块范围。关于CAN网络与集线器的分布情况,请参照附图进行了解。

当某个控制模块的CAN L 导线发生断路时,尽管其他控制模块间的通信不受影响,但该特定控制模块将无法进行通信。同时,其他控制模块有可能检测到这一故障模块并生成相应的故障码。若多个控制模块的CAN L 导线均发生断路,那么这些控制模块的通信功能均会遭受影响。
针对带有终端电阻的故障控制模块,我们可以采用电阻测量法进行诊断。通过测量诊断接口上CAN H 与CAN L 之间的电阻值,如果发现电阻变为120Ω,则表明有一个终端电阻发生了断路。而对于不带终端电阻的故障控制模块,我们需要检测该模块CAN导线的导通性。关于CAN L 断路的总线波形表现,请参照附图以获取更直观的了解。

通过替换涉及故障码的控制模块,我们可以迅速判断该控制模块本身是否为故障源头。同时,为了更精确地定位故障断点并找到原因,我们需要结合网络图进行详细的分析和排查,以确保故障得到彻底解决。
当CAN L 与CAN H 导线出现相互接反的故障时,通常会导致接错的那个控制模块失去通信能力,而网络中其他控制模块的通信则不会受到影响。关于CAN L 与CAN H 导线互相接反的具体示意图,请参照附图以获取直观了解。

为了确认是否存在CAN导线故障,我们可以在疑似有问题的控制模块的CAN导线针脚处测量其电压,检查是否处于正常范围内。同时,结合CAN网络图仔细核对线路连接情况,以便准确判断是否存在此类故障。
一旦确定存在故障,我们需要对CAN网络进行修复工作。此外,为了快速判断故障是否由特定控制模块引起,可以考虑替换涉及故障码的控制模块,并观察故障是否得到解决。
产品询价 / 设备体验
189 2644 3017
0755 2658 3671


