
引言
在智能设备深度融入生活的今天,手机电量告急的“红色预警”足以让无数人陷入焦虑——无论是通勤导航、长途自驾,还是紧急联络,车载充电已成为现代车主的刚需。然而,传统车载充电方案常因功率不足、接口单一或兼容性差等问题,让充电体验大打折扣:充得慢、充不进,甚至因电压不稳损伤设备,安全隐患暗藏。如何选择一款高效、安全、全能的车载USB有线充方案,答案不仅关乎充电速度,更需兼顾多设备协议、智能防护与车舱场景的适配性,聚焦三大核心需求:快充性能、安全保障、实用设计。结合实测数据与真实场景,为您推荐优秀高品质快速的车载充电方案,让每一次出行都告别“电量焦虑”,真正实现“上车即充,下车满电”的从容体验。
由于车规级芯片的高安全、高可靠、高稳定性的严苛要求,研发难度及周期都大大超过消费及工业芯片。目前市面上车规级的USB快充芯片很少。但英集芯自2014年成立起就专注于高性能、高品质数模混合芯片设计,近期推出了多款车规级USB快充芯片,不仅集成度高,性能优秀,已经在多家车厂进行了测试和量产,包括不限于五菱、比亚迪、奇瑞、长安、吉利、长城、理想、东风、一汽和现代。
英集芯 IP6520_Q1(集成多种快充输出协议的降压SOC)
首先,第一款是IP6520_Q1,集成快充协议的同步开关降压转换器 ,内置功率MOS。符合AEC-Q100标准要求,Grade 2:-40℃~ +105℃ ;
特性:
输入工作电压范围:7.3V到29.5V
输出电压范围:3V-12V
集成输出电压线补功能
输出具有CV/CC特性
VIN=16V,VOUT=5V/3A,板端转换效率为93.2%
支持Type-C输出接口和USB PD协议
支持5V、9V、12V电压输出
支持PD2.0/PD3.1/PPS输出协议
PPS支持3V-11V,20mV/step电压输出
输出快充协议
支持Type-C口的PD输出协议
支持BC1.2和Apple协议
支持QC2.0,QC3.0,QC3+输出快充协议
支持AFC输出快充协议
支持FCP输出快充协议
多重保护、高可靠性
输入过压、输入欠压
输出短路、输出过流保护
过温保护
DP/DM/CC过压保护
HBM ESD 2KV
应用原理图如下:
IP6520_Q1的车载充电方案可以覆盖15W-27W的需求,同时IP6520_Q1高度集成,采用全集成 SoC 架构,内置功率 MOS、同步降压控制器以及协议识别模块,全球首创无需路径 MOS,将芯片外围的元器件数量降至最低,仅需 7 颗阻容元件 + 1 颗电感,即可实现 18W PD3.0 认证,能有效节省 BOM 成本和 PCB 空间,简化 PCB 设计,非常适合小尺寸车载充电器等产品的开发。实物图如下:
IP6520_Q1实物图1
IP6520_Q1实物图2
IP6529_Q1是英集芯另一款降压芯片,支持最大45W输出功率,集成多种快充输出协议。其简洁外围设计配备I²C控制器,可通过外部MCU读取相关信息并重新配置PDO,支持PD3.1/UFCS等多种快充协议,降压转换效率高达92.7%,输入电压范围7.3V到32V,输出电压范围3V到21V。具备CV/CC特性和多重保护功能,内置12-bitADC,可精确测量电压、电流和温度。此外,还具备软启动功能,有效提高系统稳定性,采用QFN24封装,适用于USB PD快充适配器等场景。
特性:
内置功率MOS
输入工作电压范围:7.3V-32V
输出电压范围:3V-21V
集成输出电压线补功能
输出具有CV/CC特性
VIN=24V,VOUT=5V/3A,板端转换效率为92.7%
支持Type-C输出接口和USB PD协议
支持5V、9V、12V、15V、20V电压输出
支持PD2.0/PD3.1/PPS输出协议
PPS支持3.3V-21V,20mV/step的电压输出
快充输出协议
支持Type-C口的PD输出协议
支持BC1.2和Apple协议
支持QC2.0,QC3.0和QC3+输出快充协议
支持AFC输出快充协议
支持FCP输出快充协议
支持UFCS输出快充协议
多重保护、高可靠性
输入过压、输入欠压
输出短路、输出过流保护
过温保护
DP/DM/CC过压保护
CC直流耐压25V
HBM ESD 2KV
应用原理图如下:
IP6529_Q1其超小的QFN24(4mm×4mm)封装设计不仅节省了空间,还有助于优化散热与接口布局,使充电器设计更具灵活性。经过UFCS融合快充认证,已成为符合中国融合快充标准的优秀代表。实物图如下:
IP6529_Q1实物图1
IP6529_Q1实物图2
英集芯 IP6591_Q1+IP2727_Q1(集成同步 BUCK-BOOST 升降压功率NMOS 驱动+车规级快充芯片
英集芯IP6591_Q1是一款通过AEC-Q100 Grade 2认证的高效同步升降压控制器,专为车载电源系统设计,具备以下核心优势:
支持IIC通信与FB分压双模调压,输出电压3V-21V灵活可调
宽输入电压范围5V-36V,兼容12V/24V车载电池系统
同步开关效率高达93%(VIN=12V,5V@3A输出)
集成CC/CV输出特性与多重保护机制(过流/欠压/短路/过温)
QFN40L(5×5mm)紧凑封装,满足车规级可靠性要求
与IP2727_Q1协同的车载PD充电方案:
IP6591_Q1与IP2727_Q1协议芯片深度适配,可构建完整的车载USB Type-C PD
快充解决方案:
方案拓扑:IP6591_Q1负责宽电压转换,IP2727_Q1实现PD3.0/QC4+协议握手
典型应用:12V铅酸电池系统输出5V/9V/12V/15V/20V多档PD快充
DEMO特性:支持100W最大输出,效率>90%,-40℃~105℃全温域工作
技术参数概览:
输入电压范围:5V-36V
输出电压范围:3V-21V(IIC调节)/ FB分压模式
开关频率:350kHz(典型值)
输出电流能力:5A(CC模式)
保护功能:输入欠压/输出过流/短路/过温保护
工作温度:-40℃~+105℃
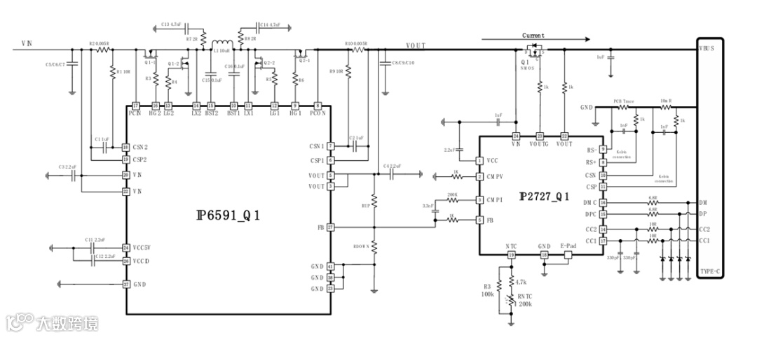
应用图原理如下:
IP6591_Q1 搭配IP2727_Q1的工作原理图
(注意:Q1推荐采用Vds耐压在30V以上的NMOS功率管,CMPI组成的补偿网络电阻电容值是推荐值,根据实际情况调整。)
IP6591_Q1与IP2727_Q1的搭配不仅能解决车机的数据传输要求也同时满足了收集USB快充的需要,实物图如下:
IP6591_Q1+IP2727_Q1实物图1
IP6591_Q1+IP2727_Q1实物图2
英集芯 IP3622_Q1(车规USB2.0 HUB芯片)
IP3622_Q1 是英集芯一款符合 USB2.0 规范的 USB2.0 高速 4 端口 HUB 控制器。它完全向后兼容 USB1.1 规范。IP3622_Q1 集成了 USB 2.0 高速 PHY,具有良好的信号完整性和兼容性。它还集成了 5V 至 3.3V 和 3.3V 至 1.2V 稳压器,可降低 BOM 成本并简化 PCB 设计。IP3622_Q1 支持所有下游端口的电池充电功能。它符合 USB 电池充电规范修订版 1.2。IP3622_Q1 支持 OTG 功能,可通过 IO 或 USB 主机控制。任何连接到上行或下行端口的 USB OTG 设备都可以配置为单个 USB 主机IP3622_Q1集成 2 个 Type-C 源端口和 VBUS0/VBUS1 放电功能。IP3622_Q1支持 USB 桥接器,IIC/SPI/UART/GPIO 可通过 USB 主机控制。
特性:
1、符合AEC-Q100 认证
Grade 2: -40℃ ~ +105℃
2、符合USB 2.0 规范
上游端口支持高速和全速流量。
4 个下游端口支持高速、全速和低速流量。
控制管道和1 个中断管道
向后兼容USB 1.1 规范
3、高级电源管理和低功耗
支持 USB2.0链路电源管理(LPM)L0/L2模式
符合 USB 电池充电规范修订版 1.2
支持 BC1.2 下游端口充电(CDP)模式
支持 BC1.2 专用充电端口(DCP)模式
支持 OTG 功能
支持 USB 到 IIC/SPI/UART/GPIO 桥接
支持 Type-C 功能
支持 2 个 Type-C 源端口
支持 VBUS 放电
4、可配置选型
支持 EFUSE 配置
支持外部EEPROM 用于配置
支持从SPI 闪存启动
5、更低的BOM成本
单个外部12 MHz晶体
内置上游端口1.5KΩ上拉电阻和下游端口15KΩ下拉电阻
内置 5V 至 3.3V 和 3.3V 至 1.2V 调压器
Package:6×6 mm QFN48

结语
在瞬息万变的出行时代,每一次充电都是与时间的博弈。完善快捷的车载USB 有线充方案,以极速快充打破续航焦虑,用智能防护守护旅途安全,让每一次出发都底气十足。我们希望共同打造更舒适的车内舒适环境,更智能的人车交互系统,也致力于让国产芯方案成为选择的主流!
-
关于杰恒芯科技 杰恒芯科技专业代理汽车级芯片,可提供一站式国产车规芯片解决方案,总部设深圳苏州设立子公司(IDH),天津、合肥均有办事处,专业Sales及FAE团队约40人。自2018年开始专注服务汽车前装客户以及高可靠性工业控制客户,主要签约车规品牌有:杰发、旗芯微、泰矽微、旋智、小华、航芯、瓴芯、稳先微、英集芯、鸿翼芯、融慧、赛卓、真茂佳、华羿微、荣湃、蓝箭、誉磁、奥华等;芯片功能涉及:MCU、电机控制SOC、高低边开关、电源芯片、快充协议芯片、HUB芯片、H桥、预驱、收发器、传感器、MOS、隔离、保护器件、EMC方案、连接器等中高端车规芯片;与部分Global及国内知名Tier1积累了稳定密切的合作关系,所供应芯片已广泛应用于:车身控制、智能座舱、自动驾驶、动力域及底盘安全域等;卓荦为杰,行必有恒,专注车规芯,立志为助力汽车电子国产化谱写新辉煌!!
联系方式
苏州:张锡鹤 17748585657
天津:刘 煦 18253702225
合肥:刘国铧 15615165996
深圳:穆 鹏 13266848566
www.jh-micro.com
深圳市南山区茶光路波顿科技园A座909

