引言
随着智能手机、平板电脑等移动设备的普及,车载无线充电成为了现代驾驶生活中不可或缺的功能之一。车载无线充电不仅为驾驶者提供了更加便捷的充电方式,同时也减少了传统充电线缆的凌乱,提升了车主的驾驶体验。在选择车载无线充电方案时,性能、兼容性、稳定性及安全性都是需要重点考虑的因素。目前市场上有多种车载无线充电方案,涵盖了从基础充电功能到智能调节、温控管理等多种技术应用。这些方案不仅满足了智能设备快速充电的需求,也在设计上做到了与车载环境的完美融合,提供了一种更为智能和舒适的车内体验。
本文将探讨车载无线充方案以及其芯片的国产选型,旨在为车载无线充的应用提供参考,推动汽车充电技术的进一步发展,详情参考如下:

基于AC7805x or FC4150x的车载无线充主要节点框图
车载无线充的应用为车内电子设备充电的空间整洁、使用便利、多方面兼容和整体美观提供了保障,其主要功能是通过电磁感应原理,无需使用充电线连接设备,只要将支持无线充电的手机或其他设备放置在充电区域内,就能自动开始充电,为用户提供便捷的充电体验,摆脱线缆的束缚。该方案设计通常涉及多个关键器件,以下是主要器件的详细功能介绍:
主控制器(MCU):MCU是整个无线充电系统的“大脑”,负责控制、监控和协调不同部分的工作。包括控制电源的开启、停止和调节,确保电流、电压等参数在安全范围内;进行信息安全加密,防止过温、过充和篡改,与外部车机模块通讯;根据充电设备调节输出功率等等。
DC-DC电源:即直流-直流变换器 ,分为BUCK(降压)、BOOST(升压)、BUCK-BOOST(升降压)三种基本结构。方案中BUCK-BOOST作用是在不同车辆电池电压下(12V、24V、48V)保持各工作模块有稳定的输入电压,BUCK则是在稳定输入电压的基础上降压到部分模块所需要的更低工作电压,保障整个车载无线充系统的稳定并提高充电效率。
低压差线性稳压器(LDO):LDO主要负责为无线充电系统的各个模块提供稳定、精确的电压,提高系统的稳定性与可靠性,提高充电效率。LDO的低压差特性使其非常适合在有限空间内使用,并且能够避免复杂的开关电源设计。与传统的开关稳压器相比,LDO设计更简单,体积更小,因此非常适用于车载无线充电系统的设计。
运算放大器:运算放大器在车载无线充电系统中主要用于信号处理、反馈控制和电源管理等关键环节。具体是用于放大信号,作过流检测,能够有效提升无线充电系统的效率、稳定性和安全性。
MOSFET(场效应晶体管):主要用于功率开关、信号调节、效率提升和保护等多个方面。因其高速开关特性、低导通电阻以及较高的电流承载能力,成为无线充电系统中不可或缺的核心组件。用于控制电流的流动,从而实现电压的升压或降压。通过控制MOSFET的开关状态(开启或关闭),无线充电系统可以精确地调节输出功率,满足不同电池或设备的充电需求;同时选择合适的MOSFET可以有效提升系统的长期稳定性和性能。
- Security IC(安全芯片):可以确保充电系统安全性、数据保护、身份验证以及防止电池损坏等关键功能的核心组件。随着车载无线充电技术的普及,安全芯片在防止电池过充、过放、抗篡改、无线充电数据的加密保护等方面发挥着重要作用。同时也起到身份认证与授权、数据加密与保护、防止过充、过放保护、充电协议与标准遵循等等作用。
车载无线充方案国产芯片推荐

杰发|AC7840x系列(主控制器)

AC7805x系统资源框图
旗芯|FC4150Fx系列(主控制器)
苏州旗芯微半导体有限公司成立于2020年10月,基于ARM Cortex M4、M7等系列架构构建面向汽车不同应用场景的高性能、高可靠性的片上系统,开发智能汽车高端控制器芯片。通过采用自研IP,多核锁步等技术以及车规芯片的六西格玛模拟电路设计流程,设计出覆盖安全标准ISO26262ASIL-B至ASIL-D的全系列产品家族。公司产品均满足车规AEC-Q100、功能安全标准ISO26262以及各项车规可靠性测试,可广泛应用于车身、中控、域控、底盘、安全、动力、电池管理等领域。
FC4150产品家族是一款高性能ASIL-B车规级MCU,专为车身智能控制应用设计。它基于Cortex-M4F内核,具备DSP指令集和浮点运算单元(FPU),并内置8KB指令Cache。该MCU的工作频率高达150 MHz,支持ASIL-B功能安全等级,并配备HSM硬件加密引擎。该系列芯片提供高达2 MB的Flash、256 KB的D Flash以及高达256 KB的带ECC的SRAM,满足各种存储需求。它还拥有丰富的外设和通讯接口,包括内置支持IEEE1588和AVB的10/100Mbps以太网接口,以及6个FlexCAN模块,其中部分支持CAN-FD和PNET。产品已通过AEC-Q100 Grade 1等级认证,确保其可靠性和安全性。
FC4150x系列产品具有高主频、丰富的存储资源、出色的运算加速,并具备多种安全机制,支持以太网通信(部分型号),适用于广泛的汽车应用场景,在本地化服务方面具有优势。

FC4150Fx系统框图
FC4150Fx系列选型如下:

瓴芯|LN10x43、LN20x45(电源DCDC/LDO)
瓴芯电子科技(无锡) 有限公司,成立于 2017 年,产品包括开关稳压器(DCDC), 线性稳压器(LDO),多路集成电源,LED 驱动和高边开关。在国内外知名车 厂>40 家量产,零部件供应商>200家量产,产品出货超2亿颗。拥有57个发明专利14个全球专利),10个实用 新型专利。实施全流程车规体系,对车规的理解与管 控贯穿于芯片定义到售后支持的整个生命周期。对任何环节的任何质量问题,快速反馈,高效迭代,持续优化。致力于高质量、高可靠性、0DPPM 的车规目标。
LN20542Q是一款超低静态电流,低压差线性稳压器(LDO),具有2.75V至42V的宽输入电压范围。输出固定5V,输出电流最高达200mA。静态电流在关断时小于1μA,而在空载条件下,静态电流小于5.5μA。其是微处理器(MCU)应用的理想选择,它具有耐高压EN引脚,可直接由VIN或逻辑信号驱动。同时它具有过流保护,过温关断和自动重启的保护功能。采用带有散热增强型焊盘的MSOP8-EP或DFN8封装。
瓴芯LN20x42Q典型应用图
LN10161Q 是一款高效、紧凑的同步降压 DC-DC 转换器,采用恒定频率、峰值电流模式控制架构和内部补偿。它采用 3.5V 至 60V 的输入电压工作,并集成了输出能力高达 0.6A/1A/1.5A 的高压侧和低压侧功率 MOSFET。标称开关频率固定在 400kHz、1MHz 或 2.1MHz,或者可以与外部时钟同步。轻负载时自动折频,提高效率。带有 VOUT 引脚的提供 3.3V 或5V 的固定输出,可实现更高的输出精度、最少的外围元件数量以及更低的静态电流和更高的系统效率。带有 FB 引脚的提供从 1V 到 VIN 的可调输出电压。精密使能、电源良好指示器和内部软启动等附加功能为广泛的应用提供了灵活易用的解决方案。全面的保护功能包括输入 UVLO、过温关断、逐周期电流限制和短路保护。

瓴芯LN10X61Q典型应用图
瓴芯电子的电源芯片产品凭借高性能参数、优秀可靠性与稳定性、低功耗特性和灵活的应用场景成为了国内安全电源产品中的出色选择,也是我们主推的电源芯片品牌。
英集芯|IP6591(Buck-Boost)
深圳英集芯科技股份有限公司,于2022年4月19日正式登陆上交所科创板,股票简称:英集芯;股票代码:688209。公司成立于2014年11月20日,是一家专注于高性能、高品质数模混合芯片设计公司,主营业务为电源管理芯片、快充协议芯片的研发和销售。英集芯持续推出高性价比的智能数模混合芯片,提供的电源管理芯片和快充协议芯片广泛应用于移动电源、快充电源适配器、无线充电器、车载充电器、TWS耳机充电仓等产品。
IP6591 是一款集成4个NMOS驱动控制器的同步升降压BUCK-BOOST,是专用于车载充电和快充的电源;IP6591 支持的输入电压范围4V~36V,输出电压范围3V~36V;集成I2C,可通过FB反馈电阻调整输出电压;P6591 集成有输入输出电流环路,可以通过pin 选电阻设置输入输出限流;IP6591 集成有I2C接口;IP6591内置 14bit ADC,可通过 I2C 获取。

英集芯IP6591应用原理图
英集芯的芯片产品具备高集成度、高可定制化程度、高性价比、低可替代性的特点,能够缩短客户成品方案研发周期,简化客户产品生产过程,提升产品良率和可靠性,从而帮助客户优化成本并满足多样化的需求。同时发挥自身在电源管理芯片和快充协议芯片领域的研发及设计优势,持续推出具有市场竞争力的芯片及配套解决方案,进一步提升产品的品牌知名度,不断拓展应用领域及下游客户覆盖范围,和众多知名品牌包括小米、OPPO等厂商都有密切合作。
矽力杰|SA2300/SA21340
矽力杰坚持自主创新,布局全球,做模拟芯片行业的技术领跑者,十数年保持年成长率超过30%。主要产品包括:直流转换芯片,交直流转换芯片,多路电源管理芯片,LED照明芯片,电池管理系统芯片,光感,马达驱动,音频功放,电源模块,保护开关,静电保护,电表计量芯片及信号链芯片解决方案。
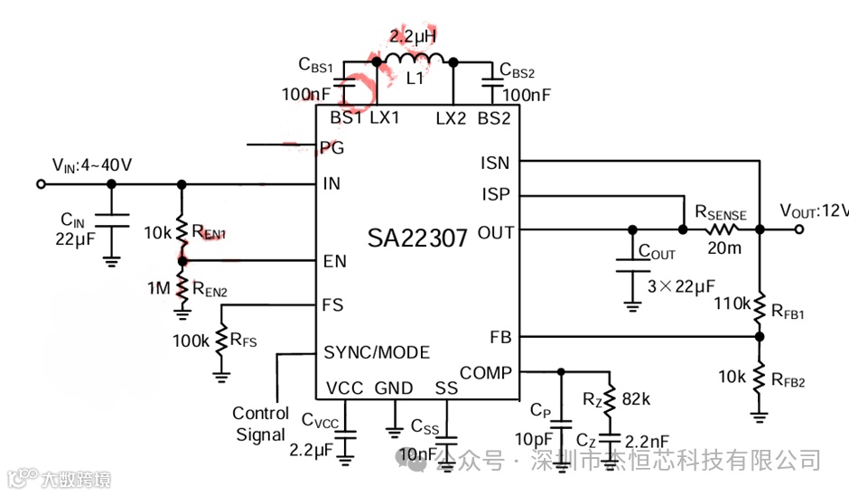
SA22307TVA是一款高压同步 Buck Boost 转换器。该器件可在 4V 至 40V 的宽输入电压范围内工作。SA22307 在轻负载条件下提供 PSM 和 FCCM 两种作模式。四个集成的低 RDS(ON) 开关将导通损耗降至最低。SA22307具有外部软启动、使能控制、漏极开路电源良好指示器和 1uA 关断电流。该SA22307还包括全面的保护功能,例如输出过流限制保护、短路保护、过压保护和热关断,以实现可靠运行。该器件采用紧凑的 QFN5×5-30 封装。

矽力杰SA22307TVA应用原理图
矽力杰采用行业领先的工艺技术,设计创新的混合信号及模拟芯片,产品广泛用于汽车,工业,消费类,云计算和通信设备中。始终致力于为客户提供更高性能,更高可靠性的模拟芯片解决方案,其有着丰富的量产案例和服务经验。
真茂佳| ZMSA052N06N(MOSFET)
深圳真茂佳半导体有限公司是一家拥有自主知识产权且掌握先进功率器件设计和封测特色工艺的高新技术企业。公司顺应新能源汽车电子电气化架构和车规级功率半导体技术的发展,在真茂佳车规九大中低压电压平台行生的不同封装形式和诸多应用领域成功案例的加持下,将持续打造值得客户信任的高可靠性"ZMJ”中低压车规MOSFET产品系列解决方案。目前客户群体已覆盖20+OEM汽车品牌,累计出货量达数亿颗级别,产品种类包括200+车规MOSFET为全球Iop级的车规中低压车规MOSFEI方案提供商。
ZMSA052N06N是60V的MOSFET,Rds(on)可达5.2mΩ,电流能力支持80A,并将先进的沟槽式 MOSFET 技术与低电阻封装相结合,提供了极低的 RDS(ON),同时采用超深沟槽设计,屏蔽栅极与源极短接,屏蔽掉了大部分Qgd电荷,大大降低器件的米勒电容,有效提升器件的开关速度,开关损耗更低,沟槽深度加深降低导通电阻,导通损耗更低。

真茂佳ZMSA052N06N内部结构体
真茂佳也是国内量产车规MOSFET种类最多目连续出货时间最长的民族品牌。公司在工业、消费类和PC类有将近千种低中高压系列产品,涵盖多种封装形式,性能达到世界一流水平。公司在国内建有车规级和工规的应用实验室、可靠性实验室目通过CNAS认证,持续服务客户的工程应用和市场需求。
华羿微| HYA040N06LS1D(MOSFET)
华羿微电子股份有限公司成立于2017年6月28日,注册资金4.15亿元,是华天电子集团旗下专业从事半导体功率器件研发设计、封测和销售的高新技术企业。公司位于西安经开区尚稷路8928号,占地面积200.8亩。公司通过自主创新、技术积累和市场拓展,现形成了以领先晶圆研发设计和一流封测工艺为核心竞争力的业务体系。自研产品以20V—150V的中低压MOSFET为主,分为抗冲击能力突出的Trench(沟槽型)MOSFET和具备高频、高动态特性的SGT MOSFET(低屏蔽栅沟槽型)两大系列,已量产的产品达到400余种,广泛应用于电动车、汽车电子、5G基站、电动工具、储能、消费电子等领域,特别是在电机驱动、电池储能领域拥有较高的市场占有率;封测产品主要有TO-220、TO-220F、TO-262、TO-263、PPAK、DPAK、IPAK、TO-3P、TO-247、TO-264、IPM等11大系列,共计约60余种封装外形,产品覆盖各功率段的二极管、三极管、MOSFET、超结MOSFET、IGBT等分立器件和模块。
HYA040N06LS1D此器件为60V、4.5mΩ、TO-252-2L封装产品,采用SGT流片工艺,该器件可用在锂电保护、DC-DC等应用领域。具有低内阻、符合RoHS标准100% DVDS测试和100% UIL测试 要求的特点。

华羿微HYA040N06LS1D 内部结构图
华羿微电子公司拥有自主核心技术,自主产品的关键技术指标已达到行业领先水平,并具有较强的持续创新能力和产品应用设计研发能力,能够为客户提供高质量、高可靠性、大功率的功率器件产品及全方位的技术支持、售后服务工作。2023年产品获得了中国芯“芯火新锐产品”奖,同年,获得由中国合格评定国家认可委员会颁发CNAS认证。
帝奥微| DIO85571(运算放大器)
江苏帝奥微电子股份有限公司是一家专注于从事高性能模拟芯片的研发、设计和销售的集成电路设计企业。坚持“全产品业务线”协调发展的经营战略,持续为客户提供高效能、低功耗、品质稳定的模拟芯片产品。信号链模拟芯片和电源管理模拟芯片两大系列,主要应用于汽车电子、消费电子、通讯设备、工业以及医疗器械等领域。产品具有600余款型号,2023年销量已超10亿颗。
DIO85571 是一个具有极低噪声、低电压和低功率作的放大器。
DIO85571具有6MHz的高增益带宽积,3.6V/μs的转换速率,在5V典型值下每个放大器的静态电流为350μA。其旨在为低电压和低噪声系统提供最佳性能,所有这些芯片都为重负载提供轨到轨输出摆幅。输入共模电压范围包括接地,最大输入偏移电压为 3.5mV。它们在扩展的工业温度范围(-40°C 至 +125°C)内指定。其工作范围为 2.5V 至 5.5V。

帝奥微 DIO85571 引脚分配图
帝奥微核心管理团队均拥有超过十五年的从业经验。产品性能行业领先:自成立以来,一直专注研发超低功耗及高精度运算放大器元件、高效率电源管理元件等多项产品均属于行业内前沿产品,深受各大主机厂、Tier1、Tier2信赖,致力于以卓越的技术水平、高标准的产品质量和引领行业发展的精神方向,为全球客户提供高价值的双赢解决方案。
航芯| ACL16(安全芯片)

航芯ACL16 选型表
上海航芯坚持自主研发,取得了一系列具有自主知识产权的成果和产品,在核心架构、算法实现和系统集成等方面拥有多项核心技术专利。公司系列产品通过了商密二级、EAL4+、EAL5+、车规级AEC-Q100等认证,并获得了国家重点集成电路设计企业、工信部专精特新小巨人企业、上海市科技小巨人企业、上海市专利试点企业、中国芯最佳市场表现产品奖等一系列荣誉。
结语
在如今的智能时代,车载无线充电方案为车主们提供了更便捷、更高效的充电体验。无论是长途旅行还是日常出行,无线充电的快速便捷都能让设备时刻保持电量充足,不再为电池焦虑。随着技术的不断发展,车载无线充电将逐步成为汽车配件的标配,提升了驾驶的智能化和舒适度。合适的车载无线充电方案,可以让出行更加顺畅无忧,体验智能生活的无限可能。
如果您对车载无线充方案有任何疑问或想了解更多相关内容,请关注我们的公众号或留言与我们互动。让我们一同探索车内快捷、安全、高效充电的新篇章!
-
关于杰恒芯科技 杰恒芯科技专业代理汽车级芯片,可提供一站式国产车规芯片解决方案。总部设深圳,华东、华北均有办事处,专业Sales及FAE团队约40人。自2018年开始专注服务汽车前装客户以及高可靠性工业控制客户,主推车规品牌:杰发、旗芯微、泰矽微、旋智、小华、航芯、瓴芯、稳先微、英集芯、鸿翼芯、融慧、赛卓、真茂佳、华羿微、荣湃、蓝箭、奥华等。产品功能涵盖MCU、电机控制SOC、高低边开关、电源芯片、快充协议芯片、HUB芯片、H桥、预驱、收发器、传感器、MOS、隔离、保护器件、连接器等中高端车规芯片。代理产品已广泛应用于车身控制、智能座舱、自动驾驶、动力域及底盘安全域。与部分Global及国内知名Tier1积累了稳定密切的合作关系;卓荤为杰,行必有恒,专注车规芯,立志为助力汽车电子国产化谱写新辉煌!
联系方式
苏州:张锡鹤 17748585657
天津:刘 煦 18253702225
合肥:刘国铧 15615165996
深圳:穆 鹏 13266848566
www.jh-micro.com
深圳市南山区茶光路波顿科技园A座909

