社群有新朋友提需求:
要低功耗,要Open开发,还要超级小小小……
合宙Air700超小系列模组,满足你的既要还要。
10.5×13.45×1.95mm迷你封装,为极致紧凑的设备设计提供了理想的嵌入式通信解决方案。
该系列包含Air700ECH与Air700ECP两款Open开发主力型号,主要在内存配置与音频功能上有所区分,方便开发者根据成本与功能需求灵活选择。
Air700ECH:
8MB Flash + 8MB RAM;
支持VoLTE/TTS功能;Air700ECP:
4MB Flash + 4MB RAM;
不支持VoLTE/TTS。
除此之外,两款模组在其余软硬件功能上完全一致,降低了开发者的学习与适配成本。需要注意的是:此系列仅支持中国移动运营商(只能选用中国移动运营商的SIM卡)。
二者在管脚上完全一致,事实上,Air700ECP和Air700ECH两款模组使用的PCB是通用的。


▼ Air780ECH/ECP管脚分类 ▼
Air780ECH/ECP有109个管脚,大致可以分为如下几类:
对内供电输入管脚:VBAT;
对外供电输出管脚:VDD_EXT;
开机键管脚:PWRKEY;
开机键管脚:
CHG_DET,有些模组型号资料上也曾写作为CHRG_DET或WAKEUP6,历史原因;复位键管脚:RESET;
下载使能管脚:
USB_BOOT,也常被简称为BOOT;模数转换管脚ADC:
- ADC1;
- ADC2;
- ADC3;
- ADC4;
USB管脚:
- VBUS;
- USB_DP;
- USB_DM;
SIM卡管脚,包括SIM;
VDD_SIM1;
SIM1_DAT;
SIM1_CLK;
SIM1_RST;
天线管脚:
LTE_ANT,4G和WiFi Scan共用;数字IO管脚:
比如GPIO、PWM、UART、OneWire、SPI、I2C、LCD、Camera、CAN接口等;这类管脚因为最常用的功能是GPIO,所以也常被称作GPIO管脚,实际可以复用为多种功能。
Air700ECH与Air700ECP支持合宙LuatOS二次开发方式,秉承合宙产品高集成、低功耗、易开发等优势特色。
二次开发能力:
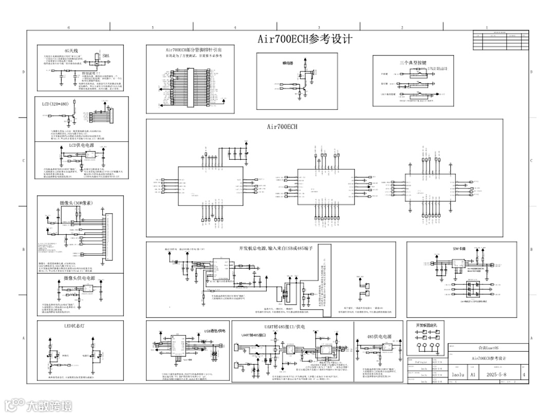
支持LCD(320*480)、摄像头(30W像素)多媒体应用;支持485、232、以太网、CAN、OneWire接口;
支持Modbus工业协议;
支持MQTT、WebSocket、TCP/UDP等等丰富的网络协议…
目前Air700系列硬件手册、GPIO复用表、PCB封装、参考设计原理图等资料已开放,详见合宙资料中心。
最新资料下载:
https://docs.openluat.com/air700ech/product/shouce/



今天的内容就分享到这里了~如果您在物联网开发选型中有任何疑问,欢迎加技术交流群或联络负责人共同探讨。
更多开发资料,详见合宙资料中心:
docs.openluat.com

