▵
点击上方蓝字,关注“绿纽科技”
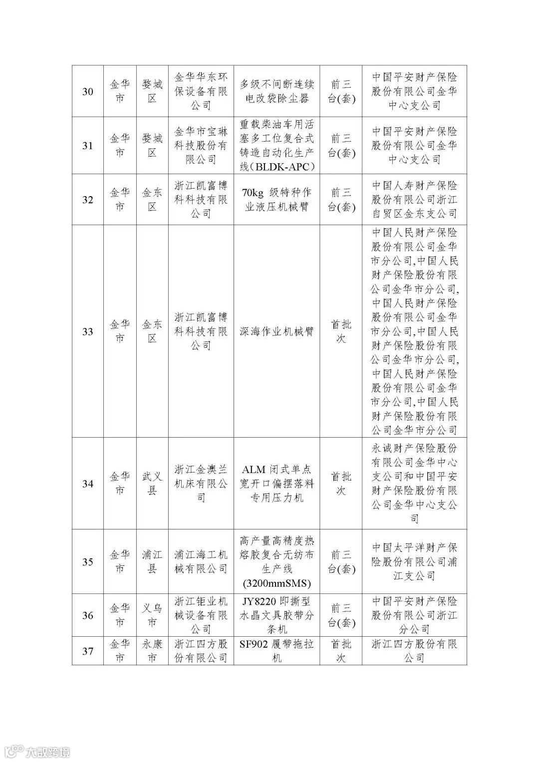
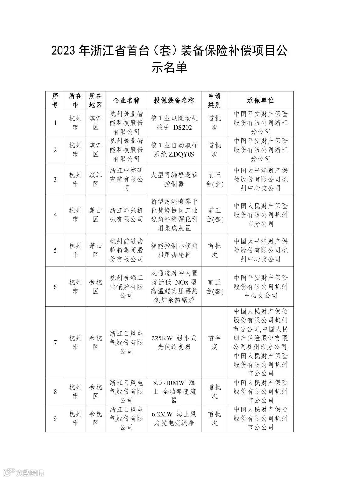
根据省委、省政府关于深入实施制造业首台(套)提升工程的有关要求,我厅联合省财政厅、国家金融监督管理总局浙江监管局开展了2023年首台(套)装备保险补偿工作。经企业申报,各地经信局、财政局、国家金融监督管理总局浙江监管局辖内各监管分局推荐,省经信厅会同省财政厅、国家金融监督管理总局浙江监管局审核,现将2023年浙江省首台(套)装备保险补偿拟补偿项目进行公示,请社会各界监督。
公示时间:2023年11月6日-2023年11月12日
对结果如有意见或异议,可向我们反映。
联系人:
省经信厅装备处 0571-87058343
省财政厅经建处 0571-87058476
国家金融监督管理总局浙江监管局财险处 0571-87189656
省经信厅机关党委(机关纪委)0571-87056763
附表:(点击下方“阅读原文”查看或下载附件)
2023年浙江省首台(套)装备保险补偿项目公示名单
浙江省经济和信息化厅
2023年11月6日
项目申报或政策文件详情请咨询:
陈先生 13588003655
昌女士 18058157735
或微信最下方留言咨询
左右滑动查看更多
▲将我们设为「星标★」才能第一时间收到推送哦

