▵
点击上方蓝字,关注“绿纽科技”
各市、县(市、区)经信局:
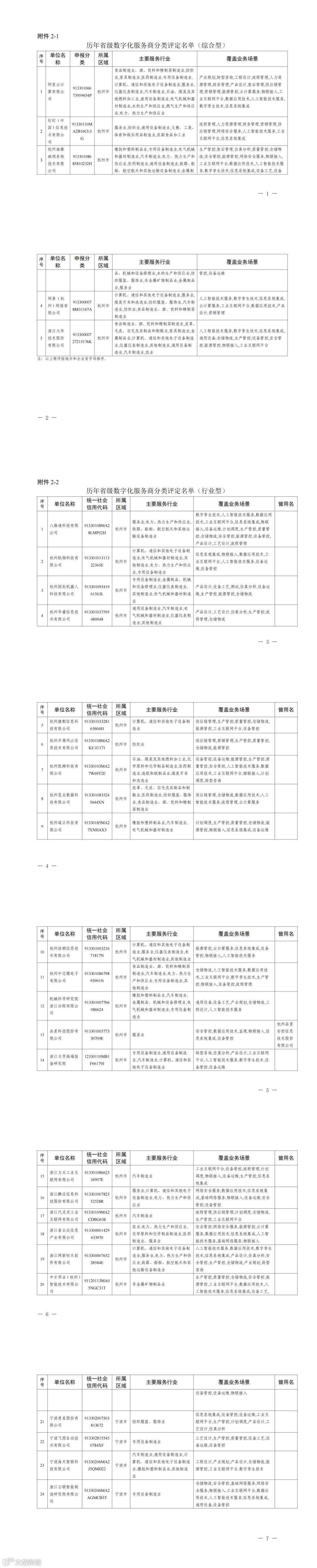
为贯彻省委、省政府关于推进实数深度融合的决策部署,落实《浙江省制造业数字化转型行动方案》,根据《关于组织开展2025年度浙江省数字化服务商分类评定申报工作的通知》要求,经企业自愿申报、地方审核推荐、专家评审和网上公示等相关程序,确定阿里巴巴(中国)网络技术有限公司等2家单位为综合型数字化服务商,杭州云象网络技术有限公司等13家单位为行业型数字化服务商,创业慧康科技股份有限公司等48家单位为场景型数字化服务商;对自愿参加分类评定的历年省级数字化服务商,经企业申报、地市审核推荐、省经信厅复核和网上公示等相关程序,确定阿里云计算有限公司等5家单位为综合型数字化服务商,八维通科技有限公司等32家单位为行业型数字化服务商,杭州安恒信息技术股份有限公司等73家单位为场景型数字化服务商。现对上述数字化服务商名单予以公布。
请各地结合工作实际,进一步畅通数字化转型供需对接渠道,更好发挥数字化服务商赋能工业、农业和服务业数字化转型作用,持续培育壮大浙江省数字化服务商队伍,促进产业高质量发展。
附件:(点击文末“阅读原文”查看或下载附件)
1.2025年度省级数字化服务商分类评定名单.pdf
2.历年省级数字化服务商分类评定名单.pdf
浙江省经济和信息化厅
2025年9月9日
附件1:2025年度省级数字化服务商分类评定名单
上下滑动查看全文
附件2:历年省级数字化服务商分类评定名单
上下滑动查看全文
项目申报或政策文件详情请咨询:
昌女士 18058157735
陈先生 13588003655
或微信最下方留言咨询
左右滑动查看更多
▲将我们设为「星标★」才能第一时间收到推送哦

