▵
点击上方蓝字,关注“绿纽科技”
为更好地引导和推动重点新材料的产业化和规模化应用,在各地经信局和院校推荐的基础上,经初审和专家评审,我厅编制了《浙江省重点新材料首批次应用示范指导目录(2025年版)》,现予公示。
在公示期限内,各相关单位和个人均可通过来信、来电、来访的形式,向浙江省经济和信息化厅反映公示对象存在的问题。
公示时间:2025年8月25日-8月29日。
联系方式:省经信厅材料处,0571-87058139;省经信厅机关党委(机关纪委),0571-87058252。
附件:(点击文末“阅读原文”查看或下载附件)
浙江省重点新材料首批次应用示范指导目录(2025年版).pdf
浙江省经济和信息化厅
2025年8月25日
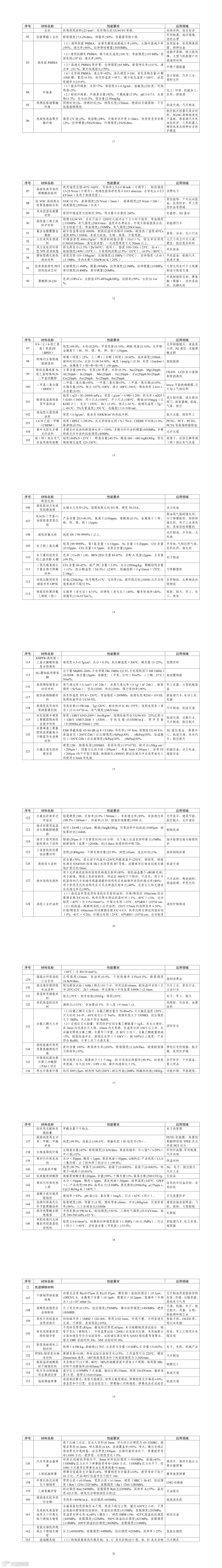
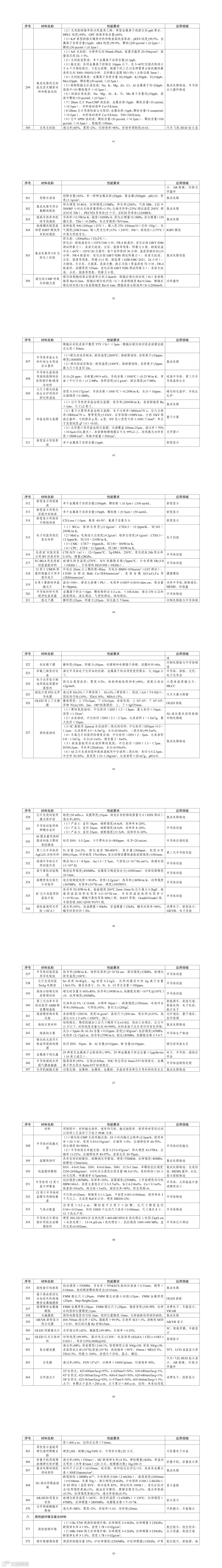
附件:浙江省重点新材料首批次应用示范指导目录(2025年版)
上下滑动查看全文
项目申报或政策文件详情请咨询:
昌女士 18058157735
陈先生 13588003655
或微信最下方留言咨询
左右滑动查看更多
▲将我们设为「星标★」才能第一时间收到推送哦

