The domestic tumble dryer market is currently shifting from a “discretionary product” to a “must-have item”, with its trend focusing on technological advancement, health-oriented functionalities, and scenario-based product applications. Driven by energy-efficient and fabric-friendly heat pump technology, modern products have expanded beyond basic drying functions. They now integrate smart functions such as sterilization and mite removal, intelligent sensing, and garment care. In addition, dual inverter and fully inverter technologies are gradually replacing fixed-speed models as the new mainstream.
The industry is adopting a "modular" design to build different inverter combinations into standard modules, thereby quickly creating product series that cover the needs of various price ranges. This not only provides consumers with a clear and diverse selection, but also helps manufacturers achieve reduced R&D costs, optimized production, and precise market positioning, thus strongly driving the popularization of inverter technology and industry standardization.
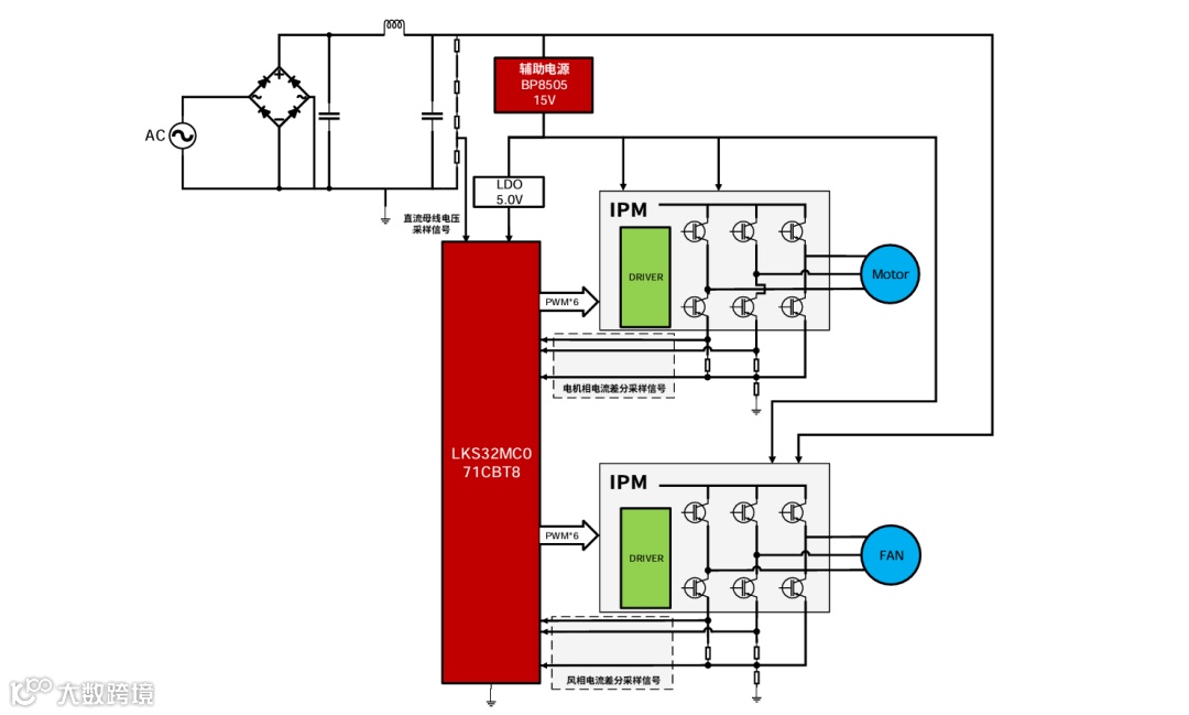
The LKS32MC07x high-performance MCU, launched by BPS & Linko, relying on the Cortex-M0 + DSP dual-core and highly integrated motor control peripherals, significantly reduces BOM costs and PCB complexity. It replaces the traditional dual-chip solution and provides a cost-competitive solution for household and commercial tumble dryers.
The LKS32MC07x MCU features a 96MHz Arm Cortex-M0 core, integrating with a proprietary DSP instruction set dedicated to motor control. They are equipped with 12KB RAM and a maximum of 128KB Flash memory. They have built-in 2-channel 12-bit high-speed ADCs and 4-channel integrated OPA, along with a rich set of peripheral interfaces including UART, SPI, I²C and CAN communication protocols, providing ample flexibility for system expansion. The ±1% high-accuracy RC clock enhances control timing consistency, while excellent ESD and EFT ensures higher reliability.
The 2-in-1 (fan + drum motor) drive solution for tumble dryers uses the high-performance LKS32MC071CB8T as main control chip. This MCU features a "dual-core" architecture consisting of a 96MHz 32-bit ARM Cortex-M0 core paired with a dedicated motor control DSP.
The LKS32MC071CBT8 integrates a set of peripherals that can be described as "tailor-made" for motor control: high-resolution PWM modules with synchronous triggering and high-speed 12-bit ADCs with interleaved sampling. When combined with the DSP core for motor control, it ensures native synergy in dual-motor control at the hardware level, meeting the requirements of dual-motor control applications.
Through precise computing power allocation, hardware-native synchronization mechanisms, and high-level system integration, the solution achieves professional-grade control performance and excellent cost-effectiveness.

Highlights of the Solution
-
Real-time Response:The algorithm design is deeply integrated with hardware featues. By using the built-in DSP module and algorithm architecture, it meets the strict timing requirement of dual-motor vector control based on the Cortex-M0 core, ensuring the real-time performance of the system. -
Hardware Synergy: It can generate two sets of fully synchronized PWM signals with independent dead-time compensation, ensuring the precise orthogonal driving phases of the two motors at the hardware level -
Cost Optimization: Replacing the dual-chip solution with a single chip significantly reduces BOM costs and PCB comlexity -
Rich Functions: This solution features forward and reverse wind start-up capabilities, while being compatible with power loop control and automatic flux weakening. It comes with a comprehensive OTA solution, adopts a layered software architecture with abundant interfaces for flexible expansion, and is paired with Linko's upper computer LKSSCOPE. These features effectively improve engineers' development efficiency and save debugging costs.

The solution provides comprehensive fault protection features, including hardware overcurrent protection, shutdown voltage control, phase loss protection and stall protection, ensuring stable operation under various complex conditions. Practical tests show that the drum motor exhibits excellent robustness under conditions of low drum speed and large eccentricity, and runs smoothly under high-load, high-speed and flux-weakening conditions; the fan starts smoothly and reliably in the reverse wind state.
Figure 4. Strong Robustness of Drum Motor Operation

Figure 5. Real-time Detection of High-speed Flux-weakening Operation Status Using LKS Scope

Scan
the code for
more Info
Related Articles
About BPS

*The test results mentioned in the article are obtained under real test of laboratory. The actual products may be different depending on the application environment. BPS reserves the right of final interpretation.

