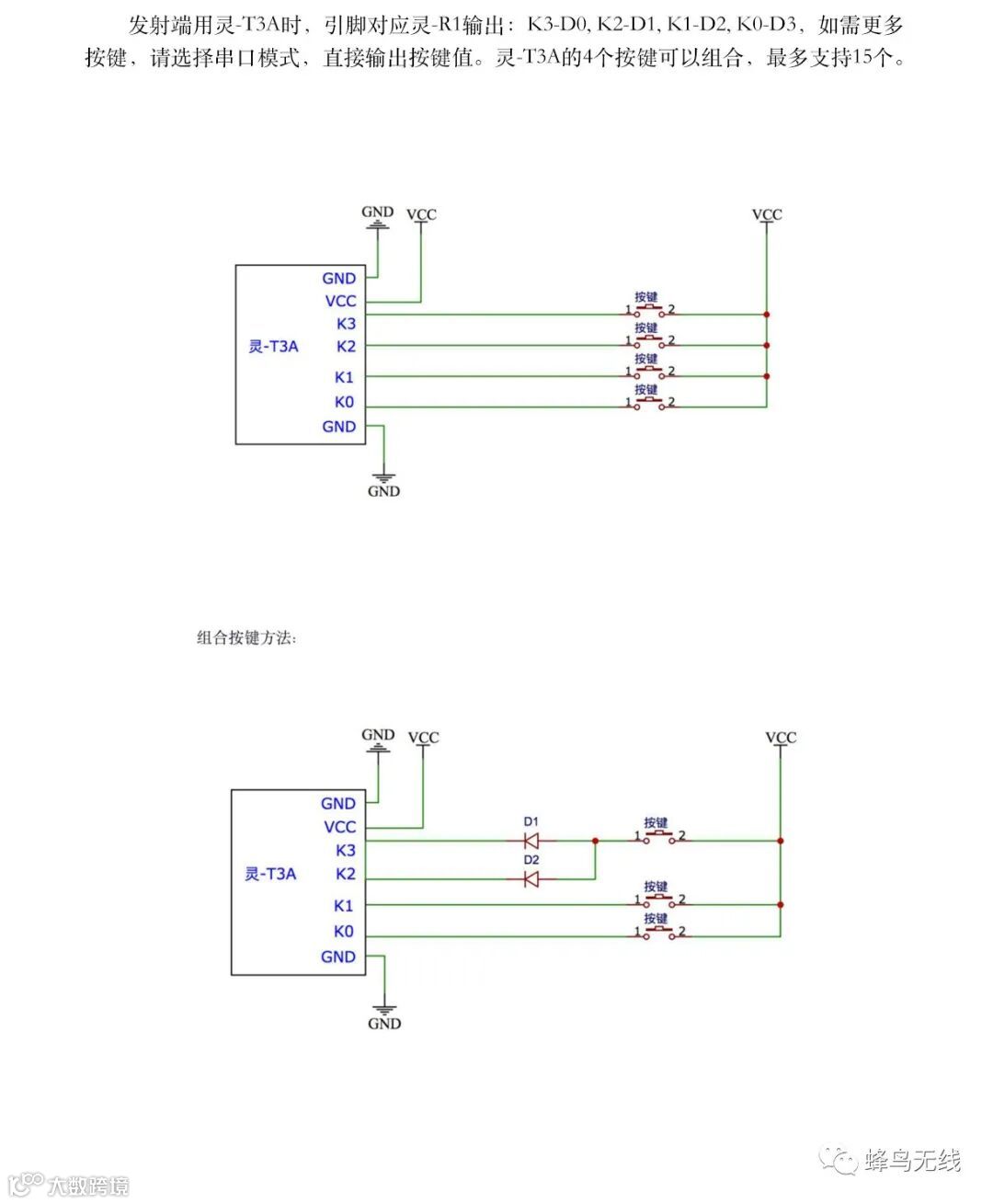
大数跨境
0
0

注意:这款无线模块抗电机干扰还免开发!

注意:这款无线模块抗电机干扰还免开发! 蜂鸟无线
2021-12-17
4
导读:类似遥控电动窗帘、电动晾衣架等产品,带有电机,对无线有很大干扰。针对这个痛点,我们新推出了抗电机干扰专用款。老客户免费提供样品测试喔,赶紧联系客服吧!

        类似遥控电动窗帘、电动晾衣架等产品,带有电机,对无线有很大干扰。针对这个痛点,我们新推出了抗电机干扰专用款灵-R1pro,使用简单,配合发射端灵-T3Apro效果更佳。老客户免费提供样品测试喔,赶紧联系客服吧!







【声明】内容源于网络
0
0
蜂鸟无线
做遥控数传,用蜂鸟更远!
内容 64
粉丝 0
蜂鸟无线 做遥控数传,用蜂鸟更远!
总阅读97
粉丝0
内容64