1简介
雷达信号的检测总是在干扰背景下进行的,这些干扰包括接收机内部的热噪声,以及地物、雨雪、海浪等杂波干扰,有时还有敌人施放的有源和无源干扰。杂波和敌人施放干扰的强度常比接收机内部噪声电平高得多。因此,在强干扰中提取信号,不仅要求有一定的信噪比,而且必须对信号作恒虚警处理。恒虚警检测技术(CFAR,Constant False-Alarm Rate)就是雷达系统在保持虚警概率恒定条件下对接收机输出的信号与噪声作判别以确定目标信号是否存在的技术,图1为雷达恒虚警在处理杂波方面所产生的明显效果。左图为处理前的截图,右图为处理后的截图。

图1 恒虚警效果比较
2 恒虚警检测(CFAR)算法
恒虚警处理是一个动态的过程,它的门限值是一个随机变量,与当前杂波背景功率的估计值有关,由于估计杂波功率的方法多样化,对应形成了多种恒虚警方法。传统恒虚警算法主要包含单元平均CA-CFAR、最大选择GO-CFAR、最小选择SO-CFAR算法。
传统恒虚警算法是通过对局部干扰功率水平取均值的处理方法,其检测门限与干扰功率水平、虚警概率、和背景模型等参数有关。CA-CFAR 在均匀分布杂波中检测性能好,在杂波边缘检测效果却显著下降,GO-CFAR、SO-CFAR对此进行了改进,提高了检测性能。
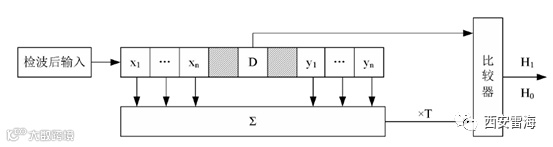
1)CA-CFAR算法
CA-CFAR 检测算法如图2所示。在 CA-CFAR 检测电路中,单个脉冲上的距离单元数据进行检波后送入多抽头延迟线的输入端,延时为一个距离采样周期,每个抽头输出一个采样数据。待检测单元左右两侧阴影部分为保护单元,共有2n 个参考单元,数据依次送入窗口内, CFAR-CA 方法是求参考单元的均值然后与门限因子T相乘作为检测门限,最后将待检测单元与检测进行比较,按照自动检测策略输出相应的检测结果。自动检测准则表示为:

其中 Z 为参考单元的估计平均值,T 为标称化因子,D 为待检测单元的检测统量。

图2 CA-CFAR 检测算法
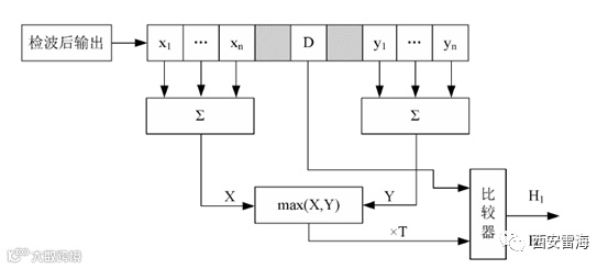
2)GO-CFAR
GO-CFAR 与 CA-CFAR 算法的不同之处在于,GO-CFAR是对前后窗估计的均值选大,而不是采用前后窗的均值。如果目标本身处于强杂波区,则采用 CFAR-CA 方法时,由于门限值估计较低,则会出现虚警现象。此时,GO-CFAR作为 CA-CFAR 的修正型是一种有效的解决方案。GO-CFAR算法如图3所示。
GO-CFAR首先求得待检测单元左侧n个参考单元的均值与右侧n个参考单元的平均值然后选取较大的均值作为杂波平均功率水平的估计。

图3 GO-CFAR检测算法
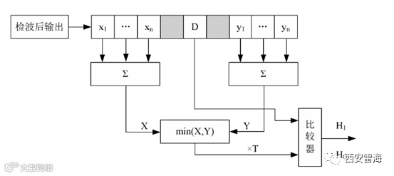
3)SO-CFAR
SO-CFAR也是对CA-CFAR的一种改进。SO选择较小的均值作为杂波功率水平的估计,算法如图4所示。

图4 SO-CFAR 检测算法
以上三种CFAR 检测算法适用于不同的背景环境下的目标检测,通常来说CA-CFAR 在均匀杂波背景中对单个目标检测性能最好, GO-CFAR在杂波边缘能有效降低虚警的发生,SO-CFAR则在在多目标情况下检测性能良好。
3小结
本文介绍了几种常规的恒虚警检测方法,不同的恒虚警检测方法各有其优点和局限性,不同杂波背景和系统参数对恒虚警检测方法的性能影响较大。在实际运用中,恒虚警检测门限的确定是恒虚警检测的关键问题,因此需要不断深入研究恒虚警检测方法,以提高目标检测概率。

