一、
杂波图处理原理
杂波图处理是一种属于恒虚警的类型,其采样间隔为雷达扫描周期的一帧数据,相对于均值类恒虚警处理,其数据率较低。杂波图以距离-方位单元的形式进行存储,通过比较当前帧的雷达回波与上一帧的参数滤波值来进行计算。同时,杂波图单元的统计参数会根据当前帧的雷达回波与上一帧的滤波统计值进行递归更新。
杂波图根据建立和更新方式的不同,可以分为"动态杂波图"和"静态杂波图"两种类型。静态杂波图是相对简单的一种,它的背景杂波信息已经固化,无法动态改变。但是,在阵地转移后或根据其他实际情况,可以重新建立和调整静态杂波图,适用于杂波背景变化不明显的应用场景。动态杂波图则是一种能够自动修正和更新的杂波图,可以不断适应变化的环境。
二、杂波图建图
杂波图是存储在存储器中的雷达威力范围内的杂波强度分布图。它类似于将雷达的作用范围按照不同的要求划分为许多杂波单元,就像划分目标的分辨单元一样。这些杂波单元可以与目标单元相等,但通常情况下,杂波单元的尺寸大于目标单元,这主要是因为一般杂波的成片分布特性及为了简化存储与处理电路。图1展示了二维杂波单元的方位-距离划分示意图。

图1 杂波单元的定义性描述

其中,i和j分别为杂波单元距离向和方位向的编号。将此值按照i和j相应的地址写入杂波图存储单元中,天线扫描一周,就形成了一幅完整的杂波图。一般需要数个至数十个天线扫描周期才能建立起比较稳定的杂波图。
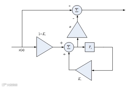
三、杂波图更新
天线周期(帧)间的杂波图积累称为杂波图更新。通过单极点反馈积累法进行杂波图的更新,其处理框图如图2所示,其迭代更新公式如下:


图2 杂波图更新
利用杂波图中各方位-距离单元存储的杂波强度均值,并乘以适当的门限因子,可以生成杂波图的恒虚警检测门限。将这个恒虚警检测门限应用于目标检测过程中,可以有效提高雷达对低速目标和切向飞行的大目标的检测性能。
通过设定恒虚警检测门限,可以实现在杂波图中对目标与杂波进行区分。当目标的回波强度超过门限值时,可以判定为目标存在,从而提高雷达系统对这类目标的检测能力。这种方法能够在一定程度上降低虚警率,提高目标检测的准确性和可靠性。
四、杂波图实验
以雷海科技教学产品LHRBox1综合雷达实验箱的杂波图实验为例,对比杂波图启用前后的效果。在雷达模拟器中创建一个单目标,如图3所示:
图3 模拟器P显显示
实验箱显示界面进行操作,实验科目选择为“CFAR及杂波图”项,为对比前后效果,先将CFAR/杂波图配置为“否”,关闭CFAR/杂波图。如图4所示:
图4 杂波图配置未启用
此时可在P显显示界面看到回波数据带有噪声背景以及目标,如图5所示。此时打开A显界面,可看到杂波图为未启用时的A显如图6所示。
图5 杂波图未启用时P显界面
图6 杂波图未启用时A显界面
启用杂波图,实验箱显示界面将CFAR/杂波图配置为“杂波图”。如图7所示:
图7 启用杂波图配置
此时可在P显显示界面看到回波数据带有噪声背景以及目标,如图8所示。此时打开A显界面,可看到杂波图为未启用时的A显如图9所示。

图8 杂波图启用时P显界面
图9 杂波图启用时A显界面
实验表明,杂波图在雷达信号处理中具有重要的实际效果。通过显示杂波的强度和分布情况,杂波图帮助识别和分类目标信号,提高目标检测的准确性。此外,通过与预定义的目标特征比较,杂波图能够检测和定位目标信号,提供目标存在的线索。同时,杂波图还可用于监测环境变化,如海洋表面的波浪、地面上的地形等,从而支持其他领域的应用,如气象预测和海洋监测。综上所述,杂波图在雷达信号处理中起到了优化目标探测性能、提供环境特征分布的关键作用。
参考文献:
[1].基于杂波图的恒虚警处理技术研究,王蓓.
[2].雷达杂波图CFAR检测算法研究及实现,毛云.
[3].基于杂波图和变换域的恒虚警率处理,宋俊福.