
《配方填报指导导则》中结合了化妆品产品配方所使用原料的不同情形,对填报中涉及的具体问题进行了梳理,为产品配方的填报提供建议和指导。
其中包括了配方成分的要求、配方填报形式、原料名称、原料含量、主要使用目的和配方表备注栏填写以及原料安全信息填报等内容。
首先,《配方填报指导导则》对化妆品配方成分进行了定义,即是指,“生产过程中有目的地添加到产品配方中,并在最终产品中起到一定作用的成分,包括防腐剂、防晒剂、染发剂、着色剂、保湿剂、pH调节剂、粘度调节剂等”。
需要注意的是,“配方成分不包括为了保证化妆品原料质量而在原料中添加的且在配方中极其微量的成分(如抗氧化剂等),和原料本身所带有或残留的技术工艺上不可避免的微量杂质,以及在产品生产工艺中添加但不与其他成分发生化学反应、对最终产品不起作用的在后续生产步骤中去除的加工助剂”。
也就是说,原料中极其微量的抗氧化剂、微量杂质以及配方中的加工助剂等均不属于化妆品配方成分,无需进行配方成分填报。
此外,在填报形式上,化妆品注册人、备案人则需要按照单一组分原料、非单一组分原料、类别原料三种不同形式进行分别填写。同时,配方原料的使用目的也需要进行明确标注。
化妆品生产企业将单一组分原料进行预先混合后再行投料的,混合所用原料应以单一组分原料的形式填写配方,混合过程及工艺填写在产品生产工艺部分。
非单一组分原料是指含两种或两种以上组分的原料,填写时应当列明组成成分及相应含量,香精以及原料中非化妆品配方成分的组分除外。
配方中使用了多种植物混合加工获得的植物提取物原料的,应以非单一组分原料的形式填写配方,将各植物提取物作为不同组分分别列出,按照原料信息填报各组分的百分含量。
使用类别原料的,按照《已使用化妆品原料目录》(以下简称《原料目录》)填报类别原料名称,并按要求注明其具体原料的名称。使用的具体原料未收载于《原料目录》时,应提供该具体原料已在我国注册或备案产品中使用的证明材料。
《配方填报指导导则》要求,配方原料按含量递减顺序排列,含量以质量百分比计,原料含量合计应为100%。“当配方含有与产品内容物直接接触的推进剂的,推进剂组成和含量应进行单独填报,推进剂含量合计为100%,同时标注推进剂和料体的灌装比例”。
而对于配方中的原料安全信息,《配方填报指导导则》则指出,如化妆品注册人、备案人或原料生产商已填写了原料安全信息或是原料报送码的,则可不用在安全评估报告中重复提交。
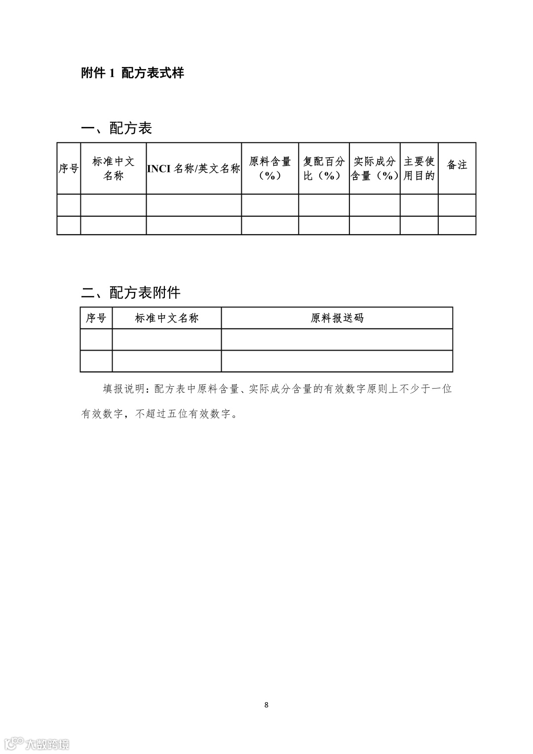
在《配方填报指导导则》中还给出了“配方表式样”,其中包含了配方成分的标准中文名称、INCI名称/英文名称、原料含量、复配百分、实际成分含量、主要使用目的、备注等多项信息。
配方表式样
左右滑动查看更多,点击大图保存更清晰

部分摘自:今日美业官方
编辑丨xinxin




