
为落实企业质量安全主体责任,保证产品质量安全,依据《化妆品监督管理条例》《化妆品注册备案管理办法》(以下简称《办法》)和《国家药监局关于进一步优化化妆品原料安全信息管理措施有关事宜的公告(2023 年第34 号)》等有关规定,编制本指南。
为便利企业填报化妆品安全信息资料,国家药监局搭建了化妆品原料安全信息登记平台(以下简称原料平台),主要用于《已使用化妆品原料目录(2021 年版)》(以下简称《目录》)收录的已使用化妆品原料相关安全信息的统一登记。
本指南用于指导原料生产商规范使用原料平台。在《目录》中有独立序号的原料,适用于在原料平台登记安全信息。
原料生产商应当按照相关法规规定和技术规范的要求,通过原料平台进行原料安全信息登记,并对所登记的原料安全信息内容的真实性、完整性负责。
化妆品原料生产商可以自行报送化妆品原料安全信息,也可以授权境外或者境内法人企业对原料安全信息进行报送和日常维护,同一质量规格的原料安全相关信息只能授权一家企业。
其中,化妆品原料生产商是指对原料安全承担责任的企业,可以是原料的实际生产企业、与原料实际生产企业隶属同一集团公司的关联企业或者原料委托生产行为中的委托企业。
化妆品原料生产商或被授权企业应按照《规定》填报企业信息表,并上传以下文件:
(一)企业信息表盖章扫描件;
(二)原料生产商企业主体证明文件;
(三)授权报送的,还应当同时上传化妆品原料生产商
出具的授权书。
境外原料生产商自行报送、或授权境外企业报送的,原料生产商企业主体证明文件应由中国公证机关公证或由我国使(领)馆确认,并将相关文书随主体证明文件一并上传。境外原料生产商授权境内企业报送的,境内被授权企业应对境外原料生产商的企业主体及相关信息进行核验。
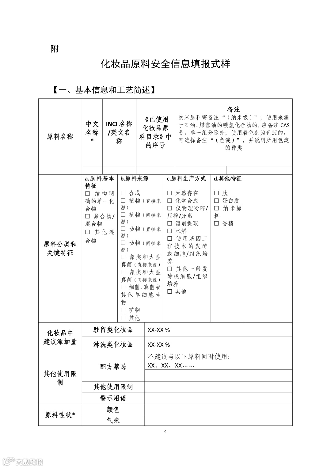
化妆品原料安全信息主要包括原料质量规格、安全性风险物质控制、原料安全风险评估结论等与原料安全相关的内容,填报式样见附件。
原料质量规格相关信息包括基本信息和工艺简述、原料质量和特征性指标等内容。
安全性风险物质控制相关信息包括风险信息和控制指标等内容。
国内外权威机构已经组织对相关原料进行安全风险评估并有相关评估结论的,应当填报评估机构名称、评估结论等安全风险评估结论相关信息。
原料生产商按要求在原料平台完成原料安全信息登记后,原料平台将自动生成相应的原料安全信息报送码。
原料安全信息报送码由该原料在《目录》中对应的序号、原料生产商编码、以及原料平台登记序号等组成。
原料安全信息报送码仅供化妆品注册人、备案人在产品注册备案时关联填报原料安全信息资料使用,由原料生产商向化妆品注册人、备案人提供,原料平台不对外进行公示。
化妆品注册人、备案人作为产品质量安全的责任主体,应当对原料生产商提供的原料安全信内容的真实性、完整性进行审核和评价。
认为真实性存在问题的,该原料不得使用;认为完整性存在问题的,化妆品注册人、备案人可补充收集相应的原料安全信息资料,并通过自行填报的方式进行原料安全信息资料的报送,同时对该原料报送码存在的问题予以说明。
左右滑动查看更多,点击大图保存更清晰

文章来源:中国食品药品检定研究院
编辑丨xinxin




