
纸机和复卷机运行速度是考核生产效率的关键因素,目前的传统纸机纸幅4m-10m,车速800m/min-1500m/min。
出于保证纸幅张力考虑,前后辊之间存在速度差。由开始至结束速度逐级叠加。
例如车速1500m/min纸机和卷纸机为例,要达到这个性能指标,指的是复卷机的卷纸辊的线速度是1500m/min,随着纸卷的半径增加,复卷机卷纸辊的转速下降,那么整个纸机和复卷机联动的辊的转速都要随之改变。
1直径计算

2速度链图


易维通
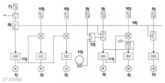
纸机和复卷机运行速度是考核生产效率的关键因素,目前的传统纸机纸幅4m-10m,车速800m/min-1500m/min。
出于保证纸幅张力考虑,前后辊之间存在速度差。由开始至结束速度逐级叠加。
例如车速1500m/min纸机和卷纸机为例,要达到这个性能指标,指的是复卷机的卷纸辊的线速度是1500m/min,随着纸卷的半径增加,复卷机卷纸辊的转速下降,那么整个纸机和复卷机联动的辊的转速都要随之改变。
1直径计算

2速度链图

