
1热轧的控制组态(以某钢厂热轧ABB系统为例)

控制系统:AC800PEC
主驱动系统:ACS6000+ACS800+主电机
IO系统:S800 IO
Panel800 手操器
Compact HMI 800操作员站
2微张力控制

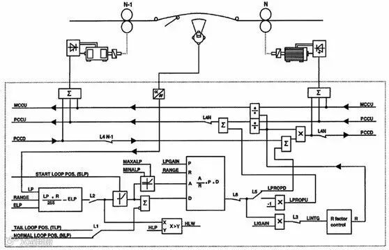
3速度级联

R因子是热轧速度级联的关键中间量。各辊之间的转速由后之前,根据生产速度,基于R因子推导而来。

Ain:入口截面积、Vin:入口线速度、Aout:出口截面积、Vout:出口线速度

4活套扫描和控制
活套扫描装置,是实现张力控制的决定手段。

活套控制
活套是检测和修正前后两辊之间材料张力的重要设备。通过设定活套的高度,活套位置检测仪时刻反馈活套位置信息,当实际位置与设置位置发生偏移时,通过活套液压系统和调整前后辊转矩差进线修正。




