
今日分享,下载地址和密码见文章末端。
1)MAXON电机选型软件
2)电缆选型专家软件
3)电缆大小选择计算软件
在生产实践过程中,生产设备常要求既能正常起动,又能实现调整位置的点动工作。那么点动和联动怎么实现呢?

1 点动和联动问题提出
在生产实践过程中,某些生产设备常要求既能正常起动,又能实现调整位置的点动工作。图示为几种常用的继电—接触器系统实现的控制线路。

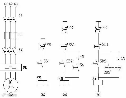
图 1 异步电动机控制线路图
控制流程说明:
图( a )为主电路。工作时,合上刀开关 QS ,三相交流电经过 QS ,熔断起 FU ,接触器 KM 主触点,热继电器 FR 至三相交流电动机。
图( b )为最简单的点动控制线路。起动按钮 SB 没有并联接触器 KM 的自锁触点,按下 SB , KM线圈通电,松开按钮 SB 时,接触器 KM 线圈又失电,其主触点断开,电动机停止运转。
图( c )是带手动开关 SA 的点动控制线路。当需要点动控制时,只要把开关 SA 断开,由按钮 SB 2 来进行点动控制。当需要正常运行时,只要把开关 SA 合上,将 KM 的自锁触点接入,即可实现连续控制。
图( d )中增加了一个复合按钮 SB 3 来实现点动控制。需要点动运行时,按下 SB 3 点动按钮,其常闭触点先断开自锁电路,常开触发后闭合接通起动控制电路, KM 接触器线圈得电,主触点闭合,接通三相电源,电动机起动运转。当松开点动按钮 SB 3 时, KM 线圈失电, KM主触点断开,电动机停止运转。
若需要电动机连续运转,由停止按钮 SB 1 及起动按钮 SB 2 控制,接触器 KM 的辅助触点起自锁作用。
2 PLC实现点动及联动
应用PLC实现对三相异步电动机的点动及连续运转控制。PLC的编程元件及基本逻辑指令的应用,介绍运用基本的编程来控制电动机的点动及连续运行,进而引出可编程控制器的基本逻辑指令

3 PLC的硬件连接
实现电动机的点动及连续运行所需的器件有:
起点按钮 SB 1
停止按钮 SB 2
交流接触器 KM
热继电器 JR
刀开关 QS
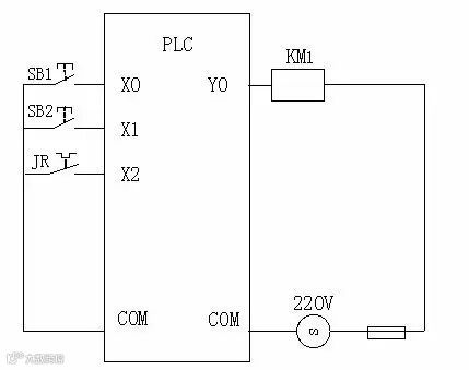
主电路的连接如图 2 所示。

图 2 输入输出接线图
由图可知,起动按钮 SB 1 接于 X0 ,停止按钮接于X1 ,热继电器常开触点接于 X2 ,交流接触器接于 Y0 ,这就是端子分配,其实质是为程序安排控制系统中的机内元件。
4 梯形图设计
可编程控制器的基本逻辑控制功能是基于继电-接触器控制系统而设计的,而控制功能的实现是由应用程序来完成的,而用户程序是由使用者根据可编程控制器生产厂家所提供的编程语言并结合所要实现的控制任务而设计的。梯形图便是诸多编程语言中较常用的一种类型,它是以图形符号及图形符号在图中的相互关系表示控制关系的编程语言,是从继电器电路图演变而来。两者部分符号对应关系如表 1 所示。
表 1 符号对照表

根据输入输出接线圈可设计出异步电动机点动运行的梯形图如图 3 ( a )所示。工作过程分析如下:当按下 SB 1 时,输入继电器 X0 得电,

图 3 电动机控制梯形图
其常开触点闭合,因为异步电动机未过热,热继电器常开触点不闭合,输入继电器 X2 不接通,其常闭触点保持闭合,则此时输出继电器 Y0 接通,进而接触器 KM 得电,其主触点接通电动机的电源,则电动机起动运行。
当松开按钮 SB 1 时, X0 失电,其触点断开, Y0 失电,接触点 KM 断电,电动机停止转动,即本梯形图可实现点动控制功能。
大家可能发现,在梯形图中使用的热继电器的触点为常开触点,如果要使用常闭触点,梯形图应如何设计?
可编程控制器的优点之一是不改变硬件接线的情况下,通过变更软件设计,可完成不同的控制的任务。图 3 ( b )为电动机连续运行的梯形图,其工作过程分析如下:
当按 SB 1 被按下时 X0 接通, Y0置 1 ,这时电动机连续运行。需要停车时,按下停车按钮 SB2 , 串联于 Y0 线圈回路中的 X1 的常闭触点断开, Y0 置 1 ,电机失电停车。
梯形图( b )称为启 - 保 - 停电路。这个名称主要来源于图中的自保持触点 Y0 。并联在 X0 常开触点上的Y0 常开触点的作用是当钮 SB 1 松开,输入继电器 X0 断开时,线圈 Y0 仍然能保持接通状态。工程中把这个触点叫做“自保持触点“。启 - 保 - 停电路是梯形图中最典型的单元,它包含了梯形图程序的全部要素。它们是:
事件 每一个梯形图支路都针对一个事件。事件输出线圈(或功能框)表示,本例中为 Y0 。
事件发生的条件 梯形图支路中除了线圈外还有触点的组合,使线圈置 1 的条件既是事件发生的条件,本例中为起动按钮 X0 置 1 。
事件得以延续的条件 触点组合中使线圈置 1 得以持久的条件。本例中为与 X0 并联的 Y0 的自保持触点。
使事件终止的条件 触点组合中使线圈置 1 中断的条件。本例中为 X1 的常闭触点断开。
5 语句表
点动控制即图 3 ( a )所使用到的基本指令有:
从母线取用常开触点指令 LD
常闭触点的串联指令 ANI
输出继电器的线圈驱动指令 OUT
而每条指令占用一个程序步,语句表如下。

连续运行控制即图 1-3 ( b )所使用到的基本指令有:
从母线取用常开触点指令 LD
常开触点的并联指令 OR
常闭触点的串联指令 ANI
输出继电器的线圈驱动指令 OUT
语句表如下:

今日资源免费下载分享
1)MAXON电机选型软件
地址:http://pan.baidu.com/s/1qXRCmlA 密码:mfh1
2)电缆选型专家
地址:http://pan.baidu.com/s/1o7Ejb0e 密码:48jl
3)电缆大小选择计算软件
地址:http://pan.baidu.com/s/1c2kX2BQ 密码:ep9y


