
最全的工控资料库和软件库:(点击标题试试)
实践是检验真理的唯一标准,做工控的,不动手去做,靠想是不可能成功的。想得再透彻,没有实践都不能说明你会。
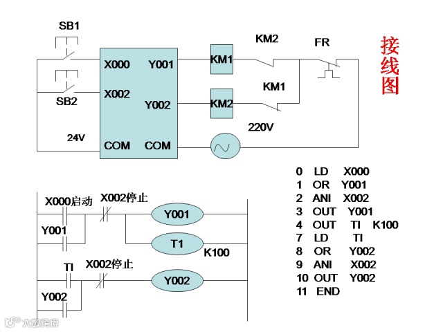
分享23个网络收集而来的三菱PLC编程案例,大家一起验证。欢迎留言表达观点。
23个入门级实例




















































点击文章顶部“易维通订阅号”进入公众号,回复“XZ”可查看资料库已经更新的资料列表。
长按以下二维码分别进入【软件库】和【资料库】自助下载。


易维通
最全的工控资料库和软件库:(点击标题试试)
实践是检验真理的唯一标准,做工控的,不动手去做,靠想是不可能成功的。想得再透彻,没有实践都不能说明你会。
分享23个网络收集而来的三菱PLC编程案例,大家一起验证。欢迎留言表达观点。
23个入门级实例




















































点击文章顶部“易维通订阅号”进入公众号,回复“XZ”可查看资料库已经更新的资料列表。
长按以下二维码分别进入【软件库】和【资料库】自助下载。

