想了解更多关于
【行业热点】的知识,
可前往易维通平台
【行业热点】专栏学习。
点击下方蓝色字体
即可查看资料内容并获得下载详情:
1、可控硅调速电路

2、电磁调速电机控制图

3、三相四线电度表互感器接线

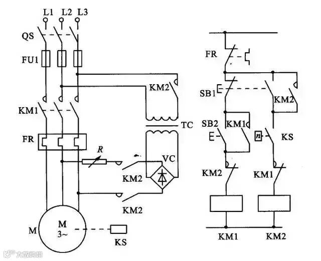
4、能耗制动

5、顺序起动,逆序停止

6、锅炉水位探测装置

7、电机正反转控制电路

8、电葫芦吊机电路

9、单相漏电开关电路

10、单相电机接线图

11、带点动的正反转起动电路

12、红外防盗报警器

13、双电容单相电机接线图

14、自动循环往复控制线路

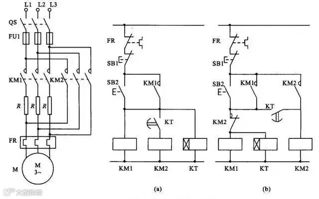
15、定子电路串电阻降压启动控制线

16、按启动钮延时运行电路

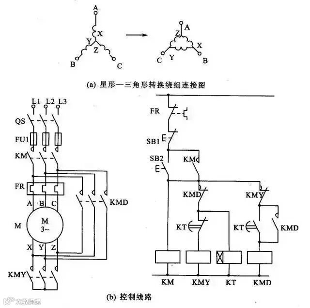
17、星形 - 三角形启动控制线路

18、单向反接制动的控制线路

19、具有反接制动电阻的可逆运行反接制动的控制线路

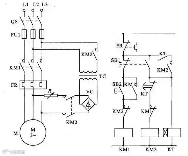
20、以时间原则控制的单向能耗制动线路

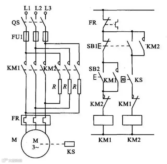
21、以速度原则控制的单向能耗制动控制线路

22、电动机可逆运行的能耗制动控制线路

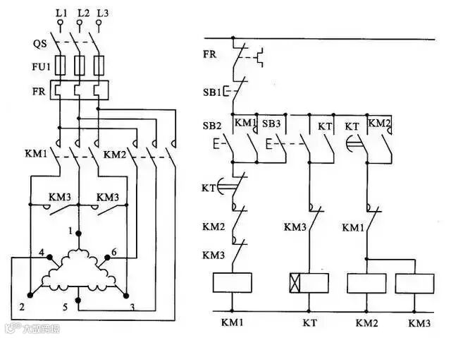
23、双速电动机改变极对数的原理

24、双速电动机调速控制线路

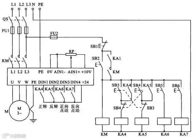
25、使用变频器的异步电动机可逆调速系统控制线路

26、正确连接电器的触点

27、线圈的连接

28、继电器开关逻辑函数

29、三相半波整流电路图

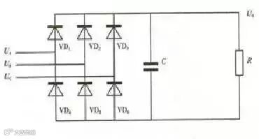
30、三相全波整流电路图

31、三相全波6脉冲整流原理图

32、六相12脉冲整流原理图

33、负载两端的电压

在一个周期中,每个二极管只有三分这一的时候导通(导通角为120度)。负载两端的电压为线电压。
34、直流调速原理功能图

— THE END —

目前,易维通正在积极构建虚拟团队,控制器、驱动器、执行机构、智能制造、配电系统、职业发展、心理学、外语等核心技术分享虚拟团队都已具雏形。能力出众的你,别再犹豫了,加入我们!
【 易维通服务号 】
更多资料下载,
更多资源推送,
不让你错过
每一个有价值的机会!
推荐阅读
点阅读原文,免费下载2000G工控资料

