
PLC开关量输出的有:
继电器输出:输出交直流都可以,电压范围宽,电流大,动作频率低,一般1Hz左右。
晶体管输出:只能输出直流,一般是30V以下,电流小,动作频率高,最高可达200KHz或更高。
晶闸管输出:只能输出交流,一般是60-450V,电流大,动作频率高,价格贵。
模拟量输出的有:
电压输出,一般是-10V到+10V电压输出。
电流输出,一般是0-20mA、4-20mA电流输出。
PLC与输出设备连接时,不同组(不同公共端)的输出点,其对应输出设备(负载)的电压类型、等级可以不同,但同组(相同公共端)的输出点,其电压类型和等级应该相同。要根据输出设备电压的类型和等级来决定是否分组连接。如下图所示以FX2N为例说明PLC与输出设备的连接方法。图中接法是输出设备具有相同电源的情况,所以各组的公共端连在一起,否则要分组连接。图中只画出Y0-Y7输出点与输出设备的连接,其它输出点的连接方法相似。
1感性负载元件连接
PLC的输出端经常连接的是感性输出设备(感性负载),为了抑制感性电路断开时产生的电压使PLC内部输出元件造成损坏。因此当PLC与感性输出设备连接时,如果是直流感性负载,应在其两端并联续流二极管;如果是交流感性负载,应在其两端并联阻容吸收电路。如下图所示。
图中,续流二极管可选用额定电流为1A、额定电压大于电源电压的3倍;电阻值可取50~120Ω,电容值可取0.1~0.47μF,电容的额定电压应大于电源的峰值电压。接线时要注意续流二极管的极性。

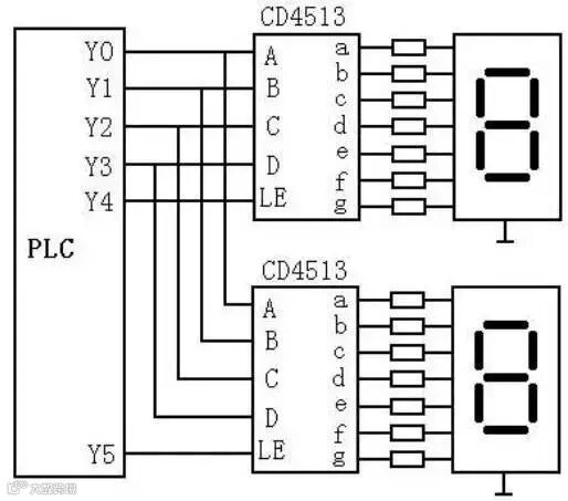
2 与7段LED显示器连接
PLC可直接用开关量输出与七段LED显示器的连接,但如果PLC控制的是多位LED七段显示器,所需的输出点是很多的。

如上图所示电路中,采用具有锁存、译码、驱动功能的芯片CD4513驱动共阴极LED七段显示器,两只CD4513的数据输入端A~D共用PLC的4个输出瑞,其中A为最低位,D为最高位。LE是锁存使能输入端,在LE信号的上升沿将数据输入端输入的BCD数锁存在片内的寄存器中,并将该数译码后显示出来。如果输入的不是十进制数,显示器熄灭。LE为高电平时,显示的数不受数据输入信号的影响。显然,N个显示器占用的输出点数为P=4+N。
如果PLC使用继电器输出模块,应在与CD4513相连的PLC各输出端接一下拉电阻,以避免在输出继电器的触点断开时CD4513的输入端悬空。PLC输出继电器的状态变化时,其触点可能抖动,因此应先送数据输出信号,待该信号稳定后,再用LE信号的上升沿将数据锁存进CD4513。
网络文章版权归原作者所有



