
交通信号灯作为典型顺序控制应用实例。经常作为PLC入门的教程。最近经常有朋友说想学习PLC不知道从何入手。这种茫然跟工作内容有一定关系。要形象的掌握了解PLC的基本应用,就必须设置一些实验场景。我们一起来探讨下PLC交通等控制上的应用。
易维通订阅号作为【资料库】分享工具载体,对各品牌资料进行了科学的分类,是我们从繁重的赛选资料工作中解放出来。输入XZ试试吧。

1控制开关
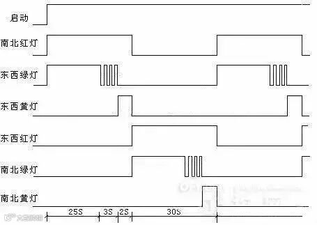
信号灯受启动及停止按钮的控制,当按动启动按钮时,信号灯系统开始工作,并周而复始地循环工作,当按动停止按钮时,系统将停止在初始壮态,即南北红灯亮,禁止通行;东西绿灯亮,允许通行。
2控制要求
北红灯亮维持30秒,在南北红灯亮的同时,东西绿灯也亮,并维持25秒,到25秒时,东西方向绿灯闪,闪亮3秒后,绿灯灭。在东西绿灯熄灭的同时,东西黄灯亮,并维持2秒,到2秒时,东西黄灯灭,东西红灯亮。同时,南北红灯熄灭,南北绿灯亮。 本文来自
西红灯亮维持30秒。南北绿灯亮维持25秒,然后闪亮3秒,再熄灭。同时南北方向黄灯亮,并维持2秒后熄灭,这时南北红灯亮,东西绿灯亮。
接下去周而复始,直到停止按钮被按下为止。
信号灯动作系统可用图1状态图表示。

3硬件及接线
根据上述要求可见,系统所需红、绿、黄各4只信号灯,本案由两个信号灯箱实现;系统需要启动和停止两个按钮,由按钮箱实现。
可编程控制器的输入/输出端子分配及硬件连接分别由表1及图2所示。其中SA开关代表可编程控制器自身的运行开关。


点击文章顶部“易维通订阅号”进入公众号,回复“XZ”可查看资料库已经更新的资料列表。
长按以下二维码分别进入【软件库】和【资料库】自助下载。


攻城狮都喜欢点赞
、留言、分享!







