搜索
首页
大数快讯
大数活动
服务超市
文章专题
出海平台
流量密码
出海蓝图
产业赛道
物流仓储
跨境支付
选品策略
实操手册
报告
跨企查
百科
导航
知识体系
工具箱
更多
找货源
跨境招聘
DeepSeek
首页
>
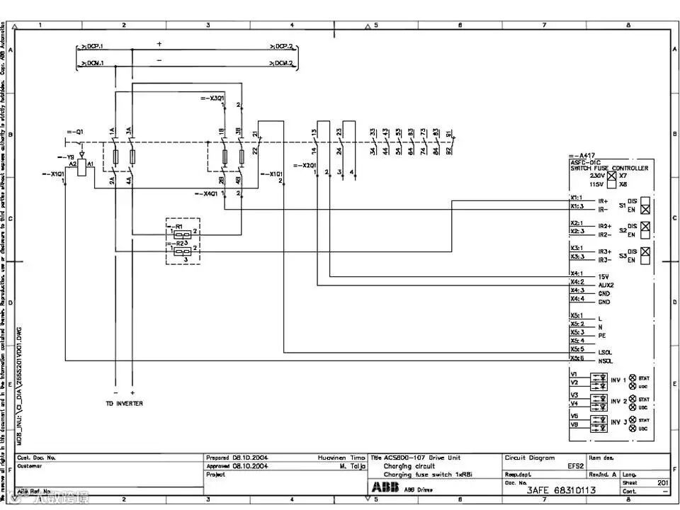
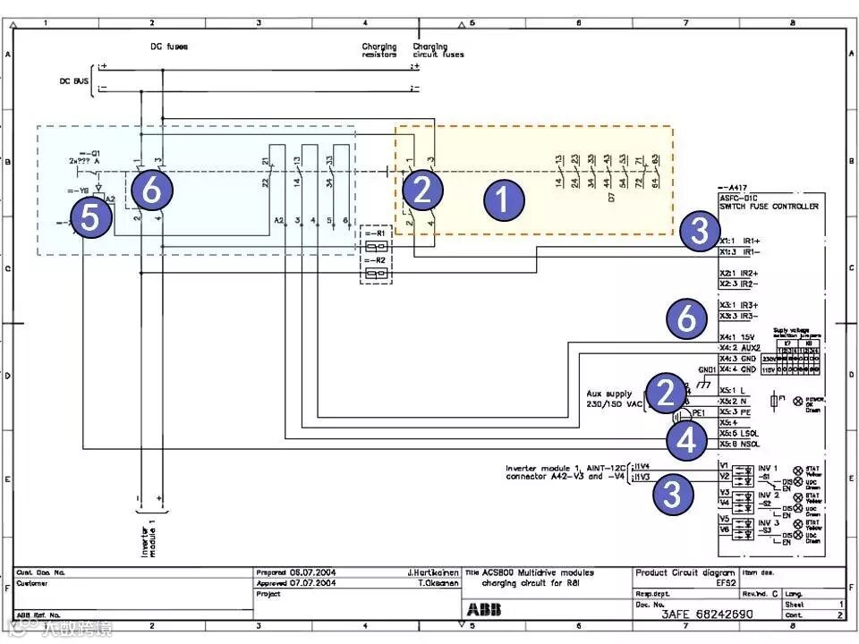
干货丨ACS800多传高级培训Day3
>
0
0
干货丨ACS800多传高级培训Day3
易维通
2017-04-14
1
导读:马上收藏!
☞
工控资料免费下载
☞
工控资料快速查询
内容导读
资料来源:ABB培训中心
☞
干货丨ACS800多传动高级培训
Day1
☞
干货丨ACS800多传动高级培训Day2
【声明】内容源于网络
0
0
易维通
易维通是工业互联网技术服务创新模式的代表。以企业身边的工业保姆,服务工程师职业发展全周期为己任。在易维通,用户可以随时随地找到技术精湛且靠谱的工程师;技术人才入驻后可以通过开设付费课程和问答等知识分享方式打造个人品牌从而获得机会和订单。
内容
1120
粉丝
0
关注
在线咨询
易维通
易维通是工业互联网技术服务创新模式的代表。以企业身边的工业保姆,服务工程师职业发展全周期为己任。在易维通,用户可以随时随地找到技术精湛且靠谱的工程师;技术人才入驻后可以通过开设付费课程和问答等知识分享方式打造个人品牌从而获得机会和订单。
总阅读
2.6k
粉丝
0
内容
1.1k
在线咨询
关注