点击阅读原文,认准左边的图标,进入【知识库】
搜索【PLC】,看更多文章和视频
一、控制输出程序
1.等效控制输出
输出仅取决于控制输入现状态。

2.长效控制输出
控制输出不完全取决于输入的现状态,还与输入的历史有关。输入对输出有长效作用。

3.短效控制输出
它的控制输出也不完全取决于输入的现状态。其输入对输出仅有短暂的作用,故称短效输出。

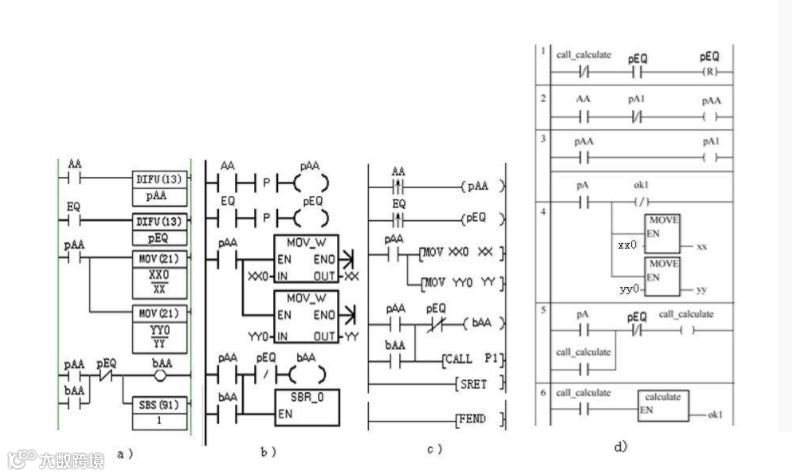
二、单按钮起停程序
1.单按钮即时起、停程序

a)OMRON PLC; b)三菱PLC;

c、d)西门子PLC;

e)和利时PLC; f)AB PLC
下图所示程序也具有同样的功能。只是这里用的是触点先并后串。脉冲信号用微分指令生成。

<第1例>

<第2例>

<第3例>

<第3例续>
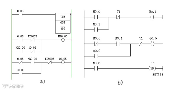
2.单按钮短按起、长按(超过1s)停程序
上述单按钮起、保、停梯形图程序,是起、是停,容易“糊涂”。其实,完全可使用按钮按下不同的时间,去区分是起还是停。



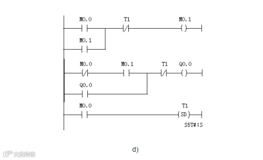
3.单按钮长按(超过1s)起、短按停程序

a – OMRON PLC程序;b – 三菱work2 软件PLC 程序

c – 施耐德Unity Pro XL软件PLC程序;d – 西门子ST7软件PLC 程序
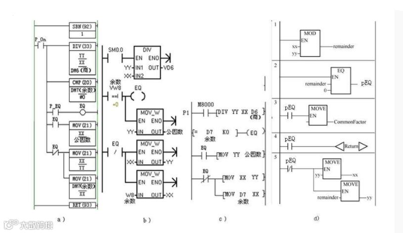
三、求公因数程序
求公因数欧几里得的这个算法,如用表达式表达,则是:

a)OMRON PLC; b)西门子PLC; c)三菱PLC;d)和利时PLC
求两个整数的公因数子程序
子程序,用以实现上述花括弧内的算法。

a)OMRON PLC; b)西门子PLC; c)三菱PLC; d)和利时PLC
求两个整数的公因数主程序
主程序,用以实现上述花括弧外的算法。
结语
弄清以上问题不是本文的重点哦~从中能对PLC程序有较具体的认识,那就很棒了。为编程做准备,根据问题再去学习相关算法,在算法实例化中进一步熟悉基础知识。如此反复循环,不断提高,将使你的编程进入新的境界!
1、谈谈你对于PLC程序学习的心得?
2、你对哪个品牌的PLC程序编程最熟悉?
欢迎留言和我们分享
更多话题和互动,大家可以进入【匠说】模块留下你的脚印:

如果觉得文章对你有所帮助,欢迎点赞并且推荐给你的好友。
END
易维通
您身边的工业保姆·让工作简单
长按识别二维码 立刻关注
号外!号外!
易维通APP上线啦!
新增私信功能,撩人更方便
赶快去下载吧!
长按识别二维码 立刻下载
推荐阅读:

