想了解更多关于
【PLC世界】的知识,
可前往易维通平台
【PLC世界】专栏学习。
学好PLC一定要积累足够的实例知识,小编为大家准备了一些较为基础的实例,只为帮助新手!
一、控制输出程序
1.等效控制输出
输出仅取决于控制输入现状态。

2.长效控制输出
控制输出不完全取决于输入的现状态,还与输入的历史有关。输入对输出有长效作用。

3.短效控制输出
它的控制输出也不完全取决于输入的现状态。其输入对输出仅有短暂的作用,故称短效输出。

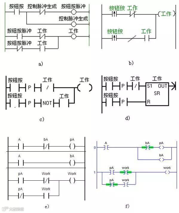
二、单按钮起停程序
1.单按钮即时起、停程序

a)OMRON PLC b)三菱PLC c、d)西门子PLC e)和利时PLC f)AB PLC
下图所示程序也具有同样的功能。只是这里用的是触点先并后串。脉冲信号用微分指令生成。

第1例

第2例

第3例

第3例续
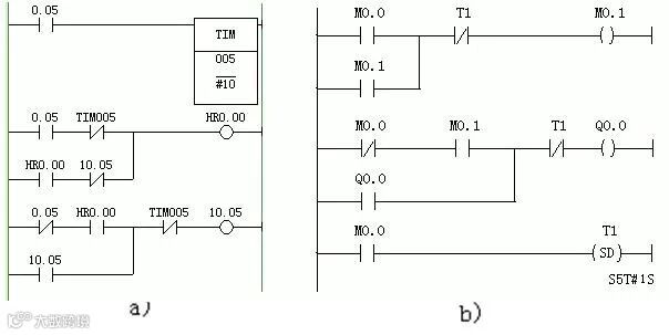
2.单按钮短按起、长按(超过1s)停程序
上述单按钮起、保、停梯形图程序,是起、是停,容易“糊涂”。其实,完全可使用按钮按下不同的时间,去区分是起还是停。


c)

d)
单按钮短按起、长按(超过1秒)停程序
3.单按钮长按(超过1s)起、短按停程序

a – OMRON PLC程序b – 三菱work2 软件PLC 程序
c – 施耐德Unity Pro XL软件PLC程序d – 西门子ST7软件PLC 程序
单按钮长按起(超过1秒)、短按停程序
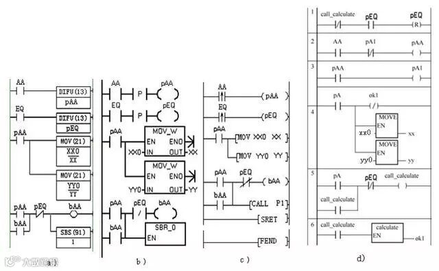
三、求公因数程序
求公因数欧几里得的这个算法,如用表达式表达,则是:

a)OMRON PLC b)西门子PLC c)三菱PLCd)和利时PLC
求两个整数的公因数子程序
子程序,用以实现上述花括弧内的算法。

a)OMRON PLC b)西门子PLC c)三菱PLC d)和利时PLC
求两个整数的公因数主程序
主程序,用以实现上述花括弧外的算法。
结语
弄清以上问题不是本文的重点哦~从中能对PLC程序有较具体的认识,那就很棒了。为编程做准备,根据问题再去学习相关算法,在算法实例化中进一步熟悉基础知识。如此反复循环,不断提高,将使你的编程进入新的境界!
想要知道如何从零基础开始系统的学习PLC,扫描下方的二维码,就可获得大牛笔记——PLC零基础入门【技能树学习说明】

— THE END —

目前,易维通正在积极构建虚拟团队,控制器、驱动器、执行机构、智能制造、配电系统、职业发展、心理学、外语等核心技术分享虚拟团队都已具雏形。能力出众的你,别再犹豫了,加入我们!
【 易维通服务号 】
更多资料下载,
更多资源推送,
不让你错过
每一个有价值的机会!
声明:本微信转载文章出于非商业性的教育和科研目的,并不意味着支持其观点或证实其内容的真实性。版权归原作者所有,如转载稿涉及版权等问题,请立即联系我们,我们会予以更改或删除相关文章,保证您的权利!
推荐阅读
点击阅读原文,进入全新【技能树】版块

