
(点此查看)
PLC常见的输入元件有按钮、行程开关、接近开关、转换开关、拨码器、各种传感器等,输出设备有继电器、接触器、电磁阀等。正确地连接输入和输出电路,是保证PLC安全可靠工作的前提。今天推荐的内容介绍的是PLC与常见输入输出元件在连接上的方法和注意事项。
1.与主令元器件连接
2.与旋转编码器连接
3.与传感器连接
4.与多位拨码开关连接
▶继电器输出:输出交直流都可以,电压范围宽,电流大,动作频率低,一般1Hz左右。
▶晶体管输出:只能输出直流,一般是30V以下,电流小,动作频率高,最高可达200KHz或更高。
▶晶闸管输出:只能输出交流,一般是60-450V,电流大,动作频率高,价格贵。
▶电压输出,一般是-10V到+10V电压输出。
▶电流输出,一般是0-20mA、4-20mA电流输出。
1.与感性负载元件连接
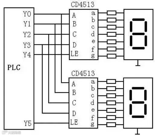
2.与7段LED显示器连接
-- THE END ---
推荐阅读
↓↓↓点这里,了解【技能地图】详情。

