点击阅读原文,认准左边的图标,进入【知识库】
搜索【驱动器】,看更多文章和视频
内容导读
变频器的出现为工业自动化控制、电机节能带来了革新。工业生产中几乎离不开变频器,即使在日常生活中,电梯、变频空调也成为不可缺少的部分,变频器已经开始渗入到生产、生活的各个角落。然而,变频器也带来了许多前所未有的困扰,其中损伤电机就是最典型的现象之一。
变频器伤电机?
很多人已经发现了变频器对电机损伤的现象。例如,某水泵厂,近两年来,他的用户频繁报告水泵在保修期内发生损坏的现象。而过去,这个水泵厂的产品质量十分可靠。经过调查,发现这些损坏的水泵都是用变频器驱动的。
尽管变频器损伤电机的现象越来越被人们所关注,但是人们对造成这种现象的机理还不清楚,更不知道如何来预防。本文的目的是解决这些困惑。
变频器对电机的损伤
变频器对电机的损伤包括两个方面,定子绕组的损伤和轴承的损伤,如图1所示。这种损伤一般发生在几周至十几个月内,具体时间与变频器的品牌、电机的品牌、电机的功率、变频器的载波频率、变频器与电机之间的电缆长度、环境温度等诸多因素有关。
电机的早期意外损坏给企业的生产带来巨大的经济损失。这种损失不仅是电机维修和更换带来的费用,更主要的是意外停产带来的经济损失。因此,在使用变频器驱动电机时,必须对电机损伤的问题有足够的重视。

图1 变频器对电机的损伤
变频驱动和工频驱动的区别
要了解工频电机在变频器驱动条件下更容易损坏的机理,首先了解变频器驱动电机的电压与工频电压有什么区别。然后再了解这种差别是如何对电机产生不良影响的。
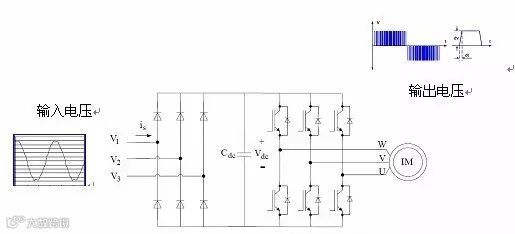
变频器的基本构造如图2所示,包括整流电路与逆变电路两部分。整流电路为普通二极管与滤波电容构成的直流电压输出电路,逆变电路将直流电压变换成脉宽调制的电压波形(PWM电压)。因此,变频器驱动电机的电压波形是脉宽变化的脉冲波形,而不是正弦波电压波形。

图2变频器的电路原理
用脉冲电压驱动电机就是导致电机容易损坏的根本原因。
变频器损伤定子绕组机理
脉冲电压在电缆上传输时,如果电缆的阻抗与负载的阻抗不匹配,在负载端会产生反射。反射的结果是,入射波与反射波叠加,形成更高的电压,它的幅度最大可以达到直流母线电压的2倍,大约相当于变频器输入电压的3倍,如图3所示。过高的尖峰电压加在电机定子的线圈上,对线圈造成电压冲击,频繁的过电压冲击会导致电机过早失效。

图3变频器在电机端产生的尖峰电压
变频器驱动的电机受到尖峰电压的冲击后,它的实际寿命与很多因素,包括,温度、污染、振动、电压、载波频率以及线圈绝缘的工艺等因素有关。
变频器的载波频率越高,输出电流波形越接近正弦波,这会降低电机的运行温度,从而延长绝缘的寿命。但是,更高的载波频率意味着每秒钟产生的尖峰电压数量更多,对电机的冲击的次数更多。图4给出了绝缘寿命随着电缆长度与载波频率的变化。从图中可知,对于200英尺长的电缆,当载波频率从3kHz提高到12kHz(变化4倍)时,绝缘的寿命从大约8万小时降低到2万小时(相差4倍)。

图4 载波频率对绝缘的影响
电机的温度越高,绝缘的寿命越短,如图5所示,当温度升高到75℃时,电机的寿命只有50%。变频器驱动的电机,由于PWM电压包含较多的高频成份,电机温度会远高于工频电压驱动的情况。
图5温度对绝缘层的影响
变频器损伤轴承机理
变频器损伤电机轴承的原因是,有流过轴承的电流,并且这种电流处于断续连通的状态,断续连通的电路会产生电弧,电弧烧毁了轴承。
导致交流电机的轴承中流过电流的原因主要有两个。
内部电磁场不平衡产生的感应电压
杂散电容引起的高频电流通路。
理想交流感应电机内部的磁场是对称的,当三相绕组的电流相等,并且相位相差120度时,不会在电机的轴杆上感应出电压。变频器输出的PWM电压导致电机内部的磁场不对称时,就会在轴杆上感应出电压,电压的幅度在10~30V,这与驱动电压有关,驱动电压越高,轴杆上的电压越高。
当这个电压的数值超过轴承中的润滑油的绝缘强度时,就会形成一个电流通路。轴杆旋转过程中,在某个时刻,润滑油的绝缘又阻断了电流。这个过程类似于机械式开关的通断过程,这个过程中会产生电弧,烧蚀轴杆、滚珠、轴碗的表面,形成凹坑。如果没有外部振动,小凹坑不会产生过大的影响,但是如果有外部振动时,会产生凹槽,这对电机的运转影响很大。
另外,实验表明,轴杆上的电压还与变频器输出电压的基波频率有关,基波频率越低,轴杆上的电压越高,轴承损伤越严重。
在马达工作的初期,润滑油温度较低的时候,电流幅度在5-200mA,这么小的电流不会对轴承产生任何损坏。但是,当马达运行一段时间后,随着润滑油温度升高,峰值电流会达到5-10A,这会产生飞弧,在轴承部件的表面形成小坑。
怎么办呢?
当电缆的长度超过30米时,现代变频器必然会在电机端产生尖峰电压,缩短电机的寿命。防止电机出现损伤,有两个思路。
采用绕组绝缘抗电强度更高的电机(一般称为变频电机)
采取措施减小尖峰电压
前一种措施适合于新建的项目,后一种措施适合于对已有的电机进行改造。
安装电抗器
在变频器的输出端安装电抗器:这个措施最常用,但是需要注意的是,这个方法对于较短的电缆(30米以下)有一定效果,但是有时效果不够理想,如图6(c)所示。

输出端安装滤波器
在变频器的输出端安装dv/dt滤波器:这个措施适用于电缆长度小于300米的场合,价格略高于电抗器,但是效果有了明显的改善,如图6(d)所示。

输出端安装正弦滤波器
在变频器的输出端安装正弦波滤波器:这个措施是最理想的。因为在这里,将PWM脉冲电压变成了正弦波电压,是电机工作在与工频电压相同的条件下,尖峰电压的问题得到了彻底的解决(电缆再长,也不会出现尖峰电压了)。

安装尖峰电压吸收器
在电缆与电机接口的位置安装尖峰电压吸收器:前面几个措施的缺点是当电机的功率较大时,电抗器或滤波器的体积、重量很大,价格较高,另外,电抗器和滤波器都会导致一定的电压降,影响电机的输出力矩,采用变频器尖峰电压吸收器能够克服这些缺点。航天科工集团二院706所开发的SVA尖峰电压吸收器,采用先进的电力电子技术和智能控制技术,是解决电机损伤的理想设备。另外,SVA尖峰吸收器还能保护电机的轴承。

尖峰电压吸收器是一种新型的电机保护装置,如图7所示(航天科工集团的SVA型号)。并联连接电机的电源输入端。

图7 示意图
SVA尖峰电压吸收器的原理框图如图8所示,它的工作过程如下:
尖峰电压检测电路实时检测电机电源线上的电压幅度;
当检测到电压的幅度超过设定的阈值时,控制尖峰能量缓冲电路,使其吸收尖峰电压的能量;
当尖峰电压的能量充满尖峰能量缓冲器时,尖峰能量吸收控制阀门打开,使缓冲器中的尖峰能量泄放到尖峰能量吸收器,将电能转变成热能;
温度监控器监测尖峰能量吸收器的温度,当温度过高时,适当关闭尖峰能量吸收控制阀门,减小能量的吸收(在保证电机受到保护的前提下),避免尖峰电压吸收器过热而损坏;
轴承电流吸收电路的作用是将轴承电流吸收掉,保护电机轴承。

图8工作原理
尖峰吸收器与前面所述的du/dt滤波器、正弦波滤波器等电机保护方法相比,最大的好处是,体积小、价格低,安装简便(并联安装)。特别是功率较大的场合,尖峰吸收器在价格、体积、重量等方面的优点很突出。
另外,由于是并联安装,不会产生电压降,而du/dt滤波器和正弦波滤波器上都会有一定的电压降,正弦波滤波器的电压降接近10%,这会导致电机的转矩降低。
新增专栏板块,让你专业对口
寻找【文章】【视频】【工匠圈】更方便
发布【任务】【技能】更有针对性
长按识别二维码 立刻下载
更多话题讨论,大家可以进入下面的【匠说】模块,与不同行业和专业的工程师大牛,进行互动和切磋
如果觉得文章对你有所帮助,欢迎点赞并且推荐给你的好友。
END
推荐阅读:
声明:本微信转载文章出于非商业性的教育和科研目的,并不意味着支持其观点或证实其内容的真实性。版权归原作者所有,如转载稿涉及版权等问题,请立即联系我们,我们会予以更改或删除相关文章,保证您的权利!

