摘要
搜集了网络上一些PLC控制原理动图,满满干货。点击阅读原文,进入知识库,还有更多技术文章和视频为你准备着。
PLC顺序控制☟

PLC正反转控制☟

按钮开关☟

冲孔加工☟

断电延时型时间继电器☟

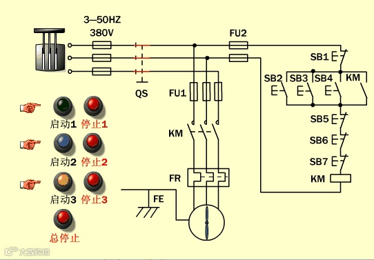
多点控制☟

滚轮式行程开关☟

红绿灯☟

机械手☟

交流接触器☟

热继电器☟

三相闸刀☟

时间继电器☟

手动控制☟

速度继电器☟

星三角启动☟

异步电动机转动原理☟

自动往返控制☟

— THE END —

目前,易维通正在积极构建虚拟团队,控制器、驱动器、执行机构、智能制造、配电系统、职业发展、心理学、外语等核心技术分享虚拟团队都已具雏形。能力出众的你,别再犹豫了,加入我们!
【 易维通服务号 】
更多资料下载,
更多资源推送,
不让你错过
每一个有价值的机会!
推荐阅读
点击阅读原文,更精彩!

