大数跨境
0
0

依科信息 | 关于开展2024年大连市知识产权保护规范化试点单位奖励工作的通知

依科信息 | 关于开展2024年大连市知识产权保护规范化试点单位奖励工作的通知 依科创新在线
2024-02-02
1

点击蓝字关注我们


关于开展2024年大连市知识产权保护规范化试点单位奖励工作的通知


各区市县(先导区)市场监督管理局,各有关单位:


依据《大连市知识产权专项资金管理办法》大知联〔2022〕8号(以下简称《管理办法》)有关规定,现开展2024年大连市知识产权保护规范化试点单位奖励工作,择优予以项目资助,具体通知如下:


第一条 申报主体
大连市行政区域内具有独立法人资格的企业。


第二条 申报基本条件
(一)知识产权工作基础较好,有相应资金、专职工作人员、相关制度健全;
(二)制定单位知识产权保护方面的规划,针对企业需求,建立了相应的保护制度,对单位专利、商标、地理标志、商业秘密、技术档案等实施有效的管理;
(三)积极开展知识产权保护宣传及业务培训,企业人员知识产权保护意识好、知识产权纠纷处置应对能力强。
(四)与知识产权服务机构签订了技术服务合同,开展知识产权维权协作事项;
(五)无侵犯他人知识产权不良记录,社会信用优,未发生失信行为;
(六)积极应对国内外知识产权侵权诉讼并取得成效。


第三条 申报材料
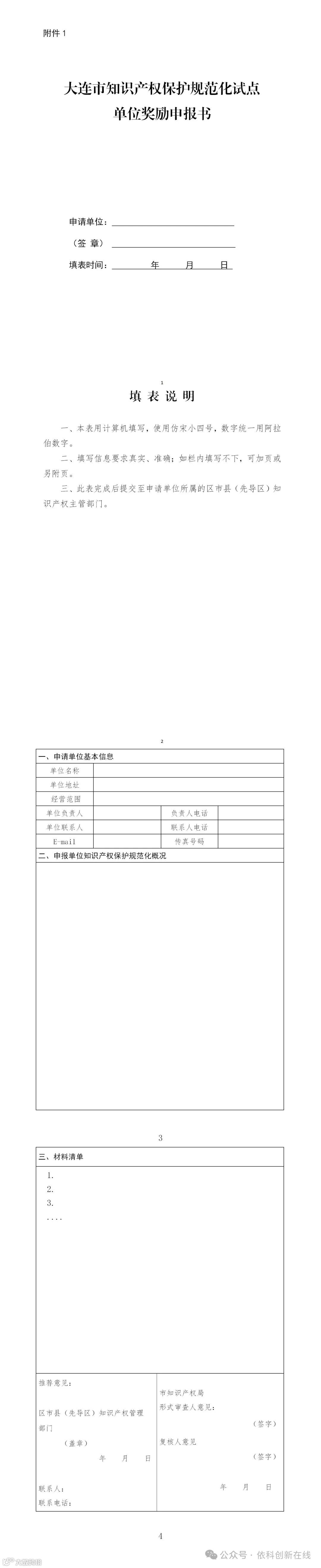
(一)《大连市知识产权保护规范化试点单位奖励申报书》(附件1);
(二)主体资格证明材料;
(三)企业知识产权保护有关规章制度,设置机构文件等相关材料;
(四)服务机构、专利律师签订维权服务相关证明材料;
(五)组织开展知识产权保护宣传、培训证明材料(影像、照片、签到簿、讲义等);
(六)承诺书(附件2);
(七)其它需提供的材料。


第四条 申报程序
(一)企业填写《大连市知识产权保护规范化试点单位奖励申报书》,并提交相关申报材料,报送区市县(先导区)知识产权管理部门(附件3)。项目资助满三年的可再次申请资助。区市县(先导区)知识产权管理部门负责对申报主体的申报材料进行初审,并在申报材料推荐单位一栏签章后向市知识产权局推荐。
(二)申报企业同时通过大连市公共服务平台(https://zhjg.scjg.dl.gov.cn/)完成线上申报。
(三)市知识产权局对申报材料进行形式审查,组织专家评审,根据信用查询和专家评审结果拟定知识产权保护规范化试点单位,进行公示。


第五条 报送材料及时限
(一)申报材料一式三份,统一胶装成册;
(二)材料受理截止日期:
2024年4月30日,凡材料不符合要求或逾期推荐的项目均不予受理。


第六条 纸质材料报送
大连市沙河口区中山路381号(613室)
联系人:韩东 84311522 84312999-2228


附件:

1.大连市知识产权保护规范化试点单位奖励申报书
2.承诺书
3.区市县(先导区)知识产权主管部门

大连市知识产权局
2024年2月1日


往期推荐

1.依科信息 | 关于申报2023年度企业管理创新成果的通知

2.依科信息 | 关于开展工信部、生态环境部“无废园区、无废企业”典型案例征集工作的通知

附件详情,请点击下方“阅读原文

内容由依科创新团队在线收集整理。版权归原创者所有。如标错来源或侵权,请跟我们联系协商或删除。

编辑|北

【声明】内容源于网络
0
0
依科创新在线
协助政府解读政策,帮助企业获得支持,促进科技成果转化,助推中小企业发展。 对制造业企业服务包括:定制创新管理体系和品牌出海及产品出口服务;对政府相关部门提供:“依科智库”服务;对高校及科研院所服务包括:专利运营、成果转化、实质性产学研联盟。
内容 4607
粉丝 0
依科创新在线 协助政府解读政策,帮助企业获得支持,促进科技成果转化,助推中小企业发展。 对制造业企业服务包括:定制创新管理体系和品牌出海及产品出口服务;对政府相关部门提供:“依科智库”服务;对高校及科研院所服务包括:专利运营、成果转化、实质性产学研联盟。
总阅读12.4k
粉丝0
内容4.6k