大数跨境
0
0

依科信息 | 关于组织开展2024年辽宁省制造业数字化优秀场景申报工作的通知

依科信息 | 关于组织开展2024年辽宁省制造业数字化优秀场景申报工作的通知 依科创新在线
2024-03-21
2

点击蓝字关注我们


关于组织开展2024年辽宁省制造业数字化优秀场景申报工作的通知


各市工业和信息化局、沈抚示范区产业创新局:


为贯彻落实辽宁全面振兴新突破三年行动,加快推进制造业数字化、网络化、智能化发展,现组织开展2024年辽宁省制造业数字化优秀场景申报工作。有关事项通知如下:


一、申报方向

制造业网络化、数字化、智能化应用场景是通过新一代信息通信技术、先进制造技术的深度融合,部署智能制造装备和工业软件,应用5G、人工智能、工业互联网等新技术,实现具有特定功能和实际价值的典型应用。参考《制造业数字化典型应用场景参考指引(2024年)》(附件1),按照产品全生命周期、生产全过程、供应链全环节等3个方面16个环节的45个智能制造典型场景,以及协同研发设计、设备协同作业等20个“5G+工业互联网”典型应用场景,申报制造业数字化优秀场景。


二、申报条件

(一)申报工业企业在辽宁省境内注册,具有独立法人资格且正常经营,具有健全的财务管理机构和制度,财务状况良好,信用良好且无违法记录。

(二)企业具有良好的信息化和工业化融合、智能制造基础,通过应用场景建设带动企业研发、制造、管理、服务等各环节数字化、智能化水平提高,实践模式具有可复制性、易推广性,具有示范带动作用。

(三)企业主导产品(技术)符合国家产业政策和行业政策导向。近三年未发生重大、特大安全生产事故,重大、特大环境事故,无违法违规行为。


三、有关要求

(一)企业按照自愿申报和属地化管理原则,认真填写制造业数字化优秀场景示范项目申报书(附件2),向所在市工业和信息化局提出申请。

(二)各市负责组织本地区企业申报制造业数字化优秀场景,对企业申报材料进行把关初审,于4月30日前将数字化优秀场景示范项目申报书(一式五份),制造业数字化优秀场景示范项目推荐汇总表(附件3)及推荐函报送至省工业和信息化厅(电子版发至邮箱:jxwxxh@163.com)。

(三)省工业和信息化厅负责组织对各市推荐的制造业数字化优秀场景进行遴选,以及名单公示、结果发布和跟踪管理等工作,在争取国家试点示范等方面给予优先推荐,加强典型经验推广、扩大示范作用。


联 系 人:魏翔、裴斐

联系电话:024-86913469


附件:

1.制造业数字化典型应用场景参考指引(2024年)

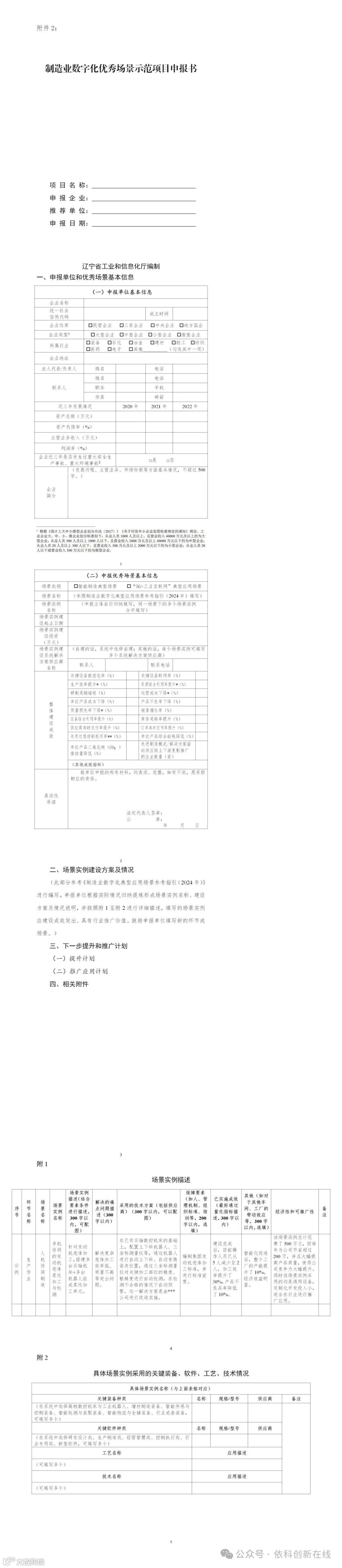
2.制造业数字化优秀场景示范项目申报书

3.制造业数字化优秀场景示范项目推荐汇总表


辽宁省工业和信息化厅

2024年3月19日


往期推荐

1.依科信息 | 国家发改委发布《促进国家级新区高质量建设行动计划》 金普新区再迎重大利好

2.依科信息 | 关于组织开展2023年度大连市科技企业孵化器、众创空间评价工作的通知

附件详情,请点击下方“阅读原文

内容由依科创新团队在线收集整理。版权归原创者所有。如标错来源或侵权,请跟我们联系协商或删除。

编辑|北

【声明】内容源于网络
0
0
依科创新在线
协助政府解读政策,帮助企业获得支持,促进科技成果转化,助推中小企业发展。 对制造业企业服务包括:定制创新管理体系和品牌出海及产品出口服务;对政府相关部门提供:“依科智库”服务;对高校及科研院所服务包括:专利运营、成果转化、实质性产学研联盟。
内容 4607
粉丝 0
依科创新在线 协助政府解读政策,帮助企业获得支持,促进科技成果转化,助推中小企业发展。 对制造业企业服务包括:定制创新管理体系和品牌出海及产品出口服务;对政府相关部门提供:“依科智库”服务;对高校及科研院所服务包括:专利运营、成果转化、实质性产学研联盟。
总阅读13.4k
粉丝0
内容4.6k