导言:智能新能源汽车对续航,NVH,可靠性和电磁兼容性的要求不断提升,当前电驱动系统逆变器正在经历从2电平拓扑向3电平拓扑的结构升级。相比于传统2电平,3电平在电压阶跃,THD谐波失真,共模电压,轴承寿命,EMC和低负载效率等核心指标上均呈现出一定的优势,是提升WLTP能耗表现和整车驾乘体验的最有效手段之一。未来电驱动系统的竞争,将不再仅仅是简单的SiC MOSFET vs IGBT,也是2电平与3电平的拓扑之争,3电平有希望成为下一代电驱逆变器的确定性方向。
导言:智能新能源汽车对续航,NVH,可靠性和电磁兼容性的要求不断提升,当前电驱动系统逆变器正在经历从2电平拓扑向3电平拓扑的结构升级。相比于传统2电平,3电平在电压阶跃,THD谐波失真,共模电压,轴承寿命,EMC和低负载效率等核心指标上均呈现出一定的优势,是提升WLTP能耗表现和整车驾乘体验的最有效手段之一。未来电驱动系统的竞争,将不再仅仅是简单的SiC MOSFET vs IGBT,也是2电平与3电平的拓扑之争,3电平有希望成为下一代电驱逆变器的确定性方向。
1. 什么是2电平拓扑和3电平拓扑
1.1 常见2电平拓扑和3电平拓扑
1.2 两电平拓扑相电压和线电压
1.3 三电平拓扑
2. 3电平拓扑对功率器件影响
2.1 半导体器件(驱动芯片和电源)考量
2.2 直流母线电容考量
2.3 3电平逆变器成本与系统复杂度影响
3. 3电平拓扑逆变器对电驱动性能影响
3.1 总谐波失真(THD)
3.2 NVH影响
3.3 轴电压与轴承寿命
3.4 EMC影响
3.5 系统效率影响
4. 总结
来源:DANA
1.1 常见2电平拓扑和3电平拓扑
2电平(2 level,2L)拓扑是将直流正(DC+)或者直流负(DC-)切换至交流端子,最常见的2电平拓扑包括半桥,全桥(H桥)和三相全桥等,如下图所示。

来源:网络
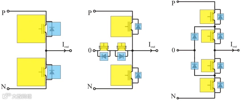
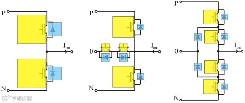
3电平(3 level,3L)拓扑则是将交流端连接至DC+,DC-或者中点N,N(中性点)是DC+与DC-之间的中点电压,它构成了第三个电平电压——这也是“三电平拓扑”名称的由来。
3电平逆变器中最常见的拓扑代表包括中性点钳位NPC(Neutral Point Clampled)3电平,T型中性点钳位TNPC(T-type Neutral Point Clamped)3电平,和有源中性点钳位ANPC(Active Neutral Point Clamped)3电平,如下图所示,实际需要根据应用场景进行选择。
来源:SEMIKRON DANFOSS
1.2 两电平拓扑相电压和线电压
两电平拓扑的输出有两个电压电平,通常为 + Vdc(正直流电源电压)和 - Vdc(负直流电源电压);这使得变换器能够在这两个电平之间切换输出,从而生成阶梯状的正弦波近似波形。
2电平拓扑的相电压和线电压及输出波形如下面两张图所示:
如下图所示为2电平拓扑的输出电压(线电压)和电流波形,其线电压波形(蓝色)只有2种电平,波形是“跳变式”的方波脉冲;而输出电流(红色)是正弦波,但是由于电压电平少,相比于3电平拓扑的电流输出波形,电流的纹波和谐波失真(THD)较高。
来源:SEMIKRON DANFOSS
由于在两个电压电平之间的突变转换,两电平变换器的输出波形含有较明显的谐波失真;对于敏感应用,需要额外的滤波来平滑波形。通常由于电压电平较少,会产生较高的谐波含量;高谐波含量可能导致电磁干扰(EMI)增强,可能需要更复杂的滤波系统。
两电平变换器中的开关器件通常承受更高的电压和电流,这可能导致应力增大和热量产生增加,因此可能需要更强大的冷却解决方案。
1.3 三电平拓扑相电压和线电压
三电平变换器在 + Vdc 和 - Vdc 的基础上,增加了一个额外的电压电平,通常为 0 伏(或接地);这种结构能够更精细地近似交流正弦波,即通过更小的电压阶跃,改善了输出波形的质量。
3电平拓扑的相电压和线电压及输出波形如下面两张图所示:
如下图所示为3电平拓扑输出电压(线电压)和输出电流波形,输出电压波形(蓝色)中增加了中点N对应的0电平;输出电流(红色)波形相比于2电平更接近平滑的正弦曲线,纹波明显较小,THD更低,更符合电网对电能质量的要求。
来源:SEMIKRON DANFOSS
中间电压电平(0 伏)的加入有助于降低输出波形的谐波失真,使其更接近纯正弦波,这通常意味着滤波需求减少,在对波形质量敏感的应用中表现更出色。额外的电压电平有助于降低总谐波失真(THD),从而减少电磁干扰,滤波要求也可能相应降低;这在对电能质量敏感的应用中尤为有利。在电机控制的应用场景中,三电平拓扑可以将电机输入的总谐波失真(THD)降低至两电平的1/2。
由于存在中间电压电平,每个开关器件承受的电压应力得以降低,这有可能提高元件的效率和使用寿命。开关器件的电压波动更小,从而降低了整体应力。
02 3电平拓扑对功率器件影响
2.1 半导体器件(驱动芯片和电源)考量
以逆变器为例,3电平拓扑使得驱动板上的半导体用量,比如驱动芯片(Gate Driver)和驱动电源数量翻倍(随着功率管的增加而增加),每增加一个MOSFET管,对应的驱动芯片和电源都要增加一套。

来源:ECPE
2.2 直流母线电容考量
3电平逆变器通常采用低压薄膜电容,受限于商用薄膜厚度,电容体积和成本要高于2电平逆变器,通过部分负载设计方案(比如轻负载用3电平,重负载切换2电平)可以最小化电容体积与成本权衡,兼顾效率和经济性。
如下图所示对比了3电平逆变器的直流母线电容设计,包含全负载3电平和部分负载3电平两种模式。 全负载3电平模式始终工作在3电平,C1和C2均采用低压薄膜电容,受商用电容薄膜厚度限制,厚度减少与电容耐压提升存在矛盾,因此电容体积和成本高于2电平逆变器;采用部分负载3电平模式,即根据工况在2电平和3电平间切换,总电容(Cdc,C1,C2)设计用于限制最坏工况下的直流母线电压纹波,由于3电平模式仅用于轻负载,C1和C2可以减少总电容占比,以平衡中点电压纹波与电容损耗,可以大幅度降低3电平拓扑在电容体积和成本上的权衡。
来源:Dana
2.3 3电平逆变器成本与系统复杂度影响
相对于2电平逆变器,3电平逆变器中由于功率管数量的增加,对应的驱动芯片和电源同比例增加,同时由于母线电容厚度的限制,使得电容体积和成本都要高于2电平逆变器;这些因素增加了逆变器设计的复杂性和成本。
03 3电平拓扑逆变器对电驱动性能影响
3.1 总谐波失真(THD)
三电平通过增加“0电平”使电压变化更平缓,减少对电机绕组的冲击,一方面降低THD(从两电平的10% - 15%降低至5% - 8%),减少电机铜损和铁损,提升驱动效率;另一方面降低电压变化率(du/dt),减少电机轴承的电蚀风险,延长使用寿命。
如下图所示,在2电平逆变器和T型中性点钳位3电平逆变器的THD测量结果,从数据中可以看出,三电平TNPC的THD比2电平降低了一半,充分说明了3电平在抑制谐波方面的优势。
来源:Hofer
3.2 NVH影响
3电平拓扑相对于2电平可以减小THD,因此会有更低的电流纹波,因此可以减少谐波对电机的激励,降低电机噪声与振动。如下图所示,对比2电平和3电平逆变器驱动电机的噪声水平,在相同工况(1000-4000rpm,不同转矩)下,3电平的NVH表现会比2电平性能提升超过25%。
来源:Hofer
电机NVH的主要来源之一就是谐波电流产生的脉动转矩,通过三电平拓扑降低THD后,脉动转矩幅度减小,进而减少电机转子与定子间的机械振动,最终降低噪声;三电平拓扑25%的NVH提升可以减少车内噪声2-3分贝,无需额外增加隔音材料,兼顾舒适性与整车轻量化。
3.3 轴电压与轴承寿命
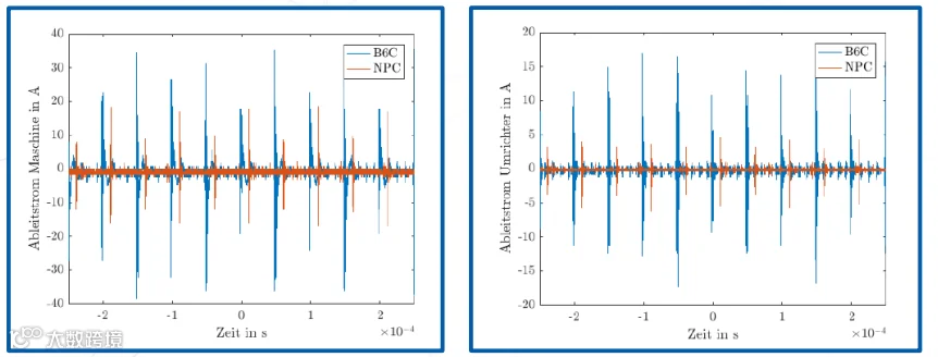
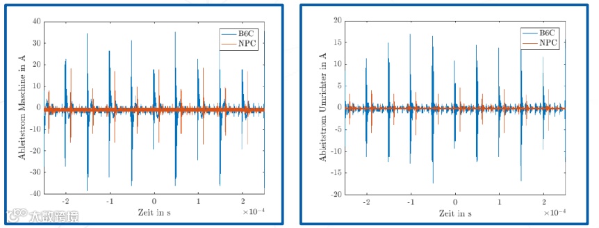
电机轴电压来自于逆变器输出的共模电压,这个电压会在轴承内外圈形成电场,在一些工况下会击穿润滑油膜,电蚀轴承,缩短轴承寿命。
如下图中左图所示,2电平拓扑(B6C)和2电平拓扑(NPC)的电机电流相比,B6C拓扑的电流纹波明显大于NPC拓扑,在右图的逆变器电流中也呈现出相同的现象,说明NPC拓扑的电流稳定性更优;而电机电流(左侧)的波动范围(±40A)大于逆变器电流(右图)中的波动范围(±20A),是由于电机侧电流包含了负载特性,因此波动范围更广。
来源:Hofer
如下图所示,相同轴承在2电平逆变器应用中,电机轴承在5000小时左右运行后磨损严重;而在3电平逆变器中,相同时间内磨损显著减轻。
来源:Hofer
3电平拓扑通过降低共模电压(从两电平的Vdc/2降低至Vdc/6-Vdc/3),能够从根源上减少轴电压,避免电蚀;相比当前在2电平应用中加装绝缘轴承等被动防护措施,可靠性更高。对于商用车电机,年均运行时间可达8000-10000小时,轴承寿命直接影响运维成本,3电平拓扑可以将轴承寿命延长50%以上,降低全生命周期成本,尤其适合重卡,客车等高频使用场景。
3.4 EMC影响
EMC电磁辐射主要源于电流电压的突变(高du/dt,di/dt),3电平拓扑的电压变化幅度仅为2电平的1/2(从Vdc降低为Vdc/2),因此du/dt降低50%,可以减少高频噪声的产生;同时共模电流减小,可以降低对周边电子设备(如车载雷达,中控系统)的干扰。
如下图所示为采用不同功率器件模组的逆变器样机(400V硅基两电平,800V硅基两电平,800V SiC两电平,800V NPC三电平)EMC测试结果,从图中可以看出,在1MHz~150MHz频段,样机4(三电平)的共模(CM)和差模(DM)电磁辐射值均低于其他三款两电平样机,尤其是在10MHz以上高频段,其优势更加显著。
来源:Hofer
3电平拓扑天生具有更优的EMC性能,相比2电平可以减少EMC滤波器的体积和成本。EMC滤波器占逆变器体积的10%~15%,三电平拓扑可以将滤波元件(如电感,电容)的参数降低30%~50%,实现逆变器小型化。
3.5 系统效率影响
WLTP测试循环工况以中低速,低负载为主,传统2电平逆变器在低负载时开关损耗占比高(可达总损耗的60%),而3电平拓扑通过优化调制策略,可以将负载开关损耗降低20%-30%,直接提升WLTP能耗表现;同时3电平拓扑还可以通过灵活的电平转换,在低负载时以低开关频率运行(减少损耗),高负载时以高开关频率运行(保证输出精度),实现全工况效率平衡。
来源:Hofer
从电机损耗角度,如下图所示,在WLTP工况覆盖的转速(500~4000rpm)与转矩(50~300Nm)范围内,3电平拓扑的电机损耗比2电平降低0.02%~27.69%,其中低负载区域(转矩<100Nm)损耗降低幅度最大(10%~27%)。
来源:Hofer
如下图所示,在三种不同逆变器配置类型(2电平IGBT,3电平IGBT和3电平SiC)下,整车损耗,逆变器损耗,电机损耗和减速器损耗的比较值;从图中可以看出,3电平拓扑可以实现2.4%的WLTP续航提升,若结合SiC材料优化软硬件,续航提升可达4%(参考车型为J级低端车型,重量为1980kg,最高车速210km/h)
来源:Hofer
3电平拓扑通过降低电机损耗(谐波减少)和逆变器开关损耗,将低负载区域总损耗降低10%~27%,从而可以直接转化为续航提升;如果使用基于第三代款禁带半导体SiC,3电平+SiC方案相比于3电平+IGBT,逆变器损耗从13.9Wh/km降低至13.0Wh/km,电机损耗从9.1Wh/km降低至7.6Wh/km,体现了拓扑优化+材料升级的协同效应,是未来高端车型的主流技术方向。
04 总结
从两电平到三电平,是电驱逆变器架构的一次关键代际升级。三电平通过在 +Vdc 与 −Vdc 之间加入 0 电平,使输出电压阶跃显著变小,直接带来谐波降低、共模电压减少、电流纹波减小等一系列系统性优势。其对电机铜损、铁损、轴承寿命、NVH 表现、EMC 以及 WLTP 低负载效率均产生显著改善,在电驱性能上形成跨代差异。
在功率器件层面,三电平会带来更多的开关器件、驱动板与电容体积需求,使设计复杂度与成本提升。但随着 SiC 器件普及、小型化电容技术成熟、部分负载三电平策略的应用,这些代价正逐步被工程手段“摊薄”,避免了传统印象中“三电平成本过高”的限制。
从实际测试数据来看,三电平可将 THD 降低 40%–50%,电机 NVH 降低 25% 以上,轴承寿命提升 50% 以上,EMC 滤波规模降低 30%–50%,WLTP 续航提升约 2.4%–4%。这些结果充分说明三电平不仅是“更好”,而是“在关键指标上全面优于两电平”。
如下图所示为2电平拓扑和3电平拓扑性能比较的总结。
总体而言,三电平尤其适用于800V 平台、高性能乘用车、重卡/客车等高运行时长场景。随着 SiC 成本继续下降,三电平将成为下一代电驱逆变器的主流架构路线,而两电平将在中低端车型中逐步固化为成本型方案。需要说明的是,3电平拓扑不仅适用于永磁同步电机,同样也适用于感应电机驱动。
来源:MITSUBISHI ELECTRIC
-
虚拟开发及验证第1讲:通用汽车虚拟标定电驱动系统 -
理想汽车增程式技术路线实践与思考 | SSSAET 2025会议材料总结分享 -
蔚来900V高压平台与电驱动系统开发 | SSSAET 2025会议材料总结分享 -
人工智能时代,逆变器如何变身智能体?| 电力电子及其数字化实现路径【完结篇】 -
功能安全机制在控制器设计中如何落地? -
上海车展电驱动动力总成总结 -
数字孪生技术与虚拟控制器技术:如何在电驱动系统开发中应用? -
3相电机到6相电机:增加故障容忍(Fault Tolerant) -
机器人电机控制功能安全系统设计方案 | TI助力节省至少6个月功能安全认证 -
扒一扒什么是获得千万大奖"小米超级电机V8s"的智能门极驱动? -
电力电子仿真工具选择指南 | 七大电力电子电路仿真软件技术分析
-
电机控制数据采集与分析 | 均方根值,无功功率和视在功率与滤波器截止频率关系技术解析 -
工程机械电机控制器应用 | 逆变器基础功能介绍 -
功率模块及系统寄生电感新标杆? | 寄生电感全面解析及分析设计指南【Part 1】
-
舍弗勒2025资本市场日主要看点 | 电力电子系统应用相关内容梳理 【半导体技术(功率/模拟/数字)拓展阅读内容】
点击文末[阅读原文],加入电力电子系统应用智库
如果觉得不错或对您有用
欢迎推荐给身边朋友
右下角点个在看❤+关注
作者更新更有动力
感谢大家支持
更多相关内容在知识星球中发布
欢迎进一步查阅、学习、共同成长
【苹果手机用户请添加以下微信加入】

如果您觉得有用
记得点个赞⬇⬇


