来源:懂车帝
-
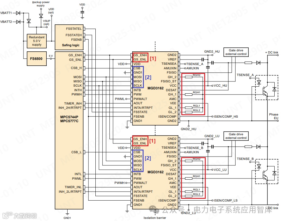
通过低压区管脚 GS_EN H 和 GS_EN L 控制栅极强度:
GD3162 提供了两种在低压区控制栅极强度的方式,第一种是使用低压区 I/O 管脚 GS_EN_H和 GS_EN_L 控制栅极强度,可以支持高达 20 kHz 的的变化频率。通过合适的配置,还可以支持TRILEVEL 操作,TRILEVEL 指的是用户可以同时使能上拉和下拉栅极输出操作。
GD3162 逻辑电平管脚可以进行高度配置,从而实现多种不同的开通和关断驱动强度组合。为了使用 I/O 管脚 GS_EN_H 和 GS_EN_L 使能栅极强度可调,寄存器 MODE2 中的 GSSP_I_EN 位必须设置为 0(默认值)。
• 配置 GS_EN_H 管脚逻辑和 TRILEVEL 操作
为了通过配置 I/O 管脚 (GS_EN_H 和 GS_EN_L) 实现不同栅极驱动强度组合,需要根据下图所示的上拉和下拉栅极驱动强度真值表来设置寄存器 STATCON4 (GS_H_WS_CNF , GS_H_US_CNF ,GS_L_WS_CNF and GS_L_US_CNF )。
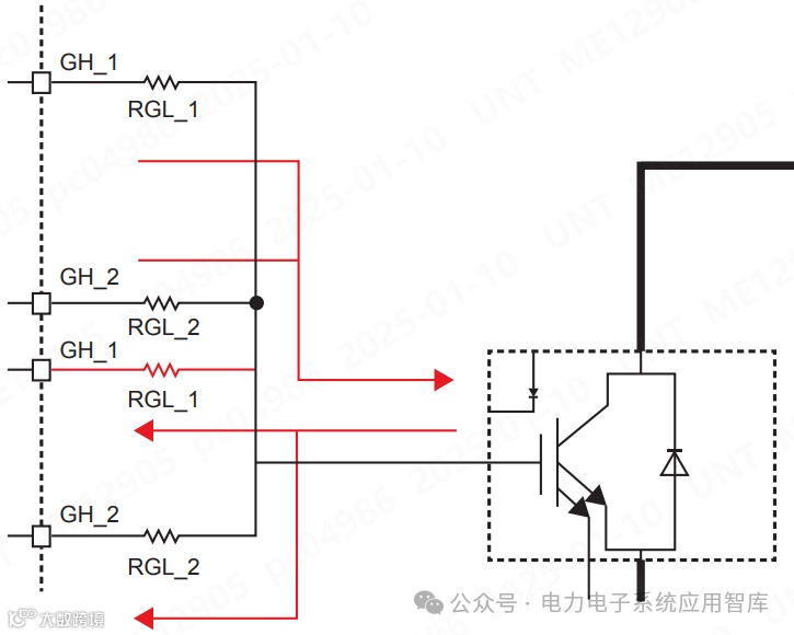
如真值表中所列出,根据 I/O 管脚 GS_EN_H的逻辑状态,通过配置 GS_H_WS_CNF和GS_H_US_CNF将确定哪个上拉输出管脚 (GL_1 和/或 GL_2) 将会被使能。
GS_EN_H 的逻辑被设计为三种独立的状态:逻辑高电平,逻辑低电平和逻辑 TRILEVEL。管脚电压为 VDD 时为逻辑高电平,管脚电压为 0V 时为逻辑低电平,管脚电压为 VDD/2 时为逻辑TRILEVEL,通过配置 GS_H_WS_CNF 和 GS_H_US_CNF,结合 GS_EN_H的逻辑状态,可以提供一系列不同的栅极强度来满足大部分应用。
• 配置 GS_EN_L 管脚逻辑和 TRILEVEL 操作
类似于配置上拉栅极强度,下拉栅极强度也可以通过配置实现强度可调。通过下图的真值表可以看出,根据 I/O 管脚 GS_EN_L 的逻辑状态,通过配置 GS_L_WS_CNF 和 GS_L_US_CNF将确定哪个下拉输出管脚 (GL_1 和/或 GL_2) 将会被使能。

GS_EN_L 的逻辑被设计为三种独立的状态:逻辑高电平,逻辑低电平和逻辑 TRILEVEL。管脚电压为 VDD 时为逻辑高电平,管脚电压为 0V 时为逻辑低电平,管脚电压为 VDD/2 时为逻辑TRILEVEL,通过配置 GS_L_WS_CNF 和 GS_L_US_CNF ,结合 GS_EN_L 的逻辑状态,可以提供一系列不同的栅极强度来满足大部分应用。
通过低压区 SPI 控制栅极强度:
第二种在低压区控制上拉和下拉栅极强度的方法是通过 SPI 直接调节。当寄存器 MODE2 中的GSSP_I_EN 位设置为 1 时,GD3162 使能 SPI 命令优先级高于栅极强度使能逻辑管脚来调节驱动强度,GSSP_I_EN 位的默认值为 0(栅极强度通过 GS_EN_H 和 GS_EN_L 的输入来控制)。通过设置寄存器 STATCON4 的不同位来实现栅极强度控制。
对于上拉 (开通) 栅极强度,使用 GS_H_WS_CNF 和 GS_H_US_CNF 来控制,以下真值表将寄存器的不同配置转换为开通管脚 GH_1 和 GH_2 的栅极驱动强度。
对于下拉 (关断) 栅极强度,使用 GS_L_WS_CNF 和 GS_L_US_CNF 来控制, 以下真值表将寄存器的不同配置转换为开通管脚 GL_1 和 GL_2 的栅极驱动强度。

栅极驱动强度的变化需要 20μs 的建立时间,假设栅极驱动强度调整指令至少提前 PWM 信号变化前 20μs,则驱动强度将会在接下来的 PWM 变化时使能,如果调整指令少于 20μs,则驱动强度调整就会延迟 1 个 PWM 周期,从而在下个 PWM 变化时使能。为了避免通信时的信息丢失,驱动强度调整的最大频率不能超过 20kHz。
-
虚拟开发及验证第1讲:通用汽车虚拟标定电驱动系统 -
理想汽车增程式技术路线实践与思考 | SSSAET 2025会议材料总结分享 -
蔚来900V高压平台与电驱动系统开发 | SSSAET 2025会议材料总结分享 -
人工智能时代,逆变器如何变身智能体?| 电力电子及其数字化实现路径【完结篇】 -
功能安全机制在控制器设计中如何落地? -
上海车展电驱动动力总成总结 -
数字孪生技术与虚拟控制器技术:如何在电驱动系统开发中应用? -
3相电机到6相电机:增加故障容忍(Fault Tolerant) -
机器人电机控制功能安全系统设计方案 | TI助力节省至少6个月功能安全认证 -
电力电子仿真工具选择指南 | 七大电力电子电路仿真软件技术分析 -
电机控制数据采集与分析 | 均方根值,无功功率和视在功率与滤波器截止频率关系技术解析 -
工程机械电机控制器应用 | 逆变器基础功能介绍 -
功率模块及系统寄生电感新标杆? | 寄生电感全面解析及分析设计指南【Part 1】 -
无电解电容永磁电机驱动控制技术报告分享
-
动力总成功率半导体解析 | IGBT, SiC Mosfet, GaN HEMT半导体工作原理 -
功率半导体技术解析 | Mosfet, SJ Mos, IGBT, SiC and GaN半导体结构 -
功率半导体技术解析 | 安世半导体汽车特定应用MOSFETs和宽禁带半导体【完结篇】 -
汽车电子可靠性测试认证规范AEC-Q100全面解析 -
电力电子转换单元功率模块鉴定标准AQG 324技术解析
点击文末[阅读原文],加入电力电子系统应用智库
如果觉得不错或对您有用
欢迎推荐给身边朋友
右下角点个在看❤+关注
作者更新更有动力
感谢大家支持
更多相关内容在知识星球中发布
欢迎进一步查阅、学习、共同成长
【苹果手机用户请添加以下微信加入】
如果您觉得有用
记得点个赞⬇⬇


