搜索
首页
大数快讯
大数活动
服务超市
文章专题
出海平台
流量密码
出海蓝图
产业赛道
物流仓储
跨境支付
选品策略
实操手册
报告
跨企查
百科
导航
知识体系
工具箱
更多
找货源
跨境招聘
DeepSeek
首页
>
因为它,信息科大快步迈向新能源时代~
>
0
0
因为它,信息科大快步迈向新能源时代~
北京信息科技大学
2016-04-18
2
导读:点击上方“北京信息科技大学”可订阅哦!
点击上方“
北京信息科技大学
”可订阅哦!
滚滚车流,空气中充满了污浊的味道,北京的雾霾天,想必大家深有感触。雾霾的产生与汽车尾气的排放有一定关系。以电力驱动为代表的新能源汽车不排放尾气,能有效降低空气中的废气含量~信息科大积极倡导和践行勤俭节约、绿色低碳、文明健康的生活方式和消费模式~这不,校园又有新变化啦!小营校区、健翔桥校区、清河校区都安装了电动汽车的充电桩!!信息科大快步迈向新能源时代啦!!!官微君在此提醒大家,这些充电柱是给汽车供电的哟,不要把你的爪机放上去充电欧~再补充一句,充电桩刚刚建好,还没有正式的投入使用哟~
小营校区
小营校区总共建设有20台7KW交流充电桩,5台30KW直流充电桩。
小营校区停车场充电桩(9台7KW交流充电桩,3台30KW直流充电桩)平面示意图如上。
在小营校区南区停车场充电桩(11台7KW交流充电桩,2台30KW直流充电桩)平面示意图如下:
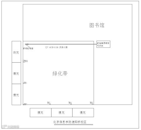
健翔桥校区
健翔桥校区图书馆停车场建设有5台7KW交流充电桩,1台30KW直流充电桩,平面示意图如上。
清河校区
清河校区总共建设有9台7KW交流充电桩,3台30KW直流充电桩。
清河校区门诊部停车场充电桩(3台7KW交流充电桩,1台30KW直流充电桩)平面示意图如上。
清河校区图书馆停车场充电桩(6台7KW交流充电桩,2台30KW直流充电桩)平面示意图如下:
对于学校安装充电桩这种高大上的东东~官微君在小激动之余,特意请教了我校新能源汽车北京实验室负责人、机电工程学院的陈勇教授。
陈老师介绍说,现在北京环境污染问题十分突出,为推进节能减排、促进大气污染治理,全面加快电动汽车充电设施的建设,应该说一种有效的办法。所以,信息科大与北汽新能源公司合作,在我校安装了充电桩,应该基本能满足驾驶电动车的师生的充电服务。
充电桩来了,信息科大快步迈向新能源时代!绿色出行、保护环境,信息科大在努力,信息科大人在践行~
图/
范明烨、谢瑞麟、刘彤、宋阳、韩沐蓉
文/刘瑞
编辑/石妍
【声明】内容源于网络
0
0
北京信息科技大学
微资讯 微服务 微展示
内容
2464
粉丝
0
关注
在线咨询
北京信息科技大学
微资讯 微服务 微展示
总阅读
1.9k
粉丝
0
内容
2.5k
在线咨询
关注