
编辑简介:本文介绍一个以海为S16M0T系列 PLC 为控制系统在自动送料线中的应用,描述了控制要求及安装、调试的基本情况及注意事项,并给出部分现场照片和PLC程序。海为S16M0T 型号的PLC 是集开关量、模拟量、输入输出脉冲为一体的性价比高的一款可编程控制器。我司用于包装线其中的自动电线上料机上,便于以后修改和完善,采用步进电机和变频器控制。
控制要求:启动送电线输送线X0,人工把包扎好的电线放入输送线3,满料X6感应后延时停止;输送线1首先准备好接料(X2感应即停止),当X4入口未感应时输送线2启动,输送线2运行直至X4感应后停止(X3感应即停止);输送线1在X4感应后启动,步进1格(X2感应即停止),直至物料到出口X5有感应后停止;包装总线发出指令X1要料信号,输送线1前进1格,把X5感应到的物料放到总包装线上,输出完成信号Y1。
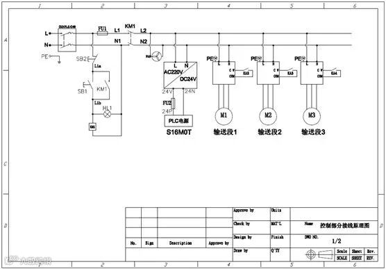
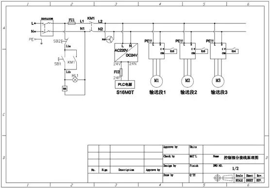
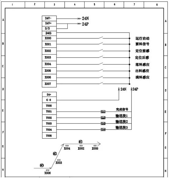
电气绘图:根据要求,我们选用了3个对射型光电开关和2个光纤传感器。用CAD绘出了电气控制原理图和PLC接线图:

图1 电气控制原理图

图2 PLC接线图及工艺示意图
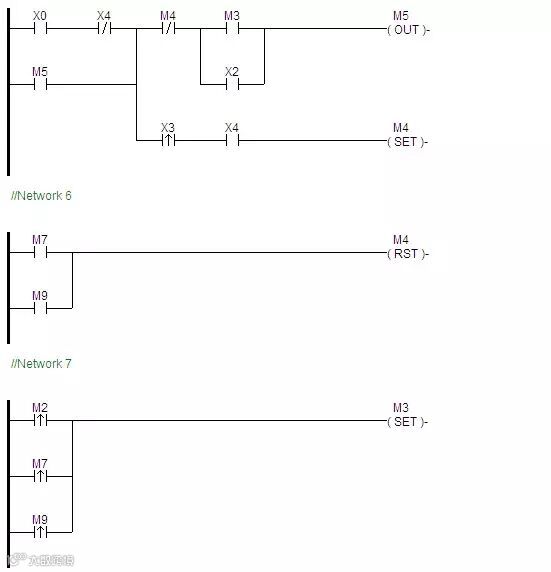
程序编制:根据设备工艺要求和电气原理图来设计PLC 程序。海为公司为了用户更好的应用PLC,还是做了大量的程序示例。海为的编辑软件用着也挺好用,一下子就习惯了(附部分程序)。

图3 部分程序图
安装配线:由于刚开始是验证机械机构是否可行,配线有些仓促,没打线号很快就配好了,我拍了照片:

图4 控制柜图
图5 包装线局部图
运行调试:输完了程序,开始运行。动作都在预期中,程序没做改动,机械部分运行还算不错,以后稍加改动就可以了(还特意拍了视频给客户看)。
个人体会:目前,PLC市场用进口的比较多,没想到国产PLC海为做的这么好,身为国人,真应该抛去固有的观念,为我们的中国梦而支持国有品牌了。


