01
简介
◇
◆ 音圈快反镜是一种采用音圈电机驱动的快速反射镜,主要用于高精度光学扫描跟踪系统。 音圈快反镜由支撑基座、内外框架、反射镜片、音圈电机执行器、柔性铰链及测角传感器组成。
◆ 音圈电机是一种特殊形式的直接驱动电机,能在均匀气隙磁场中放入一圆筒状绕组,绕组通电产生电磁力带动负载作直线往复运动。改变电流的强弱和极性,可以改变电磁力的大小和方向。因此,音圈电机的运动形式可以为直线或旋转。
◆ 音圈快反镜被广泛运用于激光通信、光束对准、自适应光学、超分辨率成像、光学稳像、图像运动补偿、精密的激光加工等领域。在国防领域的系统中,大多采用音圈马达驱动的快反镜。
◆ 音圈快反镜具有大行程、承载能力强、对振动、冲击等工作环境具有较强的适应性等优点。
02
音圈快反镜简介
◇
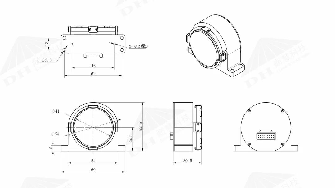
① 音圈快反镜FSM-640.02.090.OPT
◆ 外观
◆ 技术参数
|
型号 |
FSM-640.02.090.OPT |
|
镜⾯尺⼨ |
Ф41mm |
|
通光孔径 |
≥Ф40mm |
|
镜⾯材料 |
玻璃 |
|
镜⾯偏摆⻆度(机械) |
≥±9° @θx 、≥±3° @θy |
|
运动轴数 |
2轴 |
|
执⾏器 |
音圈电机 |
|
内置传感器 |
光电传感器 |
|
⻆度分辨率 |
0.001°≤ |
|
重复定位精度 |
0.006°≤ |
|
带宽 |
120Hz(±9°) |
|
质量 |
≤160g(含镜片) |
|
外形尺⼨ |
69mm×30.5mm×52.5 mm |
|
适配控制器型号 |
定制 |
|
控制器名称 |
定制 |
◆ 尺寸图
03
一句话认知巅慧科技
◇
◆ 巅慧的⾏业定位:超精密定位的引领者!
◆ 巅慧的技术⽬标:更快、更准、更小!
◆ 巅慧的企业理念:创新、合作、共赢!
◆ 巅慧的发展理念:以创新育市场, 以创新促发展!
◆ 巅慧的企业精神:同心同德、拼搏奋斗、⾃强不息!
◆ 巅慧的质量⽅针:让产品所有的质量问题都暴露在交付用户之前!
◆ 巅慧的发展思路:专注“专精特新”,做好“配套专家”!
◆ 巅慧的市场定位:服务国家重点国防装备、服务重⼤科学计划与⼯程和服务国家战略新兴产业。

