01
简介
◇
◆ 音圈快反镜是一种采用音圈电机驱动的快速反射镜,主要用于高精度光学扫描跟踪系统。 音圈快反镜由支撑基座、内外框架、反射镜片、音圈电机执行器、柔性铰链及测角传感器组成。
◆ 音圈电机是一种特殊形式的直接驱动电机,能在均匀气隙磁场中放入一圆筒状绕组,绕组通电产生电磁力带动负载作直线往复运动。改变电流的强弱和极性,可以改变电磁力的大小和方向。因此,音圈电机的运动形式可以为直线或旋转。
◆ 音圈快反镜被广泛运用于激光通信、光束对准、自适应光学、超分辨率成像、光学稳像、图像运动补偿、精密的激光加工等领域。在国防领域的系统中,大多采用音圈马达驱动的快反镜。
◆ 音圈快反镜具有大行程、承载能力强、对振动、冲击等工作环境具有较强的适应性等优点。
02
音圈快反镜简介
◇
① 音圈快反镜FSM-840.02.015.OPT.CIR
◆ 外观
◆ 技术参数
|
型号 |
FSM-840.02.015.OPT.CIR |
|
镜⾯尺⼨ |
40mm |
|
通光孔径 |
30mm~45mm(可定制) |
|
镜⾯材料 |
融石英(可定制) |
|
镜⾯偏摆⻆度(机械) |
±1.5° |
|
运动轴数 |
2轴 |
|
执⾏器 |
⾳圈 |
|
内置传感器 |
光电 |
|
⻆度分辨率 |
1 μrad |
|
重复定位精度 |
8 μrad |
|
带宽 |
350Hz@500μrad |
|
线性度 |
0.05%(数字矫正后) |
|
外形尺⼨ |
50mm×50mm×35mm |
|
质量 |
≤500g(不含电缆及连接器) |
|
适配控制器型号 |
AMP-7150.28V.OPT.DINT |
|
控制器名称 |
数字控制器 |
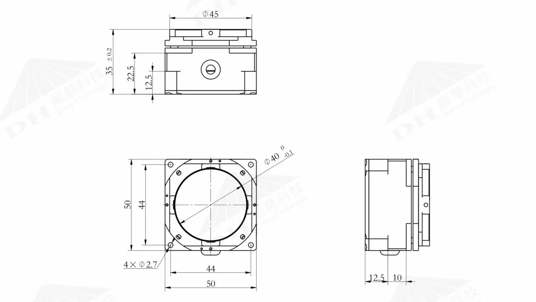
◆ 尺寸图
② 驱动控制器 AMP-7150.28V.OPT.DINT
◆ 外观
◆ 技术参数
|
型号 |
AMP-7150.28V.OPT.DINT |
|
传感器解调形式 |
光电 |
|
供电电压 |
28 VDC |
|
ADC |
16位 |
|
DAC |
16位 |
|
通信接口 |
Rs422 |
|
通讯波特率 |
921600bps,115200bps,1Mbps |
|
静态功耗 |
10W |
|
驱动功率 |
150W |
|
驱动通道数 |
2路 |
|
外形尺寸 |
118mm*75mm*45mm |
|
对外接口型号 |
J30J-21ZK |
|
重量 |
300g |
|
主控芯片 |
FPGA |
◆ 尺寸图
04
一句话认知巅慧科技
◇
◆ 巅慧的⾏业定位:超精密定位的引领者!
◆ 巅慧的技术⽬标:更快、更准、更小!
◆ 巅慧的企业理念:创新、合作、共赢!
◆ 巅慧的发展理念:以创新育市场, 以创新促发展!
◆ 巅慧的企业精神:同心同德、拼搏奋斗、⾃强不息!
◆ 巅慧的质量⽅针:让产品所有的质量问题都暴露在交付用户之前!
◆ 巅慧的发展思路:专注“专精特新”,做好“配套专家”!
◆ 巅慧的市场定位:服务国家重点国防装备、服务重⼤科学计划与⼯程和服务国家战略新兴产业。

