
快反镜具有响应速度快和控制精度高等特点,在光学系统中已经成为稳定和校正光束的关键部分,在工业设备、激光通讯、成像系统等多个领域得到了广泛应用。随着大口径望远镜技术的发展,FSM不仅应用于精密跟踪系统,而且应用于自适应光学系统以校正大气扰动引起的低频误差。
快速反射镜根据其驱动方式的不同,大致可分为六大类:压电陶瓷驱动器、音圈电机、电致伸缩驱动器、磁致伸缩驱动器、形状记忆合金驱动器、静电微驱动器。本文详细介绍压电快反镜。
压电快反镜采用的是压电陶瓷驱动的方式,而压电陶瓷具有体积小、结构紧凑、谐振频率高等特点,因此压电快反镜能够达到相对较高的控制精度。
工作原理:倾斜镜的轴向伸缩量和施加在压电陶瓷执行器两端的电压成近似线性的关系。而压电执行器在伸缩时,会带动镜面进行转动,这样就可以把直线运动转换为角度运动。只需改变电压大小就可实现对快反镜的角度控制。

压电快反镜FSM-230.02
产品特点
压电快反镜依据外界指令输入信号及镜面转角传感器的反馈信号,精确控制压电陶瓷驱动反射镜镜面旋转,主要用于实现对光束的高精度指向控制。
产品实现的功能
a) 具备响应外部指令并驱动镜面运动至指令位置的功能;
b) 具有实时输出压电快反镜角位置信息的功能;
c) 能够在工作异常时上报故障信息并具备保护功能;
产品的主要特点
a) 双轴可实现大于±1.5mrad 及±3mrad的角度偏转
b) 稳定性和定位精度高,可实现 1μrad 以内的精度要求
c) 工作范围广:-55℃~70℃;
d) 功耗低;±15V,峰值功耗≤160W
e) 可按照用户需求定制,满足客户要求
技术参数

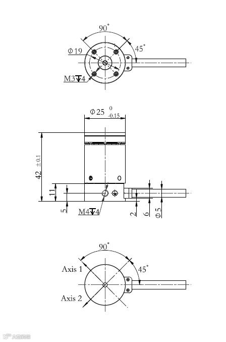
结构尺寸

压电快反镜安装座尺寸图

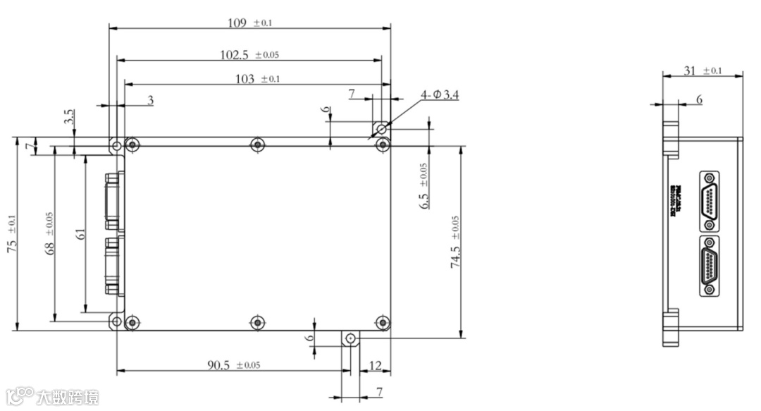
控制器安装座尺寸图
电气接口

电气接口外形示意图



