兆驰半导体:一种高空穴注入效率Micro-LED外延结构及其制备方法
专利摘要:本发明公开了一种高空穴注入效率MicroLED外延结构及其制备方法,涉及半导体技术领域。本发明的MicroLED外延结构包括多量子阱发光层、多阶P型空穴注入增强层和P型半导体层;多阶P型空穴注入增强层包括第一阶空穴注入增强层、第二阶空穴注入增强层和第三阶空穴注入增强层;第一阶空穴注入增强层包括第一AlGaN层和第一InGaN层;第二阶空穴注入增强层包括第二AlGaN层和第二InGaN层,第二InGaN层中掺杂有Mg;第三阶空穴注入增强层包括第三AlGaN层、第三InGaN层和第四InGaN层,第三InGaN层和第四InGaN层中分别掺杂有Mg。
本发明高空穴注入效率的MicroLED外延结构,可显著提高P型半导体层的空穴注入效率并改善多量子阱发光层区域电子空穴浓度的匹配度,从而提高MicroLED芯片在低工作电流密度下的光效。
专利摘要:本发明公开了一种用于MicroLED的外延结构及其制备方法、Micro LED,涉及半导体光电器件领域。其中,外延结构依次包括衬底、缓冲层、非掺杂GaN层、N型GaN层、多量子阱层、空穴输运层和P型GaN层;多量子阱层包括交替层叠的量子阱层和量子垒层;所述量子阱层为InxGa1xN层,所述量子垒层包括依次层叠的InyGa1yN层、AlzGa1zN层和BwGa1wN层;x>y;所述量子垒层的厚度<10nm;所述空穴输运层包括依次层叠的AlαGa1αN层、BβGa1βN层和AlN层;w>α>β。实施本发明,可提升MicroLED在低电流密度下的光效,提升其显示效果。
专利摘要:一种MicroLED发光芯片测试方法,涉及MicroLED显示技术领域,解决现有采用TFT的AM驱动技术驱动MicroLED显示器时,由于TFT和LED的性能差异会造成红绿蓝LED亮度匹配不均造成灰度过度不均匀以及亮度不均匀性的问题。方法通过基于PCB基板设计MicroLED测试阵列模组,阵列内部采用并联方式将LED阵列连接,外部采用电压源直接驱动方式保证加载到每颗LED上的电压是一致的。通过测试红绿蓝三基色MicroLED阵列模组从0灰阶到255灰阶的数据电压计算得红绿蓝模组最小灰阶电压的公约数以及MicroLED白场最小的灰阶等级。本发明适用于MicroLED显示领域。
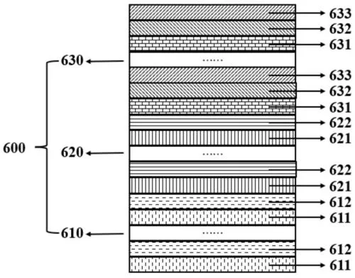
江苏第三代半导体研究院有限公司申请一项名为“Micro-LED器件及其制备方法”的发明专利,申请公布号为CN118867068A,申请公布日为2024月10月29日。
专利摘要:本发明公开了一种MicroLED修复方法与修复设备,修复设备包括支撑架、激光加工组装置、物镜组件、Z轴模组和T轴模组,所述物镜组件沿T轴方向滑动连接于所述支撑架上,所述T轴模组用于驱动所述物镜组件移动,以使物镜组件中不同倍率的物镜移动至激光加工组装置射出激光的同轴位置,所述激光加工组装置沿Z轴方向滑动连接于所述支撑架上,所述Z轴模组用于驱动所述支撑架移动,以调节所述物镜组件在Z轴方向的位置;修复方法采用上述修复设备实现MicroLED的修复。本发明通过不同倍率物镜的选择以及物镜高度的调节来自动追焦,从而提高加工的精度,同时提高加工效率。
专利摘要:本发明提供了一种MicroLED显示芯片制备方法及MicroLED显示芯片,制备方法包括:在生长衬底上沉积GaN外延层和第一键合金属层;在驱动电路基板表面沉积第二键合金属层后与第一键合金属层键合;去除生长衬底及部分GaN外延层后进行光刻和刻蚀,以形成若干相互独立的MicroLED单元;沉积钝化层和N电极层,得到若干独立的发光台面;在相邻的两发光台面之间沉积环形的金属电极,在金属电极与发光台面之间填充含有量子点和纳米荧光粉的粘性光学涂层;制备微透镜阵列后贴合在粘性光学涂层上,以得到目标MicroLED显示芯片。本申请的MicroLED显示芯片为全彩显示芯片,发光亮度强、效率高。
LEDinside
加群交流

关注我们

