国家知识产权局网站信息显示,JBD近日公布了2项最新微型显示专利技术。
其中,JBD申请一项名为“微型LED像素数字驱动电路的系统和方法”的专利,公开号CN120937068A。

图片来源:国家知识产权局
专利摘要显示,这是一种微型LED像素数字驱动电路,通过数字微型LED像素驱动系统驱动微型LED像素(1)在显示屏上显示图像。
此外,JBD申请了一项“微型LED显示面板”专利,公开号CN120958507A。专利摘要显示,其包括:微型LED显示芯片(110),用于显示图像;微型机械结构(120),围绕所述微型LED显示芯片(110)设置,用于控制所述微型LED显示芯片(110)的移动;支撑结构(130),适于支撑所述微型LED显示芯片(110)和所述微型机械结构(120)。

图片来源:国家知识产权局
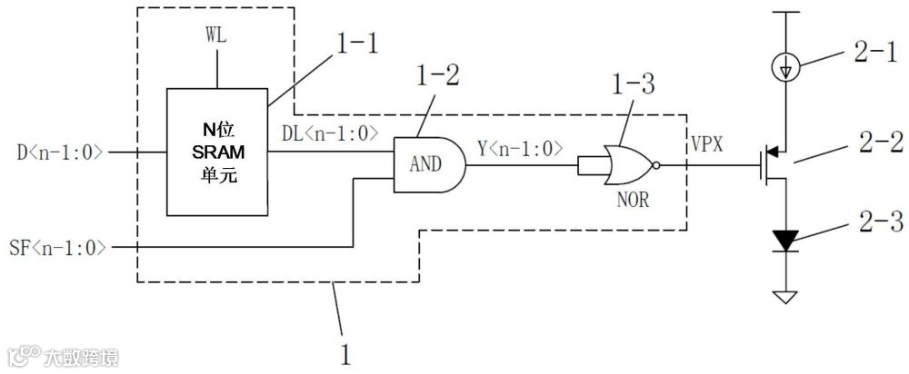
“微型LED像素驱动电路的系统与方法”专利,公开号CN120937069A。专利提供一种微型LED像素驱动电路,所述微型LED像素驱动电路包括逻辑运算模块和像素驱动模块。

图片来源:国家知识产权局
LEDinside
加群交流

