一、如何量化相参性能
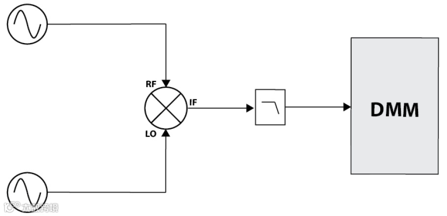
将相同频率的两个源输入混频器,把混频器作为鉴相器用,然后在中频输出端查看产生的直流偏移,这样来量化相位相参指标。通过给定频率下混频器的Kd(V / Rad),可以确定两个源的相位偏移。
寻找混频器的Kd

注意:一定要使用适当的功率来驱动混频器,并且两个通道要用相同的频率。
a)使用以上设置和Holzworth GUI,将通道1的相位设置为0度,并更改通道2的相位,直到找到DMM混频器输出的最大值

b)记录万用表(DMM)显示的电压

c)重复步骤a),但现在找到混频器将输出的最小值,相位应与最大值相差180度

d)再次记录万用表显示的电压
e)通过找到混频器的最小和最大输出,就能找到180度(π弧度)相位变化范围内,混频器可以输出的电压范围,现在取最小和最大直流输出之差,然后将其除以π, 结果是V / Rad或Kd

既然已经知道混频器的直流输出电压与相位偏移量之间的相关性,我们就可以计算出两个源之间的相位偏移量。

注意:电缆必须尽可能短,建议使用相匹配的电缆。
1)将两个源设置为相同的相位偏移
2)记录混频器的直流输出
3)计算两个源的偏移量

二、HS9000系列通道间相位稳定性
HS9000系列是一个多通道平台,集成了Holzworth的HSM系列RF合成器模块,是每个通道独立可调的CW信号源。这些合成器采用非锁相环架构,可实现出色的通道-通道稳定性。但是,由于某些集成电子组件固有的热漂移,存在与预热时间以及状态稳定度相关的通道间相位漂移。
Holzworth做了一系列测试,证明HS9000系列多通道RF合成器产品中的通道稳定性。相位稳定性测试使用尽量短的稳相RF电缆,连接到鉴相器(混频器),以监测和比较两个通道之间的相位变化量。本文档中的图标和数据,来自于随机抽取的模块和通道,代表了典型平均测试数据。
下面(和第2页)中包含的数据表明,在运行30分钟内,通道-通道稳定性优于±0.25ps。而在50分钟时,测试数据表明通道间的漂移进一步降低至大约±0.10ps。

如下所示,在运行30分钟后,通道-通道稳定性<±0.25ps。在运行50分钟(稳定状态)后,数据表明漂移进一步降低至大约±0.10ps。在此测试期间,环境室温大约波动0.7C。



扫描下方二维码查看HS9000系列规格书:

产品型号及详细信息请联系:
Holzworth中国区(含香港)代理:
南京舜特科通信技术有限公司(微信公众号二维码见下方)
联系电话:025-52632557
地址:江苏省南京市江宁区胜利路89号紫金研创中心3号楼801
http://www.sainty-tech.com/
https://www.holzworth.com/

官方微信 立即关注

